00195376-05_SM_D1_D1i_D2_D2i_EN - 第66页
Service Work Gantries 4.2.3 Replacing the Deflection Unit [03038315-xx] 66 Service Manual SIPLACE D1/D1i/D2/D2i Removing the deflection unit Replacing the deflection unit (D4 shown as example) Legend ► Switch the machine…

Service Work
4.2.3 Replacing the Deflection Unit [03038315-xx] Gantries
Service Manual SIPLACE D1/D1i/D2/D2i 65
Settings
4.2.3
4.2.3 Replacing the Deflection Unit [03038315-xx]
Replacing the Deflection Unit [03038315-xx]
Tools and equipment
▪ Set of DIN 911 Allen keys
▪ Belt tension measuring device TSM [00326015-xx]
▪ "Measuring belt tensions" operating instructions
Parts
▪ Deflection unit X SIPLACE S/F D [03038315-xx]
Replacing the tensioning keys (D4 shown as example)
► Push the head mount towards the X-axis motor as far
as the stop on the elastomeric spring.
► Turn the hexagon socket-head screw to set the belt
tension to 44 Hz + /1 Hz.
CAUTION! Do not overstretch the toothed belt
when adjusting the belt tension.
► Secure the hexagon socket-head screw (3) with the
locknut (11).

Service Work
Gantries 4.2.3 Replacing the Deflection Unit [03038315-xx]
66 Service Manual SIPLACE D1/D1i/D2/D2i
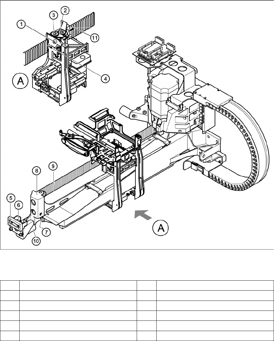
Removing the deflection unit
Replacing the deflection unit (D4 shown as example)
Legend
► Switch the machine off and secure it to prevent unauthorized reactivation as described in section.
► To relax the toothed belt (9), proceed as follows:
⇨ Loosen the locknut (11) and
⇨ Turn the hexagon socket-head screw (1) counterclockwise.
► Remove the M4 x 35 hexagon socket-head screw (1).
► Pull the tensioning key (2) off the synchronizing disk (3).
► Pull the toothed belt (9) out through the opening in the tension jack (4).
► Unthread the toothed belt from the deflection unit (8).
1 M4 x 35 hexagon socket-head screw 7 2 x M6 x 10 hexagon socket-head screws
2 Tensioning keys 8 Deflection unit - X
3 Synchronizing disk, long 9 Synchroflex toothed belt
4 Opening in tension jack for toothed belt 10 25 x 10.5 x 50 elastomeric spring
5 Y-axis brake, external 11 Locknut
6 2 x M3 x 8 hexagon socket-head screws

Service Work
4.2.3 Replacing the Deflection Unit [03038315-xx] Gantries
Service Manual SIPLACE D1/D1i/D2/D2i 67
► Loosen the two M3 x 8 hexagon socket-head screws (6) and remove the "Y-brake outside" (5).
► Loosen the two M6 x 10 hexagon socket-head screws (7) and remove the deflection unit ’X’ (8).
► Remove the elastomeric spring (10) from the deflection unit.
Installing the deflection unit ’X’
Replacing the deflection unit (D4 shown as example)
► Fit the elastomeric spring (10) on the new deflection
unit (8).
► Fix the deflection unit (8) to the gantry, with the two
M6 x 10 hexagon socket-head screws (7).
► Align the "Y-brake outside" (5) so that it is parallel
with the braking surface and fix it to the deflection unit
(8) with the two M3 x 8 hexagon socket-head screws.
► Run the toothed belt (9) around the synchronizing
disk of the deflection unit (8).
Fitting the toothed belt on the tension jack
Legend
1. Head mount
2. Tension jack for the toothed belt
3. Opening for threading the toothed belt
4. Synchronizing disk, long
5. Tensioning keys
6. Spacer bolt with M4 threaded drilling
7. M4 x 35 hexagon socket-head screw for tensioning
the toothed belt
8. Locknut
► Insert the toothed belt through the opening (3) in the
tension jack (2) until the toothed belt is run approx.
270° around the "long synchronizing disk" (4).
► Place the tensioning key (5) onto the synchronizing
disk (4).
► Use a size 8 Allen key to turn the synchronizing disk
(4) clockwise.
► Turn the hexagon socket-head screw (7) into the drill-
ing provided for the spacer bolt (6) and pretension the
X toothed belt.