IP-III-17 - 第141页
43.1.エアー配管図(QPZ) 43.1.Pneumatic circuit diagram(QPZ) 番号 図番 & コード番号 個数 品名 規格 備考 No. Drg.No. & Code No. QTY Description Rating Remarks 3 S2126N 1 CYLINDER, AIR シリンダ エアー CXSM10-40-Z73L 4 S2095H 1 CYLINDER, AIR シリン…

IP-
III
PARTS LIST ver17
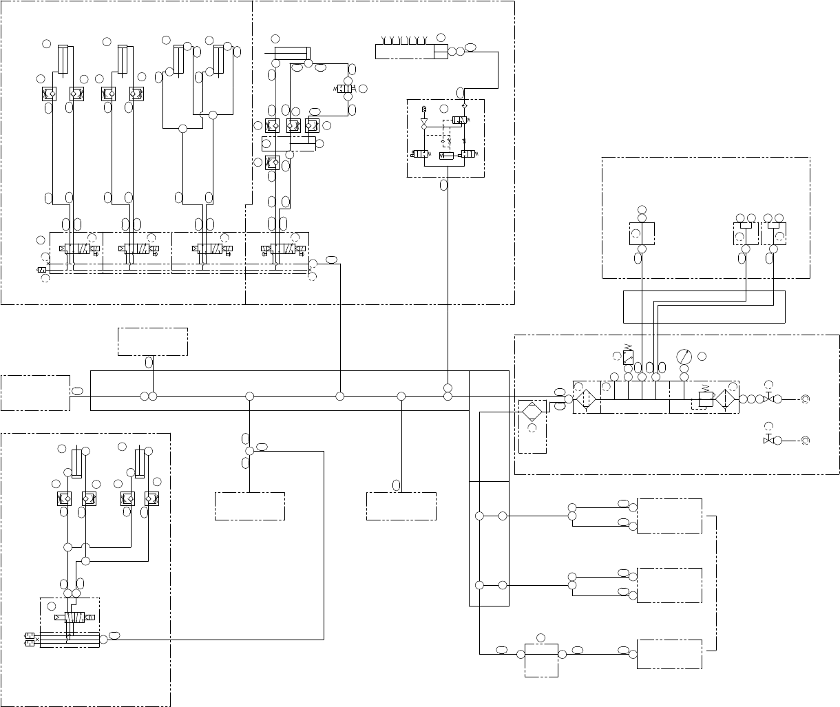
43.1.エアー配管図(QPZ)
43.1.Pneumatic circuit diagram(QPZ)
43 - 1
43.1.エアー配管図(QPZ)
43.1.Pneumatic circuit diagram(QPZ)
Ref.31-1
Ref.31-1
Ref.31-1
Ref.33-7
ベッド後側面
Rear side bed
(QPZ)
φ8
φ8
φ6
φ6
オプション
Option
AB
PRR2 1
AB
PRR2 1
AB
PRR2 1
AB
PR
R2
1
SS
1 2
ベッドの中
Inside bed
φ10
ベッド前面ダクトの中
Inside bed duct
ロボットベースの中
Inside robot base
ベッドの中
Inside bed
φ10
φ4
φ4
φ6
φ6
φ4
φ6
φ6
(国内)
(Domestic)
(海外)
(Foreign)
φ8
φ8
φ8
φ8
φ12
φ12
1ST
2ST
基板バキューム
Board vacuum
基板リフター
Board lifter
幅決めノッチ
Positioning notch
インコンベア
飛び出し防止
ストッパー
In conveyor stopper
(IN)
メインコンベア
基板ストッパー
Main conveyor
board stopper
(OUT)
φ10
(ベッド後部中央)
(Rear middle side bed)
(ベッド後部右側)
(Rear right side bed)
ベッド左側面
Left side bed
(QPZ)
コンベア Conveyor
(QQC)
φ6
基準ピン
Reference pin
(QPQ)
Yテーブル
Y table
(QPT)
ノズルチェンジ2
Nozzle change 2
ノズル切り替え1
Nozzle selection 1
ノズル切り替え2
Nozzle selection 2
ノズルチェンジ1
Nozzle change 1
NO.2ヘッド
NO.2 head
NO.1ヘッド
NO.1 head
NGパーツ回収
Reject parts
recovery
MFU
φ6
(OUT)
(IN)
φ4
TP-08C
φ8
φ4
φ4
φ4
φ4
φ4
φ6
φ6
φ6
φ6
φ4
φ4
φ4
φ4
φ4
φ4
φ4
φ4
φ4
φ4
φ6
φ6 φ6
φ6
φ8
φ10
P
R1
R2
B
A
φ8
3
4
77
79
5
77
7777
17
17
17
17
70
70
8
102
103
C1
C1
C2
C3
C4
C5
C6
C6
C5
C4
C3
C2
C5
C1
C2
C3
C4
C5
C6
C6
A2
T2
T1
T2
T2
T1 T1
78 75
76
18
18
18
18
21
101
101
7273
6
φ6
T4
T3
T4
T3
T4
T5
T5
T4
71
6968
22
T6
T6
A2
99515150
A2
A2
A2
A2A2
83
50
4951
A2
81
82
81
84
70
17
17
17
17
70
80
87
87
80
87
87
A2
Q1
Q2
Q1
Q2
Q2
Q1
100
96
49
109
48
47
34
47
6263 6362
33
33
45 45
A1
A1
A1
98
44
29
28
41
30
43
40 39 38
42
43
26
3637
120
25
65
25
A1
A2
A2
A1
A1
クランプ
9
67
60
5897
88
97
88
58
60
A2
A2
A2 A2
A2
A2
A2
Clamp
36
100
109
102
106
107107107
105
122
x9
208
176
165
175
161
175
161
175
161
183
162
176
167
175
161
13
13
B
A
139
26

43.1.エアー配管図(QPZ)
43.1.Pneumatic circuit diagram(QPZ)
番号 図番 & コード番号 個数 品名 規格 備考
No. Drg.No. & Code No. QTY Description Rating Remarks
3 S2126N 1 CYLINDER, AIR シリンダ エアー CXSM10-40-Z73L
4 S2095H 1 CYLINDER, AIR シリンダ エアー CDJ2B10-35-C73L
5 S2105T 1 CYLINDER, AIR シリンダ エアー CDQ2B20-15D-A73
6 S2124T 1 CYLINDER, AIR シリンダ エアー CQ2D25-35DCM
8 PPZ0112 1 VALVE, SOL バルブ SOL
9 PPZ0122 1 VALVE, SOL バルブ SOL
17 K5325A 28 CONTROLLER, SPEED コントローラ スピード M4R-M5-0 [52]
18 K5326Z 4 CONTROLLER, SPEED コントローラ スピード M6R-01-1
21 H1063H 1 VALVE, MECHANICAL バルブ メカニカル VM121-01-01-X1
22 H1006T 1 GENERATOR, VACUUM 発生器 真空 VDBL12P8-06SA
25 H1043T 1 VALVE, STOP バルブ ストップ 3/8B
26 . 1 FILTER REGULATOR フィルタ レギュレータ AW4000-03CGR
28 S3060H 1 SPACER スペーサ Y44-03
29 S4016T 1 SEPARATOR, MIST セパレータ ミスト AFM4000-03R
30 S3154A 1 SW, PRESSURE SW プレッシャ IS300-02L5
33 PPZ0240 2 MANIFOLD マニホールド
34 PPZ0290 1 TERMINAL ターミナル
36 H1282A 2 PIPE, DOUBLE ENDED パイプ 両口 3/8X25
37 A4061A 1 ELBOW エルボ 3/8.
38 Y3021Z 1 UNION ユニオン PAX12-03
39 Y3086A 1 UNION, HALF ユニオン ハーフ KQ2H10-03S
40 H3075A 1 BUSHING ブッシュ 3/8-1/4
41 A3033A 1 PLUG 埋栓 3/8.
42 A4053A 1 ELBOW エルボ 1/4.
43 H1214A 2 PIPE, DOUBLE ENDED パイプ 両口 1/4X25
44 Y3021E 1 UNION ユニオン PA10-03
45 Y3081C 2 UNION, ELBOW ユニオン エルボ KQL12-02S
47 Y3085A 2 UNION, HALF ユニオン ハーフ KQ2H10-02S
48 H3128A 1 PLUG プラグ PP-10
49 K50767 2 CONNECTOR コネクタ KQ2U08-10
50 Y3069H 2 UNION ユニオン KQ2R06-08
51 Y3023M 3 UNION ユニオン PEG8-6
58 S2146A 2 JOINT ジョイント BF4BU-M3
60 Y3078A 2 UNION, ELBOW ユニオン エルボ KQ2L06-01S
62 S5021T 2 SOCKET ソケット 30SAH
63 S5021K 2 SOCKET ソケット SMK-01
65 HP43251 1 NIPPLE ニップル For overseas use
IP-Ⅲ PARTS LIST ver17
43 - 2
43.1.エアー配管図(QPZ)
43.1.Pneumatic circuit diagram(QPZ)

43.1.エアー配管図(QPZ)
43.1.Pneumatic circuit diagram(QPZ)
番号 図番 & コード番号 個数 品名 規格 備考
No. Drg.No. & Code No. QTY Description Rating Remarks
67 Y3066H 1 UNION ユニオン KQ2E04-00
68 Y3084T 1 UNION, HALF ユニオン ハーフ KQ2H08-01S
69 A4033A 1 ELBOW エルボ GPL-61
70 Y30742 4 CONNECTOR ユニオン KQU04-00
71 PPT1470 1 TERMINAL ターミナル
72 Y3034W 1 UNION ユニオン KJT06-M5(シロ)
73 Y3049L 1 UNION, ELBOW ユニオン エルボ KJL06-M5(シロ)
75 . 1 PLUG プラグ GC-C4-1/8
76 Y3078A 1 UNION, ELBOW ユニオン エルボ KQ2L06-01S
77 A4067T 4 ELBOW エルボ M-5ALHU-4
78 PPT0402 1 TERMINAL ターミナル
79 PQC0750 1 CYLINDER シリンダ
80 S21271 2 CYLINDER シリンダ JDAS12X35-CS4HB1-1311W
81 Y3049G 4 UNION, ELBOW ユニオン エルボ KJL04-M5(シロ)
82 Y3049N 2 UNION, ELBOW ユニオン エルボ KQ2L06-M5
83 Y3023A 1 UNION ユニオン PE 6
84 H1066H 1 VALVE, SOL バルブ SOL A040-4E1-25-75-PSL-DC24V
87 K5077A 4 CONNECTOR コネクタ M-5J
88 K5075A 2 CONNECTOR コネクタ KQU06-00
96 Y3023T 1 UNION, HALF ユニオン ハーフ PEG10-08
97 Y3040T 2 UNION ユニオン KQR04-06
98 H3021Z 1 FILTER フィルタ DMP100-10
99 Y3041Z 1 UNION ユニオン KQT08-00
100 Y3056T 2 UNION ユニオン KQT06-08
101 Y3062C 2 UNION ユニオン KJS06-01S(シロ)
102 . 1 JOINT ジョイント TS8-01
103 S1053N 1 SILENCER サイレンサ KM-22
105 . 1 PLUG プラグ 1/8.
106 H1066T 1 VALVE, SOL バルブ SOL F1Y110-4ME2-81-DC24V
107 H1066M 3 VALVE, SOL バルブ SOL F1W110-4E1-DC24V
109 . 2 UNION ユニオン TL4-01
120 A10303 1 PRESSURE GAUGE 圧力計 G46-7-02
122 K1086T 1 COUPLER カプラ 30PM
・
IP-Ⅲ PARTS LIST ver17
43 - 3
43.1.エアー配管図(QPZ)
43.1.Pneumatic circuit diagram(QPZ)