YS12_F_KKJ_e - 第17页
P AGE 15 Condential & Proprietary Y S 1 2 F Air circuit (FES+A TS) H 0 1 6 3 4 2

PAG E
14
Confi dential & Proprietary
YS12F
YS12F
Air circuit
H013345

PAGE
15
Condential & Proprietary
YS12F
Air circuit (FES+ATS)
H 0 1 6 3 4 2

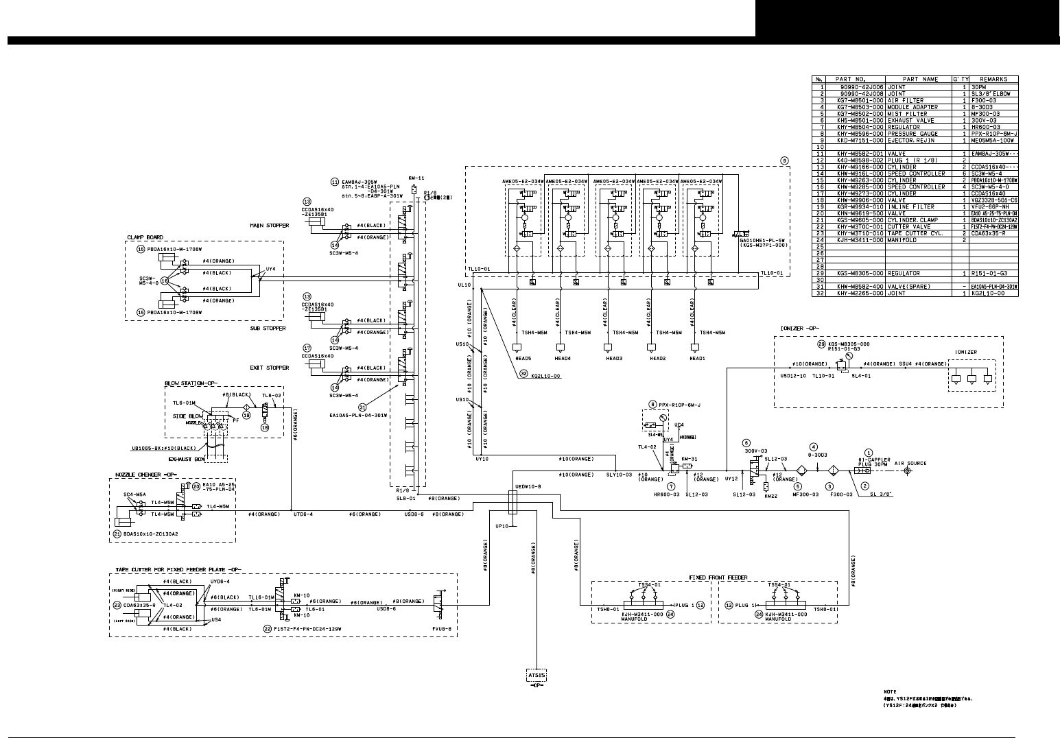
PAGE
16
Condential & Proprietary
YS12F
Air circuit (FIX24+FIX60)
H 0 1 6 3 4 2