P-0326-001 - 第12页
421 466 421 428 444 4A2 476 445 DET AIL A 4A1 5A7 5A8 587 5A2 5A3 583 5 01 51 560 535 561 559 558 518 523 510 563 562 575 495 496 494 495 496 488 495 496 490 450 431 447 430 A 486 486 486 474 425 4 1 1 439 406 433 426 40…

1202-001
Fig. A1
Fig. A1-A1
7N
C
1N
C
2
NC
3
NC
20X
10X
10B
4NC
20B
6NC
5NC
27
U25
5N
C
A2P
N
C
B
2PNC
C
2
P
NC
D2PNC
A
2N
C
B
2
N
C
C2
N
C
D2N
C
3PNC
1PN
C
D
4
NC
C
4
N
C B4NC 3
N
C
U37
B0413R
M31
U04
X3701
X10422
X10421
CN1,8,9
CN2,3,4
CN5,6,7
M33
M34
U147
M32
X14701
B01
B02
B04
X3105
X3103
X3104D
X3104B
X3104C
X31P3
X31P2A
X31P2D
X31P2C
X31P2B
X312D
X312C
X312B
U03
X0304
X0307
X0305
X0306
A31
B05
25
24
28
40
32
26
26
23
X312A
B0413T
B0413T
33
34
35
136
Y0902
X0306
X2503
X2501
X2507
X2504
X25B2
X31P1
X331P1
X13701
X23701
135
132
104
133
134
131
B3106
B3103
22
27
40
26
27
40
26
27
40
26
B3105
B3102
32
26
B3104
37
37
9
51
67

421
466
421
428
444
4A2
476
445
DETAIL A
4A1
5A7
5A8
587
5A2
5A3
583
5
01
51
560
535
561
559
558
518
523
510
563
562
575
495
496
494
495
496
488
495
496
490
450
431
447
430
A
486
486
486
474
425
4 1 1
439
406
433
426
405
432
4 1 1
B
C
DE T AI L C
DE T AI L B
0916 3 K0K
577
577
522
575
0916 3 K01
429
476
391
3A0
3A1
379
3A2
3A3
385
3A2
3A3
393
3A2
3A3
393
3A2
3A3
383
3A2
3A3
382
3A0
3A1
392
3A2
3A4
384
397
399
378
381
376
327
380
380
383
387
3A5
3A2
3A3
385
3A5
3A5
370
303
302
316
373
371
372
343
342
315
338
341
353
355
352
312
314
340
365
354
517
591
597
598
589
5A2
5A3
582
507
5A2
5A3
584
5A2
5A3
583
5A2
5A3
584
557
584
564
567
568
556
569
519
546
536
504
520
520
524
551
508
548
537
549
549
597
598
5A5
1001 3 H00
HEAD UNIT
1001 3 J00
HEAD
ASSY
INNER
ASSY
OUTER
ASSY
ELEC BOX ASSY
1001 3 K00
SHAF T
ASSY
0916 3 K0K
1001 3 L00
1001 3 M00
PIPING ASSY
1001 3 J02
P AR TS
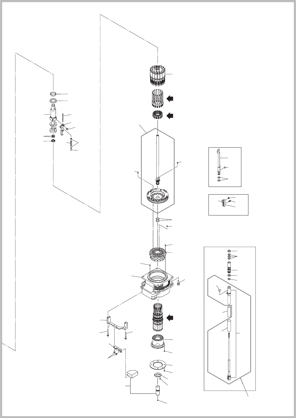
(Fig. A1-4 Key No. 302-3A5
Fig. A1-5 Key No.405-496
Fig. A1-6 Key No.501-5A8)
P AR
TS
(Fig. A1-1 Key No. 5-51)
P AR
TS
(Fig. A1-1 Key No. 66-67)
P AR
TS
(Fig. A1-2 Key No. 101-142)
SHAF T
ASSY
0916 3 K01
P AR TS
(Fig. A1-6 Key No. 5B1-5D0)
P AR
TS
(Fig. A1-5 Key No. 4A1-4A2)
P
AR
TS
(Fig. A1-1 Key No. 151-152)
P
AR
TS
(Fig. A1-3 Key No. 201-230)
Fig. A1-A2
全体図2
PARTS LAYOUT-2
1202-001
Fig. A1
高速ヘッド
(DDH V8)
HIGH SPEED HEAD(DDH V8)
