P-0326-001 - 第18页
1202-001 Fig. A1-2 電装ボックス Electrical Box 134 131 136 U03 Y0902 X0307 X0305 X0306 U25 X2503 X2501 X2507 X2504 X25B2 X25X1 X25X2 X3105 X3103 X31P1 A31 5 N C A 2 P N C B 2 P N C C 2 P N C D 2 P N C A 2 N C B 2 N C C 2 N C D…

MEMO

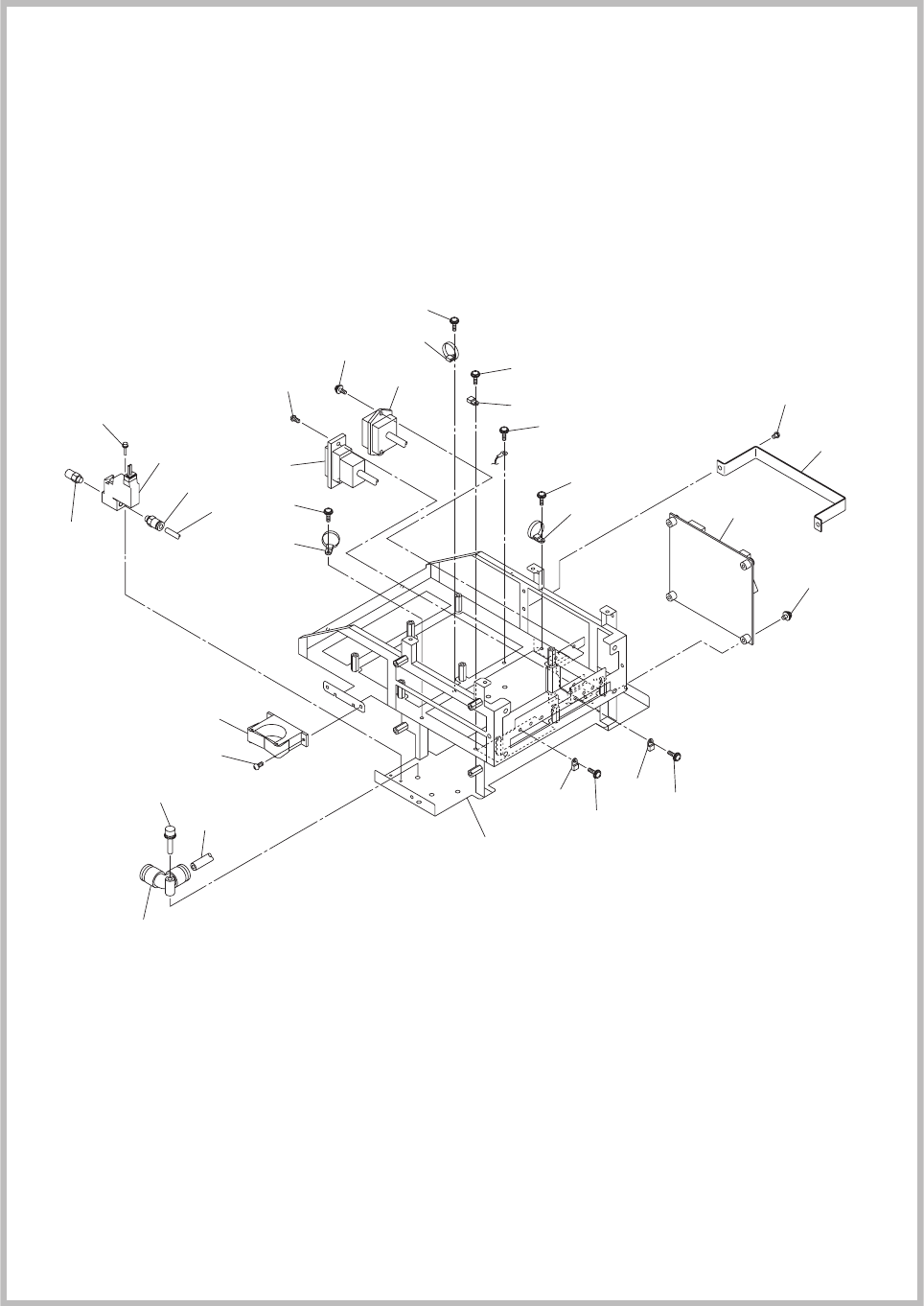
1202-001
Fig. A1-2
電装ボックス
Electrical Box
134
131
136
U03
Y0902
X0307
X0305
X0306
U25
X2503
X2501
X2507
X2504
X25B2
X25X1
X25X2
X3105
X3103
X31P1
A31
5NC
A
2PN
C
B
2
P
N
C
C
2PN
C
D
2PNC
A
2
N
C
B2
NC
C2NC
D2NC
3P
NC
1
P
N
C
D4N
C C
4
NC
B
4NC 3N
C
X3104D
X3104B
X3104C
X331P1
X131P1
X12501
X13701
B3106
B3103
X23701
7
NC
1
NC
2N
C
3N
C
2
0
X
1
0
X
1
0B
4
NC
2
0B
6
NC 5NC
135
132
104
133
108
114
117
110
116
119
113
109
102
105
104
103
101
107
106
151
142
152
108
108
108
139
139
108
139
139
108
108
108
139
139
120
108
136
134
120
141
141
141
Fig. A1
高速ヘッド
(DDH V8)
HIGH SPEED HEAD(DDH V8)

134
131
136
U03
Y0902
X0307
X0305
X0306
U25
X2503
X2501
X2507
X2504
X25B2
X25X1
X25X2
X3105
X3103
X31P1
A31
5
N C
A
2 P N C
B 2 P
N C
C
2 P
N C
D
2 P N C
A
2
N C
B 2 N
C
C 2 N C
D 2 N C
3 P
N C
1
P N
C
D 4 N
C
C 4
N C B 4 N C 3 N C
X3104D
X3104B
X3104C
X331P1
X131P1
X12501
X13701
B3106
B3103
X23701
7 N
C
1 N
C
2 N
C
3 N C
2 0 X
1
0
X
1
0
B
4
N
C
2
0
B
6
N C
5 N C
135
132
104
133
141
141
141
Fig. A1
1202-001
Fig. A1-2