P-0326-001 - 第24页
Fig. A1-4 ノズル上下、選択部 Nozzle Leveller ,and selecter 1202-001 391 3A0 3A1 379 3A2 3A3 385 3A2 3A3 393 3A2 3A3 393 3A2 3A3 383 3A2 3A3 382 3A0 3A1 392 3A2 3A4 384 397 399 378 381 376 327 380 380 383 387 3A5 3A2 3A3 385 3A5 3…

Key No. PART No. PART NAME Q’ty
REMARKS
NOTE
201 0916DL1K MOTOR 1 1100103L00-001
202 226J2537 STOPPER 1 1
100103L00-002
203 0916DK19 COUPLING 1 1
100103L00-003
204 0916DK29 BEARING_UNIT 1 1
100103L00-004
205 0916DL1E HL_BALL-SCREW 1 1
100103L00-005
206 221AA012 BOLT_HEX-SCT 1 1
100103L00-006
208 1001D405 HL_GUIDE_LINEAR 1 1
100103L00-008
209 0916DL1Q PLATE 1 1
100103L00-009
210 0916DL1Z BASE 1 1
100103L00-010
211 221A0468 BOLT_HEX-SCT 2 1
100103L00-011
212 0916DL1R PLATE 1 1
100103L00-012
213
1011D21Z
SPRING_COMP 1 1100103L00-013
214 0916DL21 PLATE 1 1
100103L00-014
215 0916DL22 PLATE 1 1
100103L00-015
216 221FA005 NUT_HEX 1 1
100103L00-016
217 221HA003 WASHER 7 1
100103L00-017
218 221HA103 WASHER 7 1
100103L00-018
219 221AA115 ROHS_HEX-SCT 4 1
100103L00-019
220 221AA006 ROHS_HEX-SCT 16 1
100103L00-020
221 221AA020 ROHS_HEX-SCT 2 1
100103L00-021
222 221HA004 WASHER 4 1
100103L00-022
223 221HA104 WASHER 4 1
100103L00-023
224 221AA321 ROHS_HEX-SCT 2 1
100103L00-024
225 09163004 ASSY_SENSOR 1 1
100103L00-025
226 09163005 ASSY_SENSOR 1 1
100103L00-026
227 221HA006 WASHER 2 1
100103L00-027
228 221HA106 WASHER 2 1
100103L00-028
229 221AA007 ROHS_HEX-SCT 6 1
100103L00-029
230 221AA018 ROHS_HEX-SCT 2 1
100103L00-030
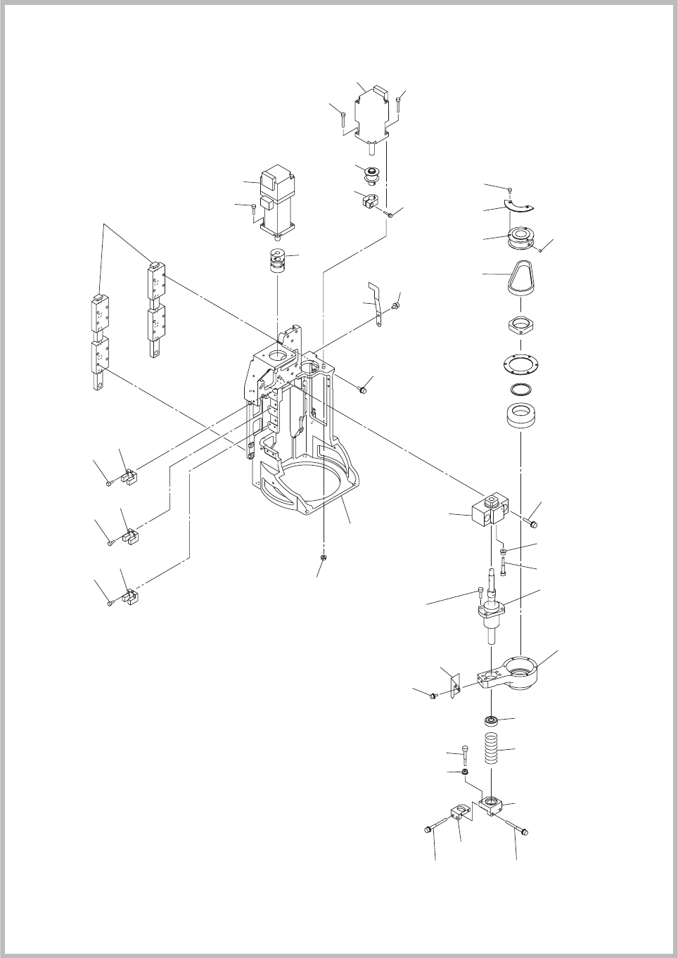
Fig. A1
1202-001
Fig. A1-3
GS-HH160

Fig. A1-4
ノズル上下、選択部
Nozzle Leveller,and selecter
1202-001
391
3A0
3A1
379
3A2
3A3
385
3A2
3A3
393
3A2
3A3
393
3A2
3A3
383
3A2
3A3
382
3A0
3A1
392
3A2
3A4
384
397
399
378
381
376
327
380
380
383
387
3A5
3A2
3A3
385
3A5
3A5
370
303
302
316
373
371
372
See Fig. A1-3
Key No.208
See Fig. A1-6
Key No.557
343
342
315
338
341
353
355
352
312
314
340
365
354
Fig. A1
高速ヘッド
(DDH V8)
HIGH SPEED HEAD(DDH V8)

Key No. PART No. PART NAME Q’ty
REMARKS
NOTE
302 0916DK2B MOTOR 1 1100103K00-002
303 0916DK2C MOTOR 1
1100103K00-003
312 0916DK3Q NL_BALL-SCREW 1
1100103K00-012
314 223Q0769 PULLEY_TIMING 1
1100103K00-014
315 223Q0711 PULLEY_TIMING 1
1100103K00-015
316 223L0358 BELT_TIMING 1
1100103K00-016
327 221AA011 ROHS_HEX-SCT 1
1100103K00-027
338 211G3396 BLOCK 1
1100103K00-038
340 211D9619 PLATE 1
1100103K00-040
341 0916DK3F PLATE 1
1100103K00-041
342 0916DK3J PLATE 1
1100103K00-042
343 0916DK3A BASE 1
1100103K00-043
352 0916D310 BEARING_UNIT 1
1100103K00-052
353 0916DK3D COLLAR 1
1100103K00-053
354 1001D308 SPRING_COMP 1
1100103K00-054
355 0916DK3C BLOCK 1
1100103K00-055
365 0916DK3S NL_BEARING 1
1100103K00-065
370 0916DK19 COUPLING 1
1100103K00-070
371 10013K0X ASSY_SENSOR 1
1100103K00-071
372 10013K0V ASSY_SENSOR 1
1100103K00-072
373 10013K0W ASSY_SENSOR 1
1100103K00-073
376 221AA121 ROHS_HEX-SCT 2
1100103K00-076
378 221A0245 BOLT_HEX-SCT 1
1100103K00-078
379 221AA145 ROHS_HEX-SCT 2
1100103K00-079
380 221AA321 ROHS_HEX-SCT 3
1100103K00-080
381 221AA322 ROHS_HEX-SCT 1
1100103K00-081
382 221AA005 ROHS_HEX-SCT 2
1100103K00-082
383 221AA006 ROHS_HEX-SCT 17
1100103K00-083
384 221AA007 ROHS_HEX-SCT 4
1100103K00-084
385 221AA008 ROHS_HEX-SCT 4
1100103K00-085
387 221AA031 ROHS_HEX-SCT 2
1100103K00-087
391 221CA026 SET SCREW 2
1100103K00-091
392 221FA003 NUT_HEX 1
1100103K00-092
393 221FA005 NUT_HEX 2
1100103K00-093
397 221HA001 WASHER 1
1100103K00-097
399 221HA201 WASHER 1
1100103K00-099
3A0 221HA002 WASHER 3
1100103K00-100
3A1 221HA102 WASHER 3
1100103K00-101
3A2 221HA003 WASHER 27
1100103K00-102
3A3 221HA103 WASHER 24
1100103K00-103
3A4 221HA203 WASHER 4
1100103K00-104
3A5 221AA115 BOLT_HEX-SCT 6
1100103K00-105
Fig. A1
1202-001
Fig. A1-4
GS-HH160