P-0326-001 - 第26页
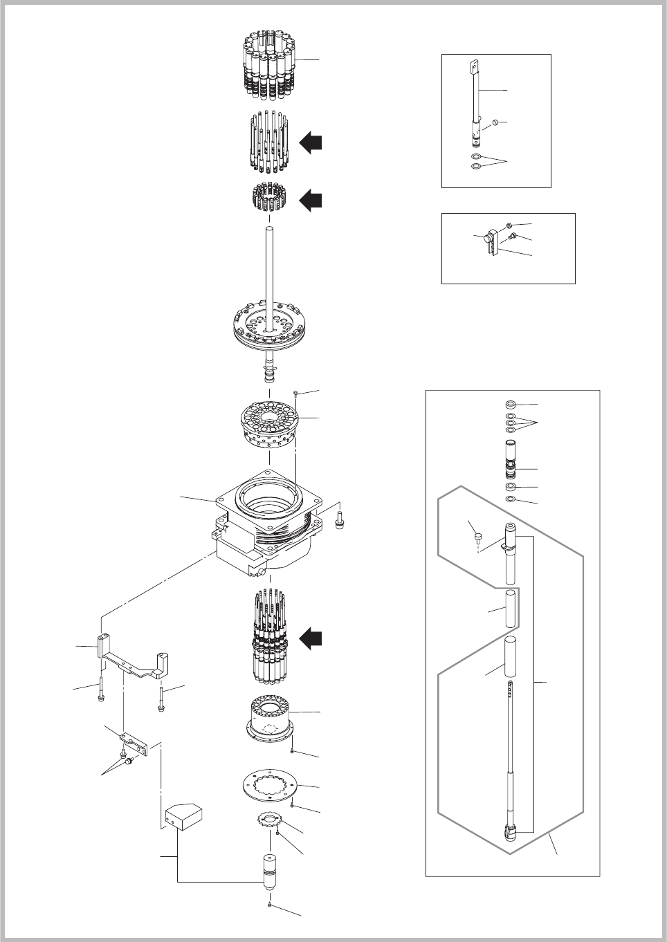
1202-001 495 496 494 495 496 488 495 496 490 450 431 447 430 A 486 486 486 474 425 41 1 439 406 433 426 405 432 41 1 B C DET AIL C DET AIL B 421 466 421 428 444 4A2 476 445 DET AIL A 4A1 0916 3 K0K See Fig. A1-1 Key No.5…

Key No. PART No. PART NAME Q’ty
REMARKS
NOTE
302 0916DK2B MOTOR 1 1100103K00-002
303 0916DK2C MOTOR 1
1100103K00-003
312 0916DK3Q NL_BALL-SCREW 1
1100103K00-012
314 223Q0769 PULLEY_TIMING 1
1100103K00-014
315 223Q0711 PULLEY_TIMING 1
1100103K00-015
316 223L0358 BELT_TIMING 1
1100103K00-016
327 221AA011 ROHS_HEX-SCT 1
1100103K00-027
338 211G3396 BLOCK 1
1100103K00-038
340 211D9619 PLATE 1
1100103K00-040
341 0916DK3F PLATE 1
1100103K00-041
342 0916DK3J PLATE 1
1100103K00-042
343 0916DK3A BASE 1
1100103K00-043
352 0916D310 BEARING_UNIT 1
1100103K00-052
353 0916DK3D COLLAR 1
1100103K00-053
354 1001D308 SPRING_COMP 1
1100103K00-054
355 0916DK3C BLOCK 1
1100103K00-055
365 0916DK3S NL_BEARING 1
1100103K00-065
370 0916DK19 COUPLING 1
1100103K00-070
371 10013K0X ASSY_SENSOR 1
1100103K00-071
372 10013K0V ASSY_SENSOR 1
1100103K00-072
373 10013K0W ASSY_SENSOR 1
1100103K00-073
376 221AA121 ROHS_HEX-SCT 2
1100103K00-076
378 221A0245 BOLT_HEX-SCT 1
1100103K00-078
379 221AA145 ROHS_HEX-SCT 2
1100103K00-079
380 221AA321 ROHS_HEX-SCT 3
1100103K00-080
381 221AA322 ROHS_HEX-SCT 1
1100103K00-081
382 221AA005 ROHS_HEX-SCT 2
1100103K00-082
383 221AA006 ROHS_HEX-SCT 17
1100103K00-083
384 221AA007 ROHS_HEX-SCT 4
1100103K00-084
385 221AA008 ROHS_HEX-SCT 4
1100103K00-085
387 221AA031 ROHS_HEX-SCT 2
1100103K00-087
391 221CA026 SET SCREW 2
1100103K00-091
392 221FA003 NUT_HEX 1
1100103K00-092
393 221FA005 NUT_HEX 2
1100103K00-093
397 221HA001 WASHER 1
1100103K00-097
399 221HA201 WASHER 1
1100103K00-099
3A0 221HA002 WASHER 3
1100103K00-100
3A1 221HA102 WASHER 3
1100103K00-101
3A2 221HA003 WASHER 27
1100103K00-102
3A3 221HA103 WASHER 24
1100103K00-103
3A4 221HA203 WASHER 4
1100103K00-104
3A5 221AA115 BOLT_HEX-SCT 6
1100103K00-105
Fig. A1
1202-001
Fig. A1-4
GS-HH160

Key No. PART No. PART NAME Q’ty
REMARKS
NOTE
405 23D10016 ACCESSORY_SV 15 1100103K00-005
406 225B0572 AIR LINE EQPT 30
1100103K00-006
411 222H0163 CAM FOLLOWER 15
1100103K00-011
421 226A0279 SEAL 30
1100103K00-021
425 221AA330 ROHS_HEX-SCT 30
1100103K00-025
426 0916D338 SEAL 30
1100103K00-026
428 226A0286 SEAL 15
1100103K00-028
429 0916DK13 ROTOR_UPPER 1
1100103K00-029
430 0916DK3P ROTOR_LOWER 1
1100103K00-030
431 211FE200 BRACKET 1
1100103K00-031
432 0916D31G DISK 1
1100103K00-032
433 216B1811 HOLDER 15
1100103K00-033
439 211G6373 BLOCK 15
1100103K00-039
444 1001DK1L SPRING_COMP 15
1100103K00-044
445 0916D31E DISK 45
1100103K00-045
447 0916D31F DISK 1
1100103K00-047
450 211G5985 BLOCK 1
1100103K00-050
466 0916DK2D HOLDER 15
1100103K00-066
474 221AA332 ROHS_HEX-SCT 2
1100103K00-074
476 221AA121 ROHS_HEX-SCT 18
1100103K00-076
486 221A0332 BOLT_HEX-SCT 8
1100103K00-086
488 221AA205 BOLT_HEX-SCT(BLACK) 1
1100103K00-088
490 221AA202 BOLT_HEX-SCT 4
1100103K00-090
494 221AA206 BOLT_HEX-SCT 2
1100103K00-094
495 221HA281 WASHER SPR 3 7
1100103K00-095
496 221HA290 WASHER V 3X7X0.5 7
1100103K00-096
4A1 0916DK2U BALL_SPLINE 1
3091603K0K-001
4A2 216B1861 HOLDER 1
3091603K0K-002
Fig. A1
1202-001
Fig. A1-5
GS-HH160
