CP-733E-03 - 第228页
34.1.エアー配管図(DCPI) 34.1.Pneumatic circuit diagram(DCPI) 番号 図番 & コード番号 個数 品名 規格 備考 材質 No. Drg.No. & Code No. QTY Description Rating Remarks Materials 39 Y3061W 2 UNION, HALF ユニオン ハーフ KJS06-M5(シロ) OT 40 Y30827 2 UN…

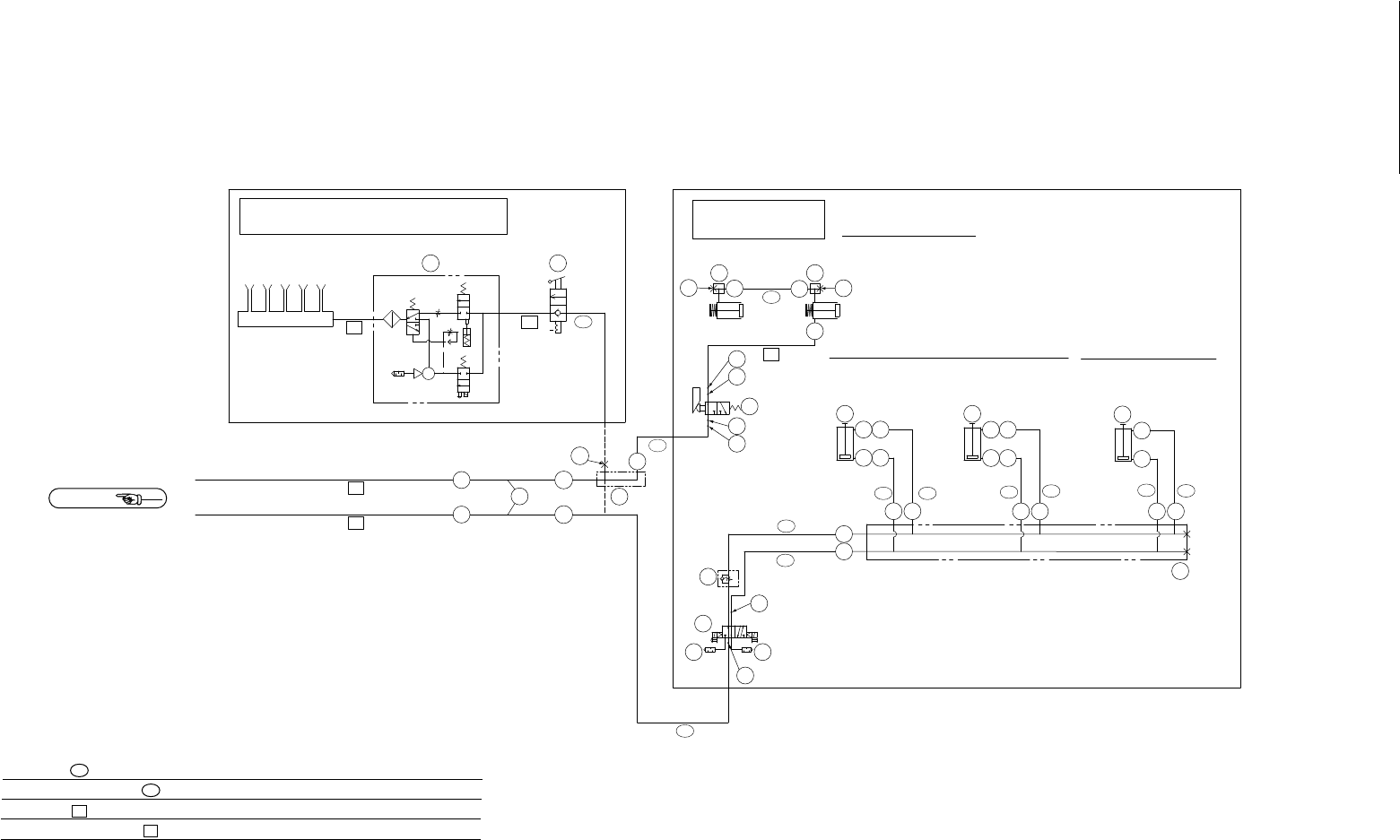
34.1.エアー配管図(DCPI)
34.1.Pneumatic circuit diagram(DCPI)
番号 図番 & コード番号 個数 品名 規格 備考 材質
No. Drg.No. & Code No. QTY Description Rating Remarks Materials
1 H3149A 1
PLUG, COUPLER
プラグ カプラ 20PM OT
2 H3075A 1
BUSHING
ブッシュ 3/8X1/4 OT
3 H1059T 1
VALVE, BALL
バルブ ボール RP-LL-3/8 ロックハンドルツキ OT
4 H1282A 1
PIPE, DOUBLE ENDED
パイプ 両口
3/8X 25 OT
5 A4081A 1
ELBOW, DIFFERENT DIAMETERS
エルボ 異径
3/8X1/4 OT
6 N20291 1
NIPPLE
ニップル 37260 OT
7 H30297 1 FILTER REGULATOR フィルタレギュレータ AW3000-02-BD (SIヘイキ) OT
8 H3255A 1 BUSHING ブシュ RBF OT
10 S3059Y 1
SPACER
スペーサ Y30(29.5) OT
11 S4016R 1
SEPARATOR, MIST
セパレータ ミスト AFM3000-02-D OT
12 Y3079T 1 UNION, ELBOW ユニオン エルボ KQ2L08-02S OT
13 A4147A 4 ELBOW エルボ EL8-PT1/8 OT
14 GXA0110 1 TERMINAL, PIPING ターミナル 配管 AL
15 H3126Y 1 PLUG プラグ BC8 OT
16 A4146A 3 ELBOW エルボ EL8-PT1/4 OT
17 K53710 4 CONNECTOR コネクタ EC6-PT1/8 OT
18 WPI0020 1
TERMINAL
ターミナル AL
19 A4145A 5 ELBOW エルボ EL6-PT1/8 OT
20 A3034A 1
PLUG
埋栓
PT1/8 OT
21 Y3079N 5 UNION, ELBOW ユニオン エルボ KQ2L06-M5 OT
22 H1068C 1
VALVE, SOL
バルブ SOL PCC235-M5-D24SP-FJK OT
23 Y3075A 1
UNION
ユニオン KQ2U06-00 OT
24 K5338D 1 CONTROLLER, SPEED コントローラ スピード AS1211F-M5-06(シロ) OT
25 ADCPA8111 1 CYLINDER, AIR シリンダ エアー OT
26 S1053A 2
SILENCER
サイレンサ SL-1 OT
27 ADCPA8121 2 CYLINDER, AIR シリンダ エアー OT
28 ADCPA8141 1 CYLINDER, AIR シリンダ エアー OT
29 Y3049W 7 UNION, ELBOW ユニオン エルボ KJL06-01S(シロ) OT
30 Y3034S 1 UNION ユニオン KJU06-99(シロ) OT
31 H1077T 1
VALVE, SOL
バルブ SOL PCS-242-M5-D24-SP OT
32 A4144A 2 ELBOW エルボ EL4-M5-M OT
33 K5332A 2
CONTROLLER, SPEED
コントローラ スピード SS4-M5A OT
34 WPL5012 1 CYLINDER, AIR シリンダ エアー OT
35 Y3083A 3
UNION, HALF
ユニオン ハーフ KQ2H06-01S OT
36 H1081N 1 VALVE, SOL バルブ SOL PCS-245-01-D24-SP OT
37 K5342D 2 CONTROLLER, SPEED コントローラ スピード AS2201F-01-06S(シロ) OT
38 Y3044H 2
UNION
ユニオン M-5ER OT
CP-733E,CP-732E PARTS LIST
34 - 2
34.1.エアー配管図(DCPI)
34.1.Pneumatic circuit diagram(DCPI)

34.1.エアー配管図(DCPI)
34.1.Pneumatic circuit diagram(DCPI)
番号 図番 & コード番号 個数 品名 規格 備考 材質
No. Drg.No. & Code No. QTY Description Rating Remarks Materials
39 Y3061W 2 UNION, HALF ユニオン ハーフ KJS06-M5(シロ) OT
40 Y30827 2 UNION, HALF ユニオン ハーフ KQ2H06-M5 OT
41 DCPU0190 1 CYLINDER, AIR シリンダ エアー OT
42 H5447Z 1
PUMP
ポンプ KHA750A-306-G1 OT
43 DCPV0130 1
BUSHING
ブッシュ FE
45 DCPH0680 16 VALVE, MECHANICAL バルブ メカニカル OT
47 T1063F 1 DUCT ダクト NPS50 OT
48 K5339W 1 CONTROLLER, SPEED コントローラ スピード AS1311F-M5-06 (シロ) OT
49 DCPI0510 1 VALVE, MECHANICAL バルブ メカニカル OT
50 Y3071T 2 UNION ユニオン KQ2T08-06 OT
51 Y3082Z 2 UNION, HALF ユニオン ハーフ KQ2H04-06 OT
52 DCPI0520 1
SILENCER
サイレンサ OT
53 Y3081A 1
UNION, ELBOW
ユニオン エルボ KQ2L10-03S OT
54 . 1
ELBOW
エルボ F6-02ML OT
55 T10137 1
TANK
タンク PPサンプラボトル2044A OT
56 Y3071Z 1 UNION ユニオン KQ2T08-10 OT
57 K5586A 5 CONNECTOR コネクタ KQ2U08-00 OT
58 Y3071H 1 UNION ユニオン KQ2T08-00 OT
59 . 8 UNION, ELBOW ユニオン エルボ OT
60 S5212A 1 BLOWER, VORTEX 送風機 渦流 2BH1-500-1AH21-G31 OT
61 S5213A 1 BLOWER, VORTEX 送風機 渦流 2BH1-500-7AH21-G31 OT
62 . 1 BLOWER, VORTEX 送風機 渦流 2BH1-500-1AH11-G31 OT
63 S5217A 1 BLOWER, VORTEX 送風機 渦流 2BH1-500-7AH11-G51 OT
64 A1038Y 1 AMPLIFIER アンプ AP-40Z OT
65 S3150H 1 SW, PRESSURE SW プレッシャ AP-43 OT
66 A1038Y 1 AMPLIFIER アンプ AP-40Z OT
67 S31495 1 SW, PRESSURE SW プレッシャ AP-41 OT
68 ADCPA8131 1 CYLINDER, AIR シリンダ エアー OT .
CP-733E,CP-732E PARTS LIST
34 - 3
34.1.エアー配管図(DCPI)
34.1.Pneumatic circuit diagram(DCPI)

34 - 4
34.2.エアー配管図(DCPI)
34.2.Pneumatic circuit diagram(DCPI)
34.2.エアー配管図(DCPI)
34.2.Pneumatic circuit diagram(DCPI)
CP-733E,CP-732E PARTS LIST
D
E
配管NO.を で囲んだものは配管にマーカーを1個組み付け
Numbers enclosed by are attached with a marker.
Numbers enclosed by are attached with a marker at both ends.
配管NO.を で囲んだものは配管の両端にマーカーをそれぞれ1個組み付け
40%
74
φ6
B1
99 102
B1
φ6
B1
B1
Z2
41
99
48
88
100
101
40
S2
φ6
A
B
S2
φ6
S2
φ6
S2
φ6
S2
φ6
S2
φ6
φ6
S1
B1
φ6
B1
88
92
3737
19
93
94
95
96
96
7676
98
98
91
89
89
90
90
91
96
97
97
S2
φ6
7676
98
98
20 20
97
97
S2
φ6
7676
97
97
20
76
76
88
15
φ6
φ6
φ8
S1
φ6
Ref.P34-1
Vacuum backup pin
(Option)
XY table
Board clamp
While clamp open
While unclamp
While unclamp
Back side rail clamp
Back side board clamp
Operator side board clamp(Left/Right)
XYテ−ブル
(オプション)
バキュームバックアップピン
基準側基板クランプ(左/右)
基板クランプ
従属側基板クランプ
アンクランプ時
クランプ時
従属側レ−ルクランプ
アンクランプ時
(DCSS)
(φ28x16)
(φ28x16)