CP-733E-03 - 第232页
34.3.エアー配管図(DCPI) 34.3.Pneumatic circuit diagram(DCPI) 番号 図番 & コード番号 個数 品名 規格 備考 材質 No. Drg.No. & Code No. QTY Description Rating Remarks Materials 8 A4063E 1 ELBOW エルボ QMQ6-5M812 OT 18 H1066K 1 VALVE, SOL バルフ…

Ref.P34-1
X3
(φ12x25)
L3
φ6
φ6
B1
φ8
B A
C30
φ6
C29
φ6
C46
φ6
C45
φ6
C32
φ6
C31
φ6
C48
φ6
C47
φ6
AB
INキャリア前後
キャリア受取時
(φ16x530)
Outキャリア前後
キャリア受渡し時
(φ16x478.5)
φ6
L2
L1
φ6
φ6
C2
φ6
C16
φ6
C15
φ6
C17
φ6
C1
φ6
C3
φ6
C4
φ6
C6
φ6 C5 φ6 C18
φ6
C7
φ6
C11
φ6
C12
φ6
C13
φ6
C14
φ6
C8
φ6
C9
φ6
C10
φ6
C21
φ6
C25
φ6
C26
φ6
C27
φ6
C28
φ6
C19
φ6
C20
φ6
C23
φ6
C24
φ6
C22
基準側
従属側
INキャリア開閉
While career close
Back side
Back side
Operator side
Operator side
While career close
While career receive
IN career fwd/bwd Out career fwd/bwd
While career delivery
IN career open/close OUT career open/close
キャリア閉時
(φ16x15)
Outキャリア開閉
キャリア閉時
(φ16x15)
(φ12x25)
(φ32x15)
AB
C33
φ6
C34
φ6
L4
φ6
L5
A
B
AB
A B
AB
φ6
C36
C35
φ6
C33
φ6
C34
φ6
φ6
C36
C35
φ6
INリフタ−上下
IN lifter up/down
While lifer down While lifer down
While stopper off While stopper off
While stopper off
Out lifter up/down
Out conveyor second board stopper
IN conveyor second board stopper
IN conveyor first board stopper
リフタ−下降時
(φ32x15)
Outリフタ−上下
リフタ−下降時
(φ12x20)
99
44 44
44
44
22
21
96 969696
96 96 96 96
24
25
24
8
24 24
基準側
従属側
96 96
110
111 111 111 111
108
110
109
110
108
110
109
9696
96 96 96 96
26 27
363636
31
36
24 24
24 24
106
106
106
106
106
106
100
107
107
107
107
100
100
100
106
106
22
99 99
99
C41
φ4
C42
φ4
C37
φ4
C38
φ4
A
B
AB
φ4
C44
φ4
C39
φ4
φ4
C49 C50
φ4
C40
C37
φ4
C38
φ4
φ4
C39
φ4
C40
C43
φ4
103
38 39
39
38
75
75 75
75
23
21
7777
76
18
29
29
75
75
23
28
103
103
105
105
104
104
103
Board loading
Left-to-right board flow
基板ローダー
(DCQL)
正流れ
Board conveyor
基板搬送
(DCQC)
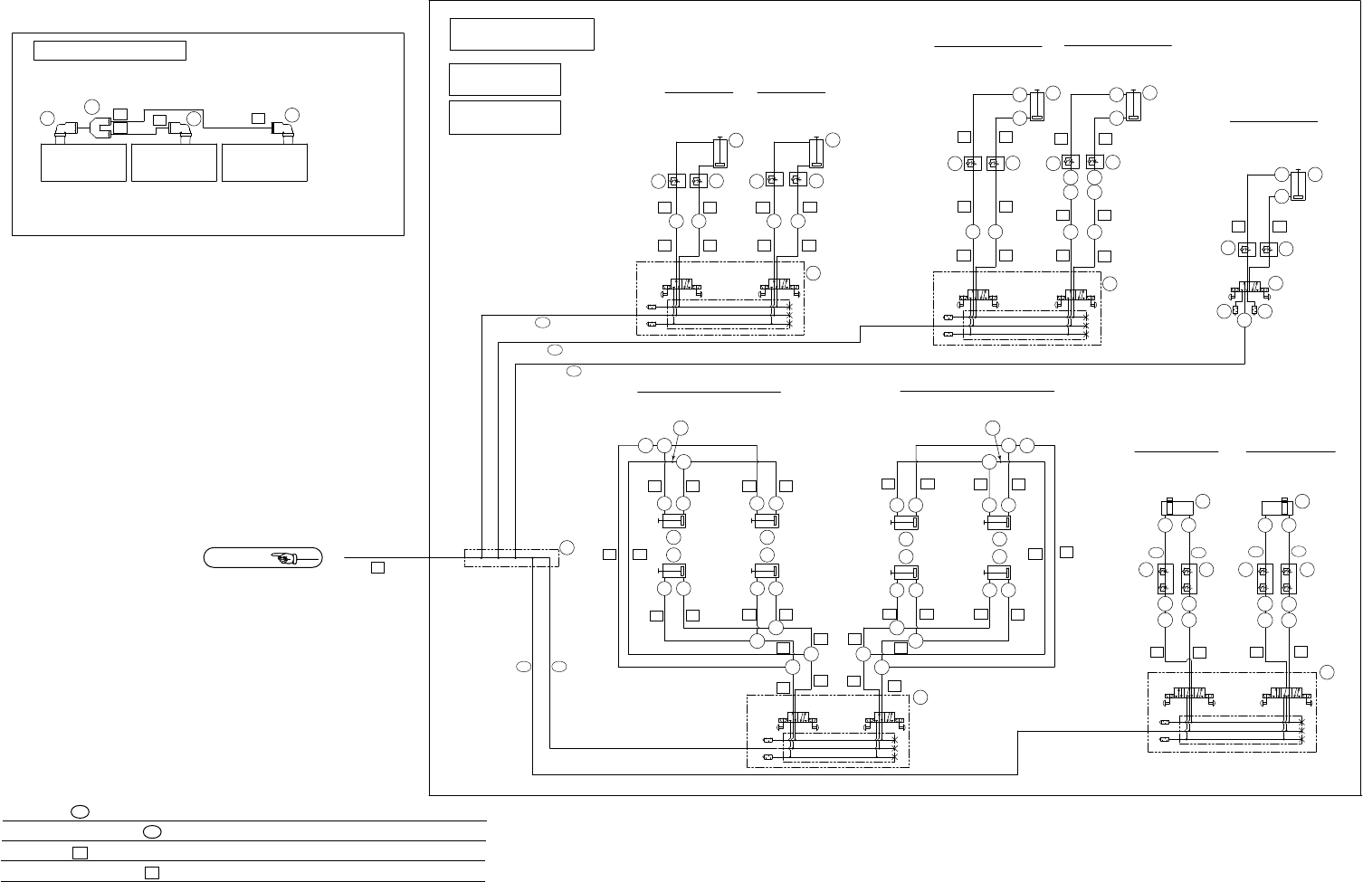
配管NO.を で囲んだものは配管にマーカーを1個組み付け
Numbers enclosed by are attached with a marker.
Numbers enclosed by are attached with a marker at both ends.
配管NO.を で囲んだものは配管の両端にマーカーをそれぞれ1個組み付け
Out2枚目ストッパ
IN2枚目ストッパ
IN1枚目ストッパ
ストッパ切り時 ストッパ切り時
ストッパ切り時
208
176
165
175
161
175
161
175
161
183
162
176
167
175
161
13
13
B
A
139
26
ノズルインデックス
73
オイル配管エア抜き(DCPA)
DCPI0180
マーカ
図は模式図です。
ユニオンは水平に取付けて下さい。
(注意)
オイルクーラー
DCPA2090
DCPA0021
DCPA1131
θインデックス
(SMC)
TU0604B-20
WPA1810(2本/1台)
φ6ホース
73
73
117
B3
B3
B3
B3
直結
φ6
φ6
A
34 - 6
34.3.エアー配管図(DCPI)
34.3.Pneumatic circuit diagram(DCPI)
34.3.エアー配管図(DCPI)
34.3.Pneumatic circuit diagram(DCPI)
CP-733E,CP-732E PARTS LIST

34.3.エアー配管図(DCPI)
34.3.Pneumatic circuit diagram(DCPI)
番号 図番 & コード番号 個数 品名 規格 備考 材質
No. Drg.No. & Code No. QTY Description Rating Remarks Materials
8 A4063E 1 ELBOW エルボ QMQ6-5M812 OT
18 H1066K 1 VALVE, SOL バルブ SOL F10T2-F4-PL3-DC24V OT
21 ACSQL0240 2 VALVE, SOL バルブ SOL OT
22 S2210A 2 CYLINDER, AIR シリンダ エアー CDAS32X15-ZE202B2 OT
23 S2208A 2 CYLINDER, AIR シリンダ エアー CDQSB12-25DC-F9NWVL OT
24 S2209A 8 CYLINDER, AIR シリンダ エアー CDAS16X15-ZE202B1 OT
25 ACSQL0230 1 VALVE, SOL バルブ SOL OT
26 DCQL0030 1
SILENCER, RODLESS
シリンダ ロッドレス OT
27 DCQL0040 1
SILENCER, RODLESS
シリンダ ロッドレス OT
28 S2207A 1 CYLINDER, AIR シリンダ エアー CDQSB12-20DC-F9NWVL OT
29 K5337W 2
CONTROLLER, SPEED
コントローラ スピード AS1211F-M5-04S(シロ) OT
31 ACSQL0250 1 VALVE, SOL バルブ SOL OT
36 K5335F 4
CONTROLLER, SPEED
コントローラ スピード ASD330F-01-06S(シロ) OT
38 K5335A 2
CONTROLLER, SPEED
コントローラ スピード JSU 4 OT
39 K5337G 2
CONTROLLER, SPEED
コントローラ スピード AS1201F-M5-04(シロ) OT
43 DCPU0190 1 CYLINDER, AIR シリンダ エアー OT
44 K5347W 4
CONTROLLER, SPEED
コントローラ スピード AS2301F-01-06S(シロ) OT
75 A4068H 6 ELBOW エルボ M-5ALU-4 OT
77 S1058A 2
SILENCER
サイレンサ AN120-M5 OT
96 Y3079N 19
UNION, ELBOW
ユニオン エルボ KQ2L06-M5 OT
99 Y3067A 6 UNION ユニオン KQ2H06-00 OT
100 Y3066X 5
UNION
ユニオン KQ2E06-01 OT
103 Y30667 4 UNION ユニオン KQ2H-04-00 OT
104 Y3061E 2 UNION, HALF ユニオン ハーフ KJS04-M5(シロ) OT
105 Y3044A 2
UNION
ユニオン M-5E OT
106 Y3075A 8
UNION
ユニオン KQ2U06-00 OT
107 K50764 4
CONNECTOR
コネクタ KQ2U06-01S OT
108 Y3079H 2 UNION, ELBOW ユニオン エルボ KQ2L06-99 OT
109 Y3081Y 2 UNION, ELBOW ユニオン エルボ KQ2W06-99 OT
110 Y3066X 4 UNION ユニオン KQ2E06-01 OT
111 Y3061W 4 UNION, HALF ユニオン ハーフ KJS06-M5(シロ) ・ OT .
CP-733E,CP-732E PARTS LIST
34 - 7
34.3.エアー配管図(DCPI)
34.3.Pneumatic circuit diagram(DCPI)

34 - 8
34.4.エアー配管図(DCPI)
34.4.Pneumatic circuit diagram(DCPI)
34.4.エアー配管図(DCPI)
34.4.Pneumatic circuit diagram(DCPI)
CP-733E,CP-732E PARTS LIST
Ref.P34-1
X2.2
PCU
BA
D5
D6
BA
BA
D4
D3
φ6
D10
B1
φ8
:D1
:D2
:D1
:D2
B
A
D2
D1
While unclamp
PCUクランプ(L)
アンクランプ時
PCU Clamp(L)
While pallet down
パレット上下
パレット下降時
Pallet up/down
While stopper off
テ−ブルストッパ
ストッパ切り時
Table stopper
While unclamp
PCUクランプ(R)
アンクランプ時
PCU Clamp(R)
1
2
12
5
17
17
15
16
14
14 14
15
16
14
3 4
8
8
7
7
φ8
φ8 φ8
φ8 φ8
D5
D6
φ8 φ8
BA
D7
D8
5
17
17
15
16
15
15 15
18
11
15
16
15
φ8 φ8
D7
D8
φ8 φ8
φ8
D1 Axis
D1 軸
(DCSD)
D2 Axis
D2 軸
(DCSD)
配管NO.を で囲んだものは配管にマーカーを1個組み付け
Numbers enclosed by are attached with a marker.
Numbers enclosed by are attached with a marker at both ends.
配管NO.を で囲んだものは配管の両端にマーカーをそれぞれ1個組み付け
B
C