SM320 Technical Reference_CS_Ver - 第16页
A irAss'y(D) 16 Page SAMSUNGTECHWIN D 3 5 4 6 1 - D 1 - H 1 - B 1 - A 3 3 3 3 3 4 4 4 4 4 2 2 2 2 2 2 7 1 1 - J 1 -K 1 - L 1 - H 1 - I 1 - I 1 - C 1 - C 1 - C 1 - C 1 - C 1 - C 1 - B 1 - B 1 - B 1 - B 1 - B 1 - …

A
irAss'y(C)
15
Page
SAMSUNGTECHWIN
NO. LEVEL PART NO. PART NAME Q'TY TYPE Old No. Stock Reference
狂
art
List
)
N0o
LEVEL
PART
N0o
PART
NAME
Q'TY
TYPE
Old
NOo
Stock
Reference
1
J7458001B
SOL
VALVE
MODULE
J7458001B
1-A
J6704006A
MANI
I
FOLD
BLOCK
[
SY31
20-20-
KRW0098
1-B
J6702036A
SOL
VALVE
4
SY3120-5LZ-M5
1-C
J
1300067
SILENCER
2
AN101-01
1-D
J6711157A
FITTING
1
KQ2L08-01S
1-E
J6703038A
SPEED
CON
2
AS1211F-M5-06
1-F
J1
300279
FITTING
6
KQ2S04-M5
1-G
J6712015A
PLUG
FITTING
1
M-5P
1-H
J6702035A
SOL
VALVE
1
VQ110U-5M
1-1
J1
3011
88
ELBOW
FITTING
1
KQ2L04-M5
2
J
1300277
FITTING
[
KQ2L06-M5/PL6-M5M
3
J6709018A
REGULATOR
[
AR10-M5BG
4
J1
3011
88
FITTING
2
KQ2L04-M5/PL4-M5M/SQL04-M5
5
J6701037B
EDGE
CYL
I
NDER
[
CQ2B12-KRC0137-2D
6
JI
300620
SPEED
CONTROLLER
[
AS2001F-04
7
J6711133A
UNION
Y
FITTING
1
KJU04-99
8
JI
3011
81
BOB
ELBOW
FITTING
2
M-5ALU-4
9
JI
301361
AIR
CYLINDER
2
CJPB6-10H4-B
10
J6703028A
SPEED
CONTROLLER
2
SS4-M5MA
11
J9080778B
ANC
SENSOR
CABLE
ASS'
Y
1
SM-CV010
12
JI
301
354
THROTTLE
VALVE
STRAI
GHT
1
AS1
201
F-M5-04-X21
4/JNC4-M5
13
J6701018B
STOPPER
CYLINDER
1
1
WTS10*30-RS2
14
J1
301
189
ELBOW
FITTING
2
KQ2L06-02/PL6-02
15
J6701039A
AIR
CYLINDER
1
CA1B40*30
16
J
1301
699
PLUG
1
KQ2P-06(0LD:
KQP04-X19)
17
18

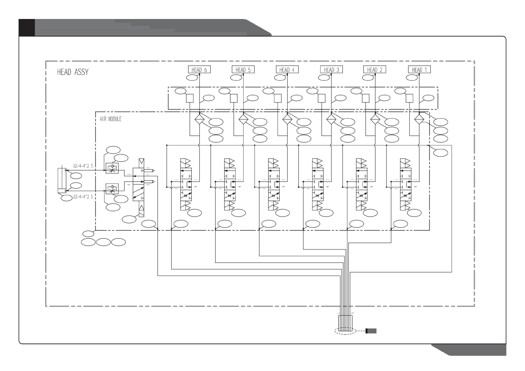
A
irAss'y(D)
16
Page
SAMSUNGTECHWIN
D
3
5
4
6
1 -D
1 -H
1 -B
1 -A
3 33 33
44 4 44
2 222 22
7
1
1 -J 1 -K 1 -L
1 -H
1 -I
1 -I
1 -C 1 -C1 -C1 -C1 -C1 -C
1 -B 1 -B1 -B1 -B1 -B 1 -B
1 -G
1 -E
1 -F
1 -G
1 -E
1 -F
1 -G
1 -E
1 -F
1 -G
1 -E
1 -F
1 -G
1 -E
1 -F
1 -G
1 -E
1 -F
HEAD
ASSY
Q
E
卜
玉 玉
U2-4-4*2.5
卜
卜 卜
卜
卜
=1>
OOO
A
、
FI%
MODULE
o
七
2)也-4-4*21
I
HEA?
4
|
o
I
HEAP
6
|
CT
I
画
1
I
。
|
面
3
|
CT
I
HEA.D
5
|
。
I
HEA.D
2
|
CT

J9055246D J9055246C
J9055246D
A
irAss'y(D)
17
Page
SAMSUNGTECHWIN
NO. LEVEL PART NO. PART NAME Q'TY TYPE Old No. Stock Reference
狂
art
List
)
N0o
LEVEL
PART
N0o
PART
NAME
Q'TY
TYPE
Old
NOo
Stock
Reference
1
Al
R
MODULE
[
1-A
J6711260A
ONE
TOUCH
FITTING
2
FSE04-M5C
1-B
J6711261A
ONE
TOUCH
FITTING
7
FSC04-M5C
1-C
J6702048A
SOLENOID
VALVE
6
VA01PEP34-1U-F
1-D
J6702049A
SOLENOID
VALVE
1
RCS242-M3-D24NP
1-E
J6708021A
VACUUM
FILTER
6
LF-M5-60-ZK
1-F
J7458002A
FILTER
ELEMENT
6
LF-M5-60-Z-ELEMENT
1-G
J6711262A
MINI
FITTING
6
BC-03-M5
1-H
J6703039A
SPEED
CONTROLLER
2
SPR-Z-M3N
1-1
J6711263A
MINI
FITTING
2
BE-04-M3
1-J
J6705009A
SI
LENCER
]
AS-5
1-K
STEEL
BALL
2.4
BALL
2.4
1-L
J6712016A
PLUG
1
N220
1900J
2
J6713022B
COIL
TUBE
(POLYURETHANE)
J6713022B
3
J6711180B
ROTARY
JOINT
6
RC3-M5M-STN
4
J3204002A
PRESSURE
SENSOR
6
MPX5100AP
5
J
13001
20
FITTING
M-5HL-4
6
J6711156A
HOSE
NIPPLE
(D/C)
[
M-5H-4
7
J9080762A
SI
DE
I
LL
U/D
SENSOR
CABLE
ASS'
Y
SM-HD006
8
9
10
11
12
13
14
15