DECAN_F2_S2_TRM(Ver7.4_CS20.12) - 第189页
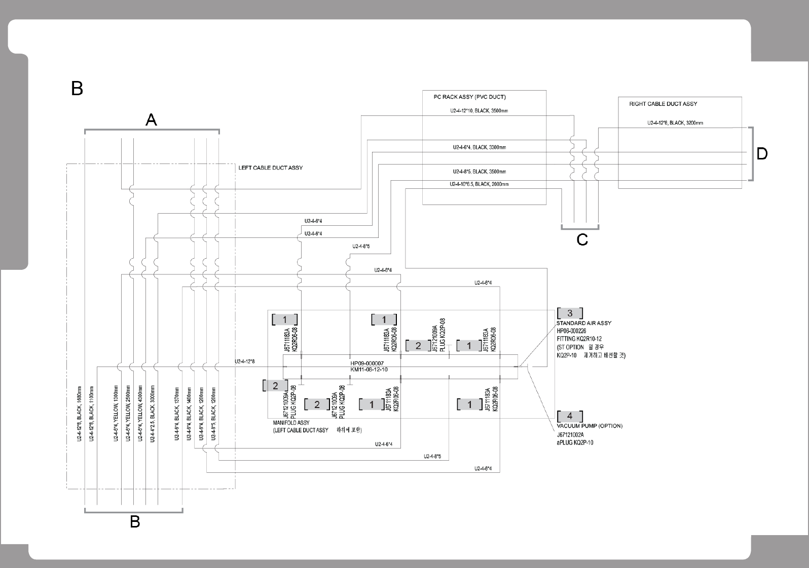
Page +$1:+$ 185 DECAN F2/S2 Air (2/6) NO. P ART NO. P ART NAME Q'TY Old No. Supply Supply L T Reference 1 AM03-010745A FIL TER_ASSY 1 2 HP04-000179 MIST SEPERA TOR 1 3 HP04-00 0178 FIL TER 1 4 HP06-90021 1 FITTING 1…

Page
+$1:+$
184
DECAN
F2/S2
Air (2/6)

Page
+$1:+$
185
DECAN
F2/S2
Air (2/6)
NO. PART NO. PART NAME Q'TY Old No. Supply Supply LT Reference
1 AM03-010745A FILTER_ASSY 1
2 HP04-000179 MIST SEPERATOR 1
3 HP04-000178 FILTER 1
4 HP06-900211 FITTING 1
5 HP06-900187 FITTING 1
6 HP06-900014 FITTING 1
7 HP06-900018 FITTING 1
8 FC14-900724 PLUG 1
9 HP14-900026 SOLENOID VALVE 1
10 HP14-900092 CHECK VALVE 1
11 HP06-900271 UNION Y FITTING 1
12 HP09-900163 SILENCER 1
13 HP14-900026 SOLENOID VALVE 1
14 HP06-900048 ELBOW FITTING 1
15 HP06-900027 FITTING 1
16 HP06-900293 ELBOW FITTING 1
17 HP06-900299 COUPLER 1
18 J9057172B DOCKING BLOCK ASSY(RIGHT) 1
19 HP06-900300 PLUG 1
20 J9057180A DOCKING CART ASSY 1
21 HP14-900090 SPEED CON 1
22 HP06-900027 FITTING 1
23 J9057168B DOCKING BLOCK ASSY(LEFT) 1
24 HP14-900089 VALVE,CONTROL 1
25 J6711019A UNION Y FITTING 1

Page
+$1:+$
186
DECAN
F2/S2
Air (3/6)