DECAN_F2_S2_TRM(Ver7.4_CS20.12) - 第200页
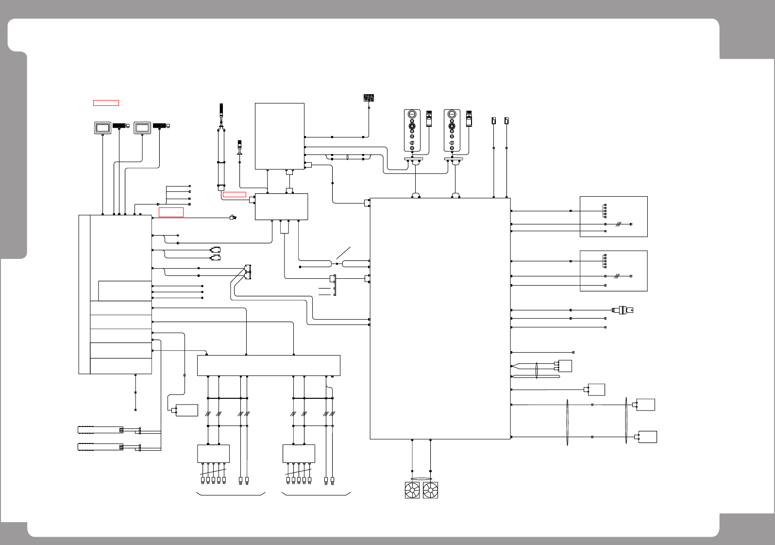
Page +$1:+$ 196 DECAN F2/S2 Harness Wiring Diagram (1/9) AM03-014710B SM511C_PW202 AM03-014712A SM511C_PW1 12 TOWER LAMP FL Y CAMERA1~5 AM03-005553A G LOCK R S T M E E CHANGE F/FEEDER RESET 0N STOP START READY E O P C N …

Page
+$1:+$
195
DECAN
F2/S2

Page
+$1:+$
196
DECAN
F2/S2
Harness Wiring Diagram (1/9)
AM03-014710B
SM511C_PW202
AM03-014712A
SM511C_PW112
TOWER LAMP
FLY CAMERA1~5
AM03-005553A
G
LOCK
R
S
T
M
E
E
CHANGE
F/FEEDER
RESET
0N
STOP
START
READY
E
O
P
C
N
Y
RESET
F/FEEDER
CHANGE
STOP
START
READY
P
O
T
S
Y
N
C
E
E
E
M
R
G
<FRONT-OP> <REAR-OP>
LOCK
0N
CPCI 6U RACK
USB1VGA1
SBC
<FRONT>
<REAR>
PCIE ADAPTER
PCIE X1 2MR
PCIE X1 3MR
PCIE X1 3MR
AXIO B/D #1-CN1
AXIO B/D #2-CN1
AXIO B/D #3-CN1
AM03-010874A
AM03-014335A
NT-A8 #1
NT-A8 #2
PC POWER SUPPLY
AM03-014387A
AM03-014758A
SAFETY CONTROL B/D
CN30
CN3
F-OP
CN31
CN3
R-OP
[SC]
CN34
T-BOX
FRONT
CN36
T-BOX
REAR
AM03-010838B
P1 P2
COM1
COM2
COM3
COM4
COM5
CN4 CN9
PWR(12V)
AXIO#1-CN2
AXIO #2 B/D-CN2
AM03-014763A
SM400 VISION IF B/D
CN1
CN1
FIDUCIAL CAMERA
SM400 CAMERA IO B/D#1
[FID1]
CN1CN3
AM03-014759B
CN6CN8
AM03-014761B
AM03-014768A
CN5
AM03-014762B
CN10
AM03-014769A
SM511_FD001-18
SM511_FL002-16.17
SM511_FL001-16.17
AM03-005551A
IT MASTER
CN1(12V)
AM03-014384A
AM03-014765A
AM03-005543B
AM03-005548A
FLY CAMERA1~5
FIDUCIAL CAMERA
HEAD1 HEAD2
CN11
CN1
입력
CN10
CN11
CN21
CN27
CN28
CN25
CN26
CN2 CN7
HD1-CN1
HD2-CN1
CONV I/F B/D
[CV]
AM03-010857B
[SUB]
CONV.SUB I/F B/D
CN32
CN28
AM03-010836C
CN6
CN1
CN18
CN3
AM03-010850A
CN17
CN2
START,FFD,RFD
CN7
CN4
CN2
AM03-010906B
START,STOP,RESET,FFD
CN5
AM03-010907B
START,STOP,RESET,FFD
CN2
AM03-010078A
AM03-010078A
CN7
CN13
AM03-010842B
CN8
AM03-010854B
SM511_CV126-1
AIR SENSOR
CN29
CN3
CN1
CN4
CN1
CN6
CN13
EM,READY,DOOR,FSO
[VIS]
CN24
FL1-15
FL1-15
SM511_FD002-18
121234 5
CN18
MC1
21
22
+A1
-A2
CN19
J90831335
AM03-014760B
AM03-005544B
J4R-3
J4R-4
J9L-3
J9L-4
AM03-010843B
J6R-2
SM48_CV026-1
J11L-2
AM03-010837B
J6R-3
J6R-4
J11L-3
J11L-4
AM03-010908B
AM03-010905B
AM03-010905B
AM03-014977A
T6L(3.4)
T6L(1,2)
AM03-010952B
AM03-010953B
AM03-005528A
AXIO#3-CN2
REAR R DRIVER-PW
FRONT R DRIVER-PW
21/22
JUMPER
AM03-005553A
P1 P2
COM1
COM2
COM3
COM4
COM5
SM400 CAMERA IO B/D#2
[FID2]
AM03-005551A
AM03-005543B
AM03-005548A
1212345
AM03-005544B
AM03-010986D
R PANEL LAN
AM03-014705A
FFD-CN4
AM03-014385A
PWR
AM03-010871A
CAN
J1R
CN26 CN27
J1R-3
J1R-4
AM03-010867B
AM03-010947B
AM03-010948B
AM03-010959A
AM03-010960B
AM03-010949A
AM03-010950A
AM03-010957A
AM03-010958B
CN33
CN35
CN20
CN22
RFD-CN4
SC-J1R
CN4
AM03-010961A
F/R T-BOX HOST
AM03-010839A
AM03-010840A
AM03-010841B
F.R-DRV-PW
AM03-010954A
HD1-PW
PWR(24V)
PWR(24V)
PWR(24V)
FFD-PWR
AM03-010866C
PWR(24V)
PWR(24V)
PWR(24V)
HD2-PW
R.R-DRV-PW
VGA
VGA
AM03-010795A
TW-LP
TW-BZ
J9LJ4R
PC-232-EXT
R-PW-PANEL
DOOR.FFD.READY.START
DSTOP.RESET SW
J6R
AM03-010859A
J11L
AIRSEN
AM03-010859A
(DC BRK)
FLY1-PWFLY-PW
FLY-CAM FLY1-CAM
FID1-CAM1
FID1-CAM2
F.Y-BRK
F.HD-BRK R.HD-BRK
R.Y-BRK
FID-CAM1
FID-CAM2
FLY2-PWFLY-PW
FLY-CAM FLY2-CAM
FID2-CAM1
FID2-CAM2
FID-CAM1
FID-CAM2
PWR(24V)
PWR(24V)
PWR(24V)
F.XY MODULE
R.XY MODULE
13
14
(24G)
(+24V)
CN23
SAFEGUARD OVERRIDE KEY
AX-CN1
AM03-010951A
AM03-011671A
CN5
CN-FSO
AM03-010079A
PS1+24V
PS1-24G
PS2+24V
PS2-24G
PS1
PS2
PS2+24V
PS2-24G
PS2
REAR FEEDER BASE RIGHT B/D
JK1 JK2 JK3 JK4 JK5 JK6
JK7 JK8 JK9 JK10 JK11 JK12
JJ1 JJ2 JJ3 JJ4 JJ5 JJ6
JJ7 JJ8 JJ9 JJ10 JJ11 JJ12
AM03-000697A
AM03-000698A
CAN
PWR
CAN
PWR
REAR FEEDER BASE LEFT B/D
CAN_CH1_L
CAN_CH2_R
CAN_CH3_L
CAN_CH4_R
CAN
VGA2
CN6
AM03-010919B
LEFT-FAN
CN7
AM03-010920B
RIGHT-FAN
RIGHT LEFT
SM471_PW022
SUB-CN6/7
15S
15S
15S
15S
15S
15S
15S
15S
15P
9P
15P
9P
15P
9P
15P
9P
JST 20P
AM03-010954A
J1R-1
J1R-2
PWR(24V)
Molex 2p
Molex 2p
(HEAD AMP)
F ERROR LAMP
EP02-001746A
F-OW-LAMP
PWR
PWR
AM03-011245C
CV-RFD-PWR
5557-10R/5559-10P
X
X
ADD THE DOCKING CART BRACKET
LAN1
F BARCODR
SM511_IT001
R BARCODR
AM03-011246B
RY11
AM03-011272A
CN2
입력
SM511_FD001-18
SM511_FL002-16.17
SM511_FL001-16.17
SM511_FD002-18
HD1
HD2
CN3
CN2
CN1
FAN
RACK FAN
RACK-FAN-EXT
CV-CN16
AM03-012401A
AM03-010848C
ONLY DUAL CONVEYOR
SM511_KV003-3
SM471_PC007
SM511C_KV003-2
SM48C_PC003
SM511C_PC003-1
SM511_IT003
OPTION
SM511_CV104
SM511_CV104-1
SM511_CA202
AM03-010868A
SM511_VM111
SM511_IT004
SM48C_IT005
SM48C_VIS000
SM511C_VIS012
SM511C_VIS012-2
SM511_CV109-3
SM511_CV109-1
SM_FD025
SM_FD024
SM511C_VIS001-1
SM511C_VIS005
SM511C_VIS007
SM511C_VIS008
SM511C_VIS010
SM511C_VIS001-2
SM471_VIS009
SM471_VIS002-1
SM471_VIS006
SM471_VIS002-2
SM471_VIS009
SM471_VIS002-1
SM471_VIS006
SM471_VIS002-2
SM471_VIS011 SM471_VIS011
SM511_CV003
SM511_CV113
SM511_OP103
SM511_OP104
SM511_CV126
AM03-007638A
SM511_SC105
SM511_CV202
SM511_CV202
AM03-010855C
SM511_SC105-1
SM511_CV023-5
SM33_OP005
SM33_OP005
SM511_CV023-4
SM511_OP001
SM511_OP001
SM511-SC001
SM511-SC002
SM511_CV034
SM511_CV035
SM511_OP104-1
SM511_SC122
SM511_SC123
SM511_SC007-2
SM511-SC007-3
SM511_SC120
SM511_SC121
SM511_SC111-2
SM511_SC111-2
SM511_FD101-1
SM511_FD101
SM511-SC009
SM511_AX001
SM411_SC008
SM41_SC006
SM471_SC007-1
SM511C_PW044
SM511-PW033
SM511_PW020
SM511_PW021
SM511_CV132
SM511_SC204
SM511_CV101 SM51-1_CV101-1
V1+_BASE_343
AM03-014773A
SM511C_FX-007
AM03-012484A
PMC2-EXT
COM5/6
SM511_VM101
PMC1-EXT
Tray Feeder-1
TF-CH1
COM1/2
COM3/4
AM03-003686A
SM421_VM101-1
Tray Feeder-2
TF-CH2
AM03-003689A
SM421_VM102-1
CN14
CN15
MULTIPORT SCAN
L/R-CN1
USB2
USB3
USB4
SS1-1
SC-CN9
J59001009A
USB RS232 CONVERTER
AM03-014335A
SM471_PC007
AM03-014629A
SM48C_IT005-1

Page
+$1:+$
197
DECAN
F2/S2
Harness Wiring Diagram (2/9)
F-FEEDER I/F
BOARD
CONVEYOR I/F
BOARD
SM411P HEAD IF B/D
CN5
CN6
CAN
CN4
CN2
J9080853B
J9080852D
J9080857B
AM03-010866C
J9080855B
J9080854C
FEEDER INPUT
CN3
CN2
EXT.BOARD
CN11
CN21
Z12 AMP
Front R DRIVER
Z1 Z2 Z3 Z4
CN11
(50W)
F.SW
AP5 AXIS IO BOARD #2
[AXIO#2]
CN12
AM03-005564A
CN5
CN6
CN3 CN1
CN10
CN4 CN2
CN13
CN14
CN5
CN6
CN3 CN1 CN4 CN2
Z5 Z6
CN15 CN16
CN5
CN6
CN3 CN1 CN4 CN2
Z7 Z8
CN17 CN18
CN5
CN6
CN3 CN1 CN4 CN2
Z9 Z10
CN19 CN20
CN5
CN6
CN3 CN1 CN4 CN2
CN1
CN22 CN23 CN26
CN5
CN2
PWR
SACO-CN28
CN3
CAN
AM03-010982A
[FFD]
AM03-005565A
CN10
AM03-011248A
CN10
AM03-011249A
CN10
AM03-011250A
CN10
AM03-010924A
AM03-010924A
AM03-010924A
[HD1]
CN1
[CV]
[FD_EXT]
CN13
AM03-000765A
AM03-000764A
CAN
PWR
CAN
PWR
AM03-010791B
F-HD-CAN
AM03-010788B
CN9
CN20
AM03-010844B
INLINE BEFORE(F)
CN16
RANC-EXT
R-ANC
CN19
AM03-010856D
CRASH-SEN
CRASH SENSOR
CN1
SM411P FRONT MOTOR IF B/D
[FMOT]
CN11
Z34 AMP Z56 AMP Z78 AMP Z910 AMP
CN12 CN13 CN14 CN15 CN23 CN21
CN24 CN25
CN1 CN1 CN1 CN1
CN22
R1 R2 R3 R4
R5
CN19 CN20CN18CN17CN16
CN7 CN9
CN1
CN6 CN2 CN7 CN3 CN8 CN4 CN9 CN5 CN10 CN24
AM03-010892A
AM03-010893A
AM03-010894A
AM03-010895A
AM03-010896A
AM03-010897A
AM03-010898A
AM03-010899A
AM03-010900A
AM03-010901A
AM03-005618A
AM03-005619A
AM03-005620A
AM03-005621A
AM03-005622A
FSW-EN
FSW-PWR
AM03-005611A
SM511_FL001-6.7
SM471_PW016
FRONT
CAN
CN2
CAN
CN7
JK1 JK2 JK3 JK4 JK5 JK6
JK7 JK8 JK9 JK10 JK11 JK12
JJ1 JJ2 JJ3 JJ4 JJ5 JJ6
JJ7 JJ8 JJ9 JJ10 JJ11 JJ12
FRONT FEEDER BASE LEFT B/D
FRONT FEEDER BASE RIGHT B/D
FD-CN7
PCIE X1
CN4CN19CN18
Z1~Z8 HOME
Z9~Z10, R1~R5, SW HOME
CN1
PWR
SM33_CV010
F-ANC
CN21
AM03-010851B
FAREA-E
FAREA-R
SM33_CV016
FRONT AREA SENSOR
J6R-1
J90831141A
REAR AREA SENSOR
AM03-003542A
J90831151C
CAN
CN3
PCIE ADAPTER #2
AM03-010871A
CAN
PWR
CAN
PWR
SM511_FL002-4
Z1~Z8 HOME
Z9~Z10, R1~R5, SW HOME
CN12
CN15
MC2
TH-N12
AM03-010789B
AM03-010795A
AM03-010848E
AM03-010847A
AM03-010849B
J5R-2
AM03-010852B
J10L-2
AM03-010853B
J11L-1
AM03-010859A
PC RACK
PWR
AM03-010935A
SM471_VI006
SACO-CN25
AM03-010812B
AM03-010942D
AM03-010867B
AM03-010888B
AM03-014688A
AM03-010959A
AM03-010949A
AM03-010980A
FFD-PWR
J6R J11L
J5R J10L
AM03-010858A
PS3
+24V
24G
AM03-010924A
VAC.
VAC.VAC.
VAC.
H1 H2
H3 H4
SM411P VACUUM SENSOR B'D(H1~H10)
H5
VAC. VAC.
CN1
[VAC]
VAC.
H6 H7
H9H8
VAC. VAC.
H10
VAC.
CN16
H1~10 VAC SOL
CN15
H1~10 BLOW SOL
CN14
CN12
Z1~5 HOME
CN11
Z6~10 HOME
CN9
SW HOME
CN13
OVER BLOW
CN10
R1~5 HOME
CN8
ILL
ILL
ILL
ILL
ILL
FIDUCIAL ILL #1
CN17
FIDUCIAL ILL #2
OUTER/INNER
OUTER/INNER
CN6
CN7
CN20
COAX
AM03-005584A
AM03-005585A
AM03-005586A
AM03-005580A
AM03-005581A
AM03-005583A
AM03-005587A
AM03-005582B
AM03-005590B
AM03-005593B
AM03-005598A
SIDE-A
SIDE-B
OUT-AA
OUT-BA
OUT-AB
OUT-BB
H1~H6(VAC,BLOW H7~H8(VAC.BLOW)
H1H6-VAC
H7H10-VAC
F-HD-SOL
F-HD-SOL
HD-SOL-EXT
AXIO#1-CN5
AXIO#1-CN6
CN7
AM03-010798A
CN5
R-HD-SOL
SM511_VI104 SM511_VI104 -1
PUMP-PWR
AM03-010943A
PUMP-ALARM
VACCUM-AIR
AM03-010940A
AM03-010941A
FANC-EXT
FA-OP
FA-CL
RA-CL
RA-OP
CRASH_SEN
CN5
J5R-3 J10L-3
AM03-010805C
AM03-010806C
AM03-011606A
R ANC-SOL
AM03-011605A
F ANC-SOL
FANC-SOL
RANC-SOL
RAREA-R
RAREA-E
[AX]
CN8
CN12
CN14
W STP UP/DN
W BUT
CN4
AM03-010841B
RFD-CN4
CN2
CN3
J4R-1
J4R
J9L-1
J9L
J8L-1 J3R-1
AM03-010786B AM03-010794A AM03-010785B
CAN
CN20
CN22
[SC]
CN21
IT MASTER
AM03-010871A
CAN_CH1_L
CAN_CH2_R
BD_PW
BD_PW
CN8
EXIT-STP-SOL2
EXIT STOP SOL2
IN STOP SOL2
IN-STP-SOL2
AM03-010807B
AM03-010808B
CV-CN15-IN
CV-CN15-EXIT
AFTER
BEFORE
INLINE AFTER(F)
CN8
CN22
AM03-010845A
AFTER(R)
BEFORE(R)
INLINE BEFORE(R)
AM03-010846A
INLINE AFTER(R)
J90831146B
(DC BRK)
(DC BRK)
J8L J3R
HD1-PW
JST 6P
5557-04R/5559-04P
AM03-010822D
AM03-010829D
L-CV-30P
R-CV-30P
R PCB IN/WAIT.OUT SEN
R PCB EXIT/WAIT.B/D OUT SEN
CAN
CAN
(DC BRK)
R ERROR LAMP
R-OW-LAMP
F ERROR LAMP
F-OW-LAMP
CN6
AM03-010836B
F LOOF FAN
R LOOF FAN
F-LOOF-FAN
R-LOOF-FAN
SUB-CN1
JST 6P
PWR
CV-RDF-PWR
PWR
5557-10P/5559-10R
AM03-011245C
V1_BASE_150
V1+_BASE_343
R1 R2 R3 R4 R5
DRIVER DRIVER DRIVER DRIVER DRIVER
PW PW PW PW PW
CN2 CN2 CN2 CN2 CN2
AM03-010954A
F.R-DRV-PW
AM03-010957A
SC-CN10
PWR
SM511_FL001-8.9
SM511_FL001-10.11
SM511_FL001-12.13
SM511_FL001-14
SM511_FL002-6.7
SM511_FL002-8.9
SM511_FL002-12
SM511_FL001-15
SM511_FL002-15
SM511_FL002-14
SM511_FL002-10.11
SM511_FL002-13
(C/V WORK)
(C/V WORK)
(C/V WORK)
(C/V WORK)
(C/V WORK)
(C/V WORK)
RACK-FAN-EXT
RACK-FAN
AM03-012401A
4->2
ONLY DUAL CONVEYOR
SM471_VM009-1
SM471_VM009-2
SM511_VM009-3
SM511_VM009-4
SM511_VM009-5
SM511_PW031
SM511_PW031
SM511_PW031
SM511_SC007-2
SM511_PW031
SM511_PW123
SM511_VM011
SM511_SC111-2 SM511_SC120
SM511_MD013
SM511_MD014_LIQI
SM511_SC122
SM511_VM006
SM511_MD019
SM511_MD020
SM511_MD021
SM511_MD022
SM511_MD023
SM511_MD024
SM511_MD024-1
SM511_MD024-2
SM511_MD024-3
SM511_MD024-4
SM471_MD038
SM471_MD039
SM471_MD040
SM471_MD040-1
SM471_MD040-2
SM471_MD025
SM471_VI006
SM511_VI104 SM511_VI104 -1
SM511_PW147-1
SM511_PW146
SM511_CS202
SM511_CS204
SM511_CS135
SM511_PW147
SM511_PW146-1
SM511_CA104
SM511_CS035
SM511_CV106-1
SM421_CV106-2
SM511_CV109-1
SM511_CV107
SM511_CV107-1
SM33_CV024
J90834437A
SM511_CV131
SM511_CV115
SM33_CV018
SM33_CV030
SM511_CV109
SM511_CV109-2
SM511_CV117-1SM511_CV202
SM511_CV109-3
SM511_CA102
SM33_CV016
SM511_CA102-1
SM511_CA202
SM511_CV115-1SM511_CV201
SM511_CS111
SM511_CS111-2
SM511_CS111-3
SM511_CS111-1
SM511_CV101
SM511_CS111-5
SM511_CS111-6
SM511_CV003
SM511_CV101-1
SM511_FD101
SM511_FD101-1
SM_FD013
SM_FD012
SM_FD015
SM_FD014
SM_FD023
SM_FD022
SM511_IT004
SM511_CA101-2 SM511_CA201 SM511_CA101-1
SM511_IT004
SM_FD017
SM471_HD004
SM471_HD005
SM471_HD006
SM471_HD003
SM471_HD003-1
SM471_HD008
SM471_HD009
SM471_HD007
SM471_HD010-3
SM471_HD010-6
SM471_HD010-11
J90831135A
SINGLE CONV.: +400mm
TB2-1B
RY1-3
AM03-014721A
SM511C_FD002
PS2
+24V 24G
AM03-014385A
SM48C_IT005
AM03-014629A
SM48C_IT005-1
Panasonic AC servo
SET
MODE
AM03-022398A
AM03-022398A
SM471_HD010-12
SM471_HD010-12