DECAN_F2_S2_TRM(Ver7.4_CS20.12) - 第210页
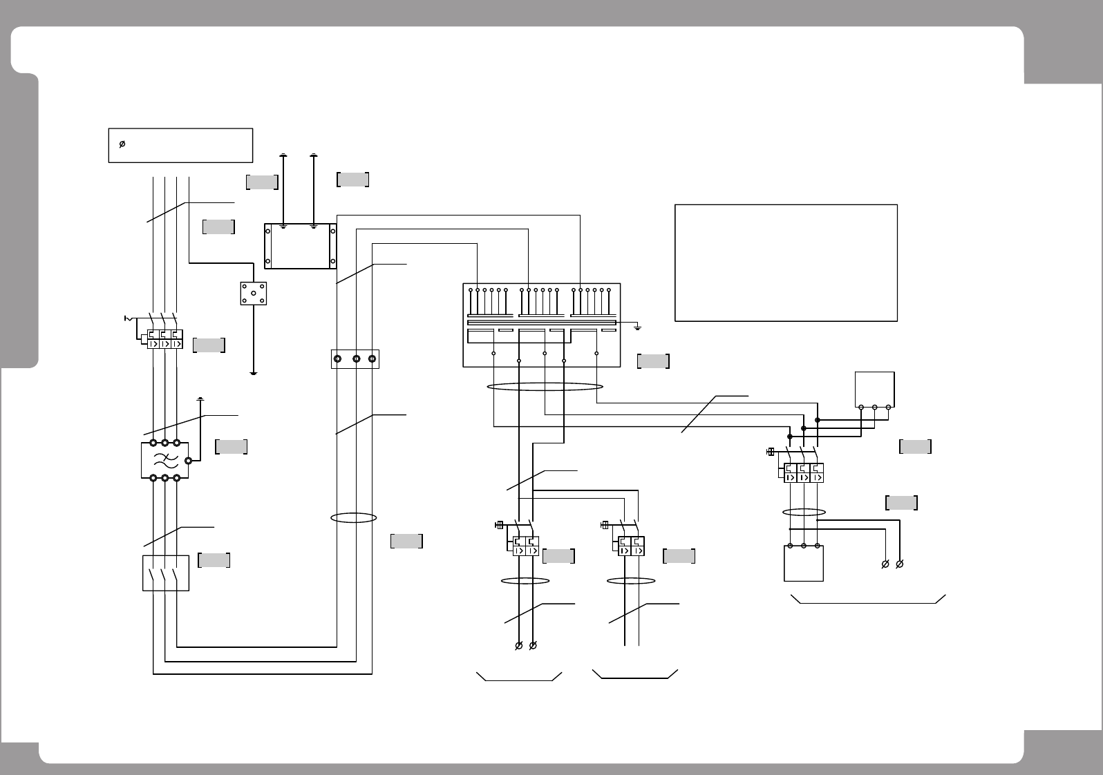
Page +$1:+$ 206 DECAN F2/S2 Electric Power (1/8) 2 2 2 2 PE02 2 2 2 2 2 PE01 PE8 F_HD_FG F_HD_FG R_HD_FG R_HD_FG 240 AM03-010917A AM03-010916A 2.5 mm 2.5 mm -MAIN S/W (600V AC,20A) L32 L33 L31 -NF1 (3Ø, 20A) L22 L21 L23 …

Page
+$1:+$
205
DECAN
F2/S2

Page
+$1:+$
206
DECAN
F2/S2
Electric Power (1/8)
2
2
2
2
PE02
2
2
2
2 2
PE01
PE8
F_HD_FG
F_HD_FG
R_HD_FG
R_HD_FG
240
AM03-010917A
AM03-010916A
2.5 mm
2.5 mm
-MAIN S/W
(600VAC,20A)
L32
L33
L31
-NF1
(3Ø, 20A)
L22
L21
L23
2P-C16
-CP1
SM511_PW003-1
SM33_PW001
2.5 mm
FACTORY MAIN POWER
4.0 mm
(3 /PE 60HZ 200~415VAC)
-MCCB1
(3Ø, 20A)
L13
L12
L11
APPROX. 5KVA)
T
SR
FRAME GROUND
-TRANS
220V
208200 220
L31
PE
1L1
1L2
22S
22R
SM471_PW008
22T
3P-C16
-CP3
TF2L1
TF2L2
TF2L3
220V 220V
0V 220V
200220415380 200 208 380240 415
L32
415208 220 380240
L33
2.5 mm
FX,RX,FY1,FY2,RY1,RY2,FS,RS AXIS(SERVO)
6.SECONDARY #1 : 1Ø 220(2.5KVA)
SECONDARY #2 : 3Ø 220(3KVA)
2.FREQUENCY : 50/60Hz
1.CAPACITY : 5.5KVA
3.PHASE : 3Ø
4. CONNECTION: Y-Y
<TRANS SPECIFICATION>
5.PRIMARY : 3Ø 200/208/220/240/380/415V, 5KVA
DC POWER #3,#4(24VDC)
(FZ1~FZ6, RZ1~RZ6 AXIS)
to MC1
22R 22T
CONTROL RACK(PC+VME)
MONITOR1,2
DC POWER #1,#2(24VDC)
AC FAN
-TB2
2.5 mm
TF1L1
TF1L2
2.5 mm
SM511_PW006
2L1
2L2
2.5 mm
SM511-PW202
2P-C16
-CP2
2.5 mm
AM03-010914A
AM03-010915A
SM471_PW007
-MC1
-MC2
AM03-010925A
AM03-010912A
AM03-010913A
SM511_PW003-2
SM511_PW004
SM511_PW003-3
SM511_PW003
SM511_PW005
AM03-010945A AM03-005482A
AM03-010918B
SM511_PW040
AM03-005483A
246
135
1
456
23
2
1
264
135
4
3
24
13
6
5
2
1
4
3
1A 4A
13A 15A
13 5
13 5
1
2
3
4
5
6
7
8
9 10
11
12

Page
+$1:+$
207
DECAN
F2/S2
Electric Power (1/8)
NO. PART NO. PART NAME Q'TY Old No. Supply Supply LT Reference
1 1 SM33_PW001
2 AM03-010913A 1 SM511_PW003-1
3 AM03-010914A 1 SM511_PW003-2
4 AM03-010916A 1 SM511_PW004
5 AM03-010917A 1 SM511_PW005
6 AM03-010915A 1 SM511_PW003-3
7 AM03-010912A 1 SM511_PW003
8 AM03-010918B 1 SM511_PW006
9 AM03-005482A 1 SM471_PW007
10 AM03-010945A 1 SM511-PW202
11 AM03-010925A 1 SM511_PW040
12 AM03-005483A 1 SM471_PW008
2 AM03-018606A 1
3 AM03-018605A 1
4 AM03-013512C 1
5 AM03-003859A 1
6 AM03-020599B 1