DECAN_F2_S2_TRM(Ver7.4_CS20.12) - 第218页
Page +$1:+$ 214 DECAN F2/S2 Electric Power (5/8) 24V(400W) (+) PE06 (-) AC IN (-) 24V(400W) (+) AC IN PE07 24V(400W) IN (-) 24V(400W) (+) AC IN PE09 (-) (+) AC PE10 2 PE06-1 PE07-1 (+) (-) (+) (-) DC POWER AC IN 24VDC 40…

Page
+$1:+$
213
DECAN
F2/S2
Electric Power (4/8)
NO. PART NO. PART NAME Q'TY Old No. Supply Supply LT Reference
1 AM03-014706A 1 SM511C_PW145
2 AM03-014705A 1 SM511C_PW044
3 AM03-014707A 1 SM511C_PW145-1
4 AM03-010921A 1 SM511_PW025
5 AM03-010922A 1 SM511_PW026
6 AM03-011247A 1 SM511_PW112
7 J90833316A 1 SM-FAN00
8 J90831088B 1 SM33_PW026
9 AM03-011278A 1 SM511_PW113
9 J90833316A 1

Page
+$1:+$
214
DECAN
F2/S2
Electric Power (5/8)
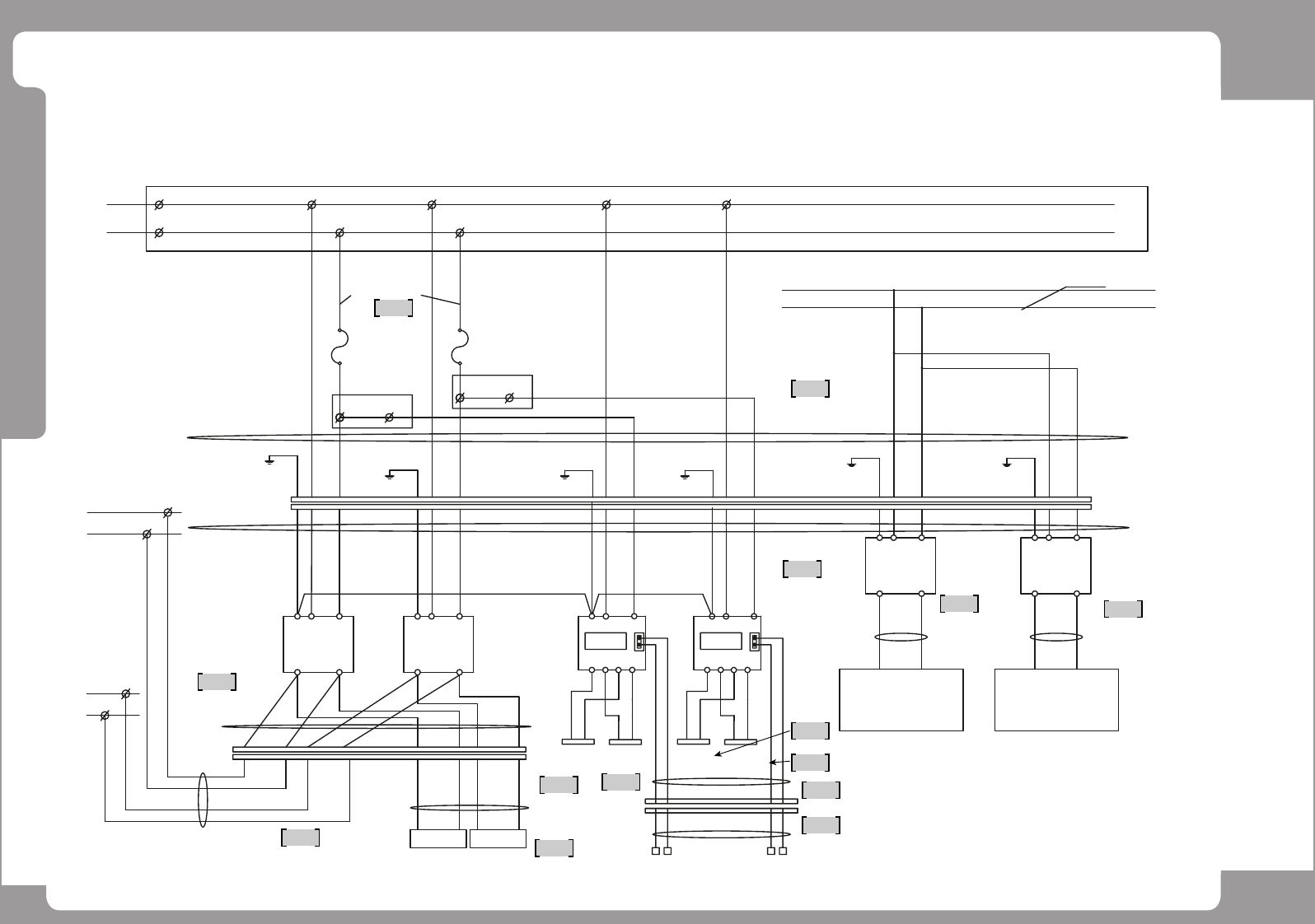
24V(400W)
(+)
PE06
(-)
AC IN
(-)
24V(400W)
(+)
AC IN
PE07
24V(400W)
IN
(-)
24V(400W)
(+)
AC
IN
PE09
(-)
(+)
AC
PE10
2
PE06-1 PE07-1
(+)
(-)
(+)
(-)
DC POWER
AC IN
24VDC
400W
REMOTE
DC POWER
AC IN
24VDC
400W
REMOTE
FROM CP1
1L2
1L1
1L21L1
-FUSE1 (AC250V,10A)
SC-CN1
+24V 24G +24V 24G
-FUSE2 (AC250V,10A)
1L1 1L2
-PS2
AC220V
-PS1
SM511C_PW101
78 1110
T5L
12
(CONN)
4536
AM03-014708B
65
AM03-014712A
+24V
24G
SM471_PW111-2
2143
SC-CN2
AM03-014710A
AM03-005487A
87
SM511C_PW201
AM03-014709A
SM511C_PW112
SM511C_PW202
+24V+24V 24G
-PS5
HEAD FRONT Z1~Z10
24G
-PS6
CP2-2
CP2-4
14 1315 16 1718
HEAD REAR Z1~Z10
SM511C_PW123 SM511C_PW124
AM03-014718A AM03-014719A
FROM CP2
AC220V
2L2
2L1
2.5 mm
912
T5L
(CONN)
3
78 111012 456 14 1315 16 1718
912
-PS3 -PS4
+24V 24G
F-FB-L PW
F-FB-R PW
+24V 24G
R-FB-L PW
R-FB-R PW
SM511C_FD004
SM511C_FD005
SM511C_FD006
SM511C_FD007
TB2-1A
R1Y1-5
TB2-2A
R1Y1-6
9
10
11
12
SM511C_PW112
SM511C_PW202
T6L
(CONN)
T6L
(CONN)
9
10
11
12
65214387
T6L
(CONN)
AM03-014710A
SM511C_PW202
AM03-014710A
AM03-014712A
AM03-014713A
AM03-014714A
AM03-014716A
AM03-014717A
9A
1A 4A
B
9C
B
10C
5A 5B4B
11A
12A
11C
12C
F1A
F1B
F2A
F2B
1
2
3
3
4
5
3
6
8
10
9
11
12
7

Page
+$1:+$
215
DECAN
F2/S2
Electric Power (5/8)
NO. PART NO. PART NAME Q'TY Old No. Supply Supply LT Reference
1 AM03-005487A 1 SM471_PW111-2
2 AM03-014712A 1 SM511C_PW112
3 AM03-014710A 3 SM511C_PW202
4 AM03-014713A 1 SM511C_FD004
5 AM03-014714A 1 SM511C_FD005
6 AM03-014712A 1 SM511C_PW112
7 AM03-014717A 1 SM511C_FD007
8 AM03-014716A 1 SM511C_FD006
9 AM03-014709A 1 SM511C_PW101
10 AM03-014708B 1 AM03-014708A SM511C_PW201
11 AM03-014718A 1 SM511C_PW123
12 AM03-014719A 1 SM511C_PW124