文档中心
/
RX-7说明书(4)
RX-7说明书(4) - 第444页
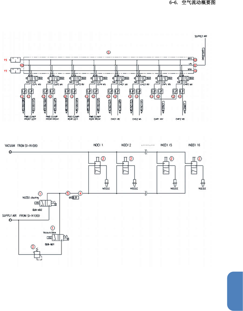
第 6 章 附录 6-6. 空气流动 概要图 • 整机示意图 18
目录
100%
显示:宽度
宽度
1 / 448
回到旧版
旧版
?
第
6
章
附录
6
17
第
6
章
附录
6-6.
空气流动
概要图
•
整机示意图
18
第
6
章
附录
6
•
搬送部周边多支
管
•
吸嘴头部
19
该页面需要启用 JavaScript 才能进行交互式预览。