RX-7说明书(4) - 第447页
◆ 修订 履历 改版 日期 修订 页 修订 内 容 备注 00 20 13. 11 初版

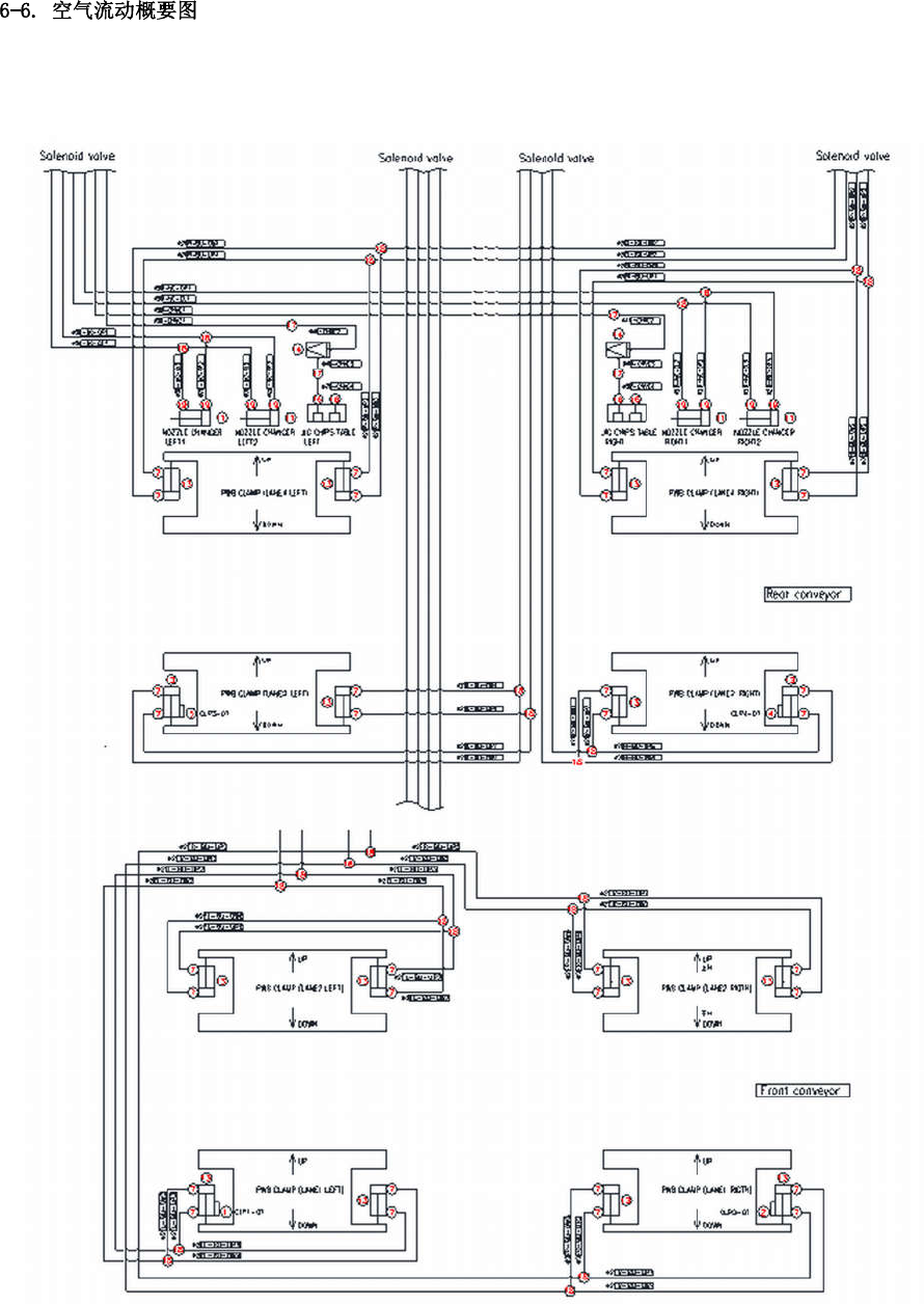
第 6 章 附录
•
搬送部周边
20

◆ 修订履历
改版
日期
修订页
修订内容
备注
00 2013.11
初版

制造商
咨询处
2-11-1, Tsurumaki, Tama-shi, Tokyo 206-8551, JAPAN
PHONE: 81-42-357-2293 FAX: 81-42-357-2285
http://www.juki.co.jp/
Copyright © 2013 JUKI CORPORATION
未经许可,严禁擅自转载、复制本说明书内容。 规格、外观等如有变更,恕不另行通告。
All rights reserved throughout the world.
2013. 11 Printed in Japan