SM168_TechnicalReference(Chi_Ver1.1) - 第107页
Page SAMSUNG TECHWIN 97 SM168 Axio B/D#1 Slave(7/9) NO. Lev . P ART N O. P ART NAME Q'TY O ld No. Supply Supply L T Reference 1 AM03-006912 A CABLE ASSY -Z34 _DRV_COMD_AXIO 1 SM482_VM007-2 2 J90831392B Z3_MOTOR_ASSY…

Page
SAMSUNG TECHWIN
96
SM168
Axio B/D#1 Slave(7/9)
1 2
3
4
4

Page
SAMSUNG TECHWIN
97
SM168
Axio B/D#1 Slave(7/9)
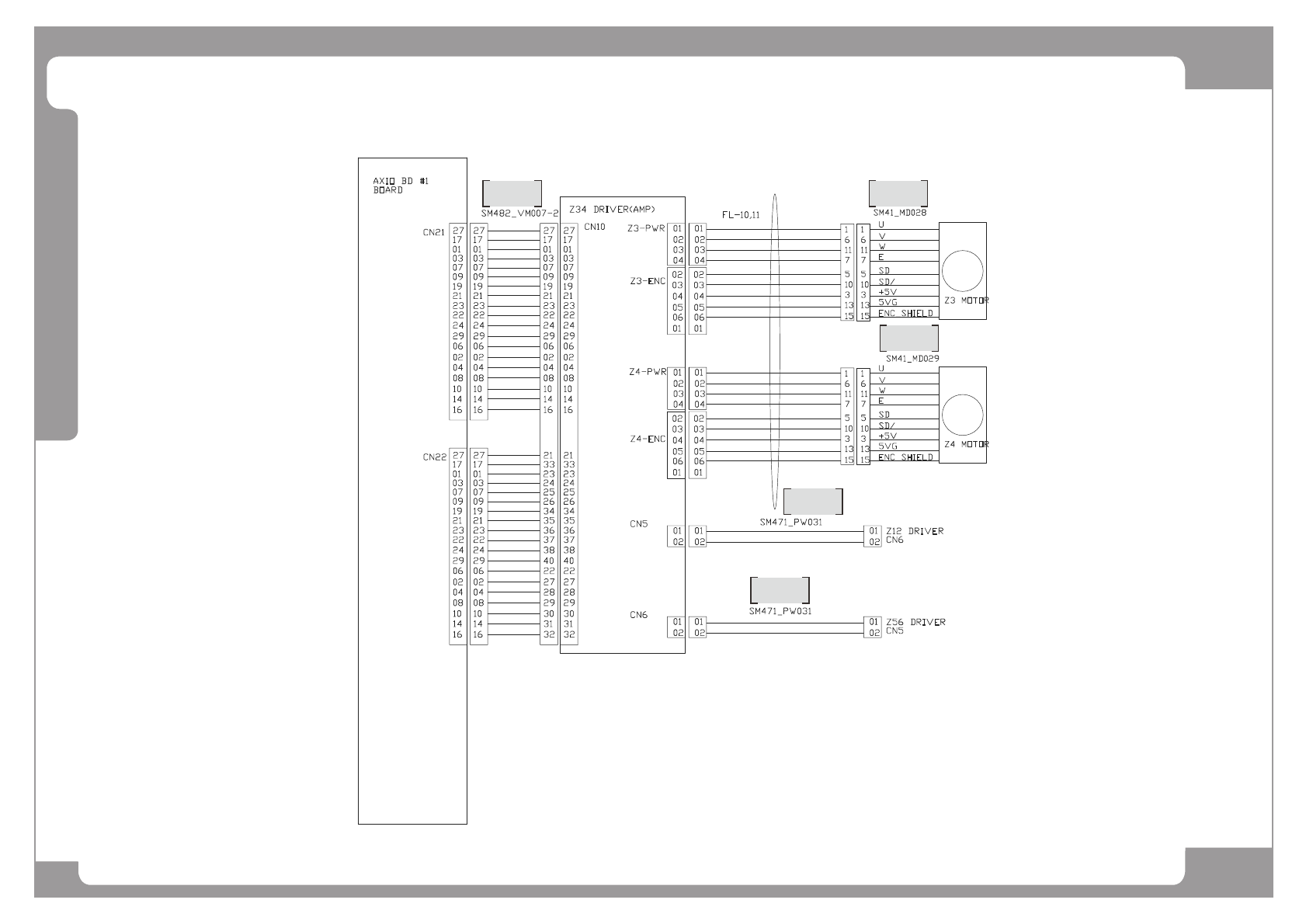
NO. Lev. PART NO. PART NAME Q'TY Old No. Supply Supply LT Reference
1 AM03-006912A CABLE ASSY-Z34_DRV_COMD_AXIO 1 SM482_VM007-2
2 J90831392B Z3_MOTOR_ASSY 1 SM41_MD028
3 J90831393B Z4_MOTOR_ASSY 1 SM41_MD029
4 AM03-005505A CABLE ASSY-Z_DRIVER_PW_JUMPER 2 SM471_PW031

Page
SAMSUNG TECHWIN
98
SM168
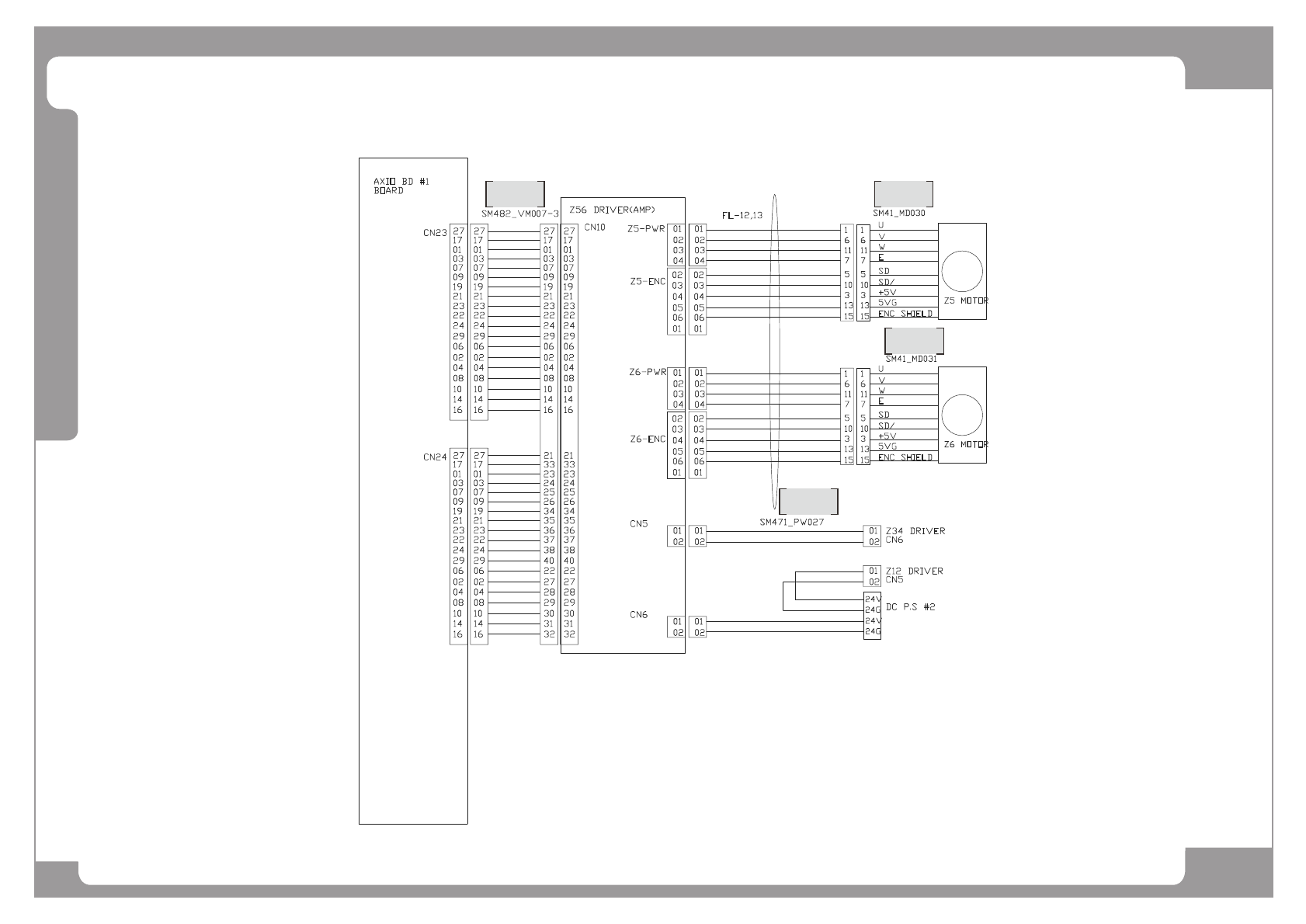
Axio B/D#1 Slave(8/9)
1 2
3
4