SM168_TechnicalReference(Chi_Ver1.1) - 第127页
Page SAMSUNG TECHWIN 11 7 SM168 Conveyor IF B/D(4/5) NO. Lev . P ART N O. P ART NAME Q'TY O ld No. Supply Supply L T Reference 1 AM03-0035 43A CABLE ASSY -CON V_SW_INPUT1_2 2 SM421_CV1 13 2 AM03-003541 A CABLE ASSY …

Page
SAMSUNG TECHWIN
116
SM168
Conveyor IF B/D(4/5)
1
2 3
1

Page
SAMSUNG TECHWIN
117
SM168
Conveyor IF B/D(4/5)
NO. Lev. PART NO. PART NAME Q'TY Old No. Supply Supply LT Reference
1 AM03-003543A CABLE ASSY-CONV_SW_INPUT1_2 2 SM421_CV113
2 AM03-003541A CABLE ASSY-INLINE_IN-OUT_CVIF 1 SM421_CV106-1
3 AM03-003542A CABLE ASSY-INLINE_IN-OUT 1 SM421_CV106-2

Page
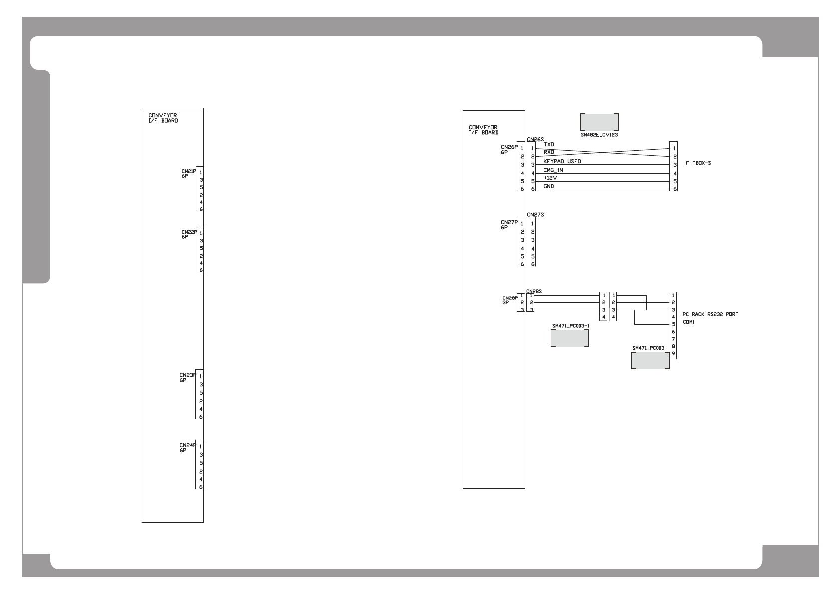
SAMSUNG TECHWIN
118
SM168
Conveyor IF B/D(5/5)
1
2
3