SM168_TechnicalReference(Chi_Ver1.1) - 第132页
Page SAMSUNG TECHWIN 122 SM168 Front Feeder IF B/D(1/2) 1 2 3 7 4 5 8 9 6

Page
SAMSUNG TECHWIN
121
SM168
Fix ILL B/D (Option)
NO. Lev. PART NO. PART NAME Q'TY Old No. Supply Supply LT Reference
1 AM03-006923A CABLE ASSY-FIX_ILL_POWER 1 SM48_SC008
2 AM03-006874A CABLE ASSY-AXIS1_FIX_ILL_CAN 1 SM48_CA001
3 AM03-006875A CABLE ASSY-FIX_ILL_RFD_CAN-EXT 1 SM48_CA102-1
4 AM03-006876A CABLE ASSY-FIX_ILL_RFD_CAN 1 SM48_CA102
5 AM03-006994A CABLE ASSY-FIX_ILL_IF_EXT 2 SM48_VI102-1

Page
SAMSUNG TECHWIN
122
SM168
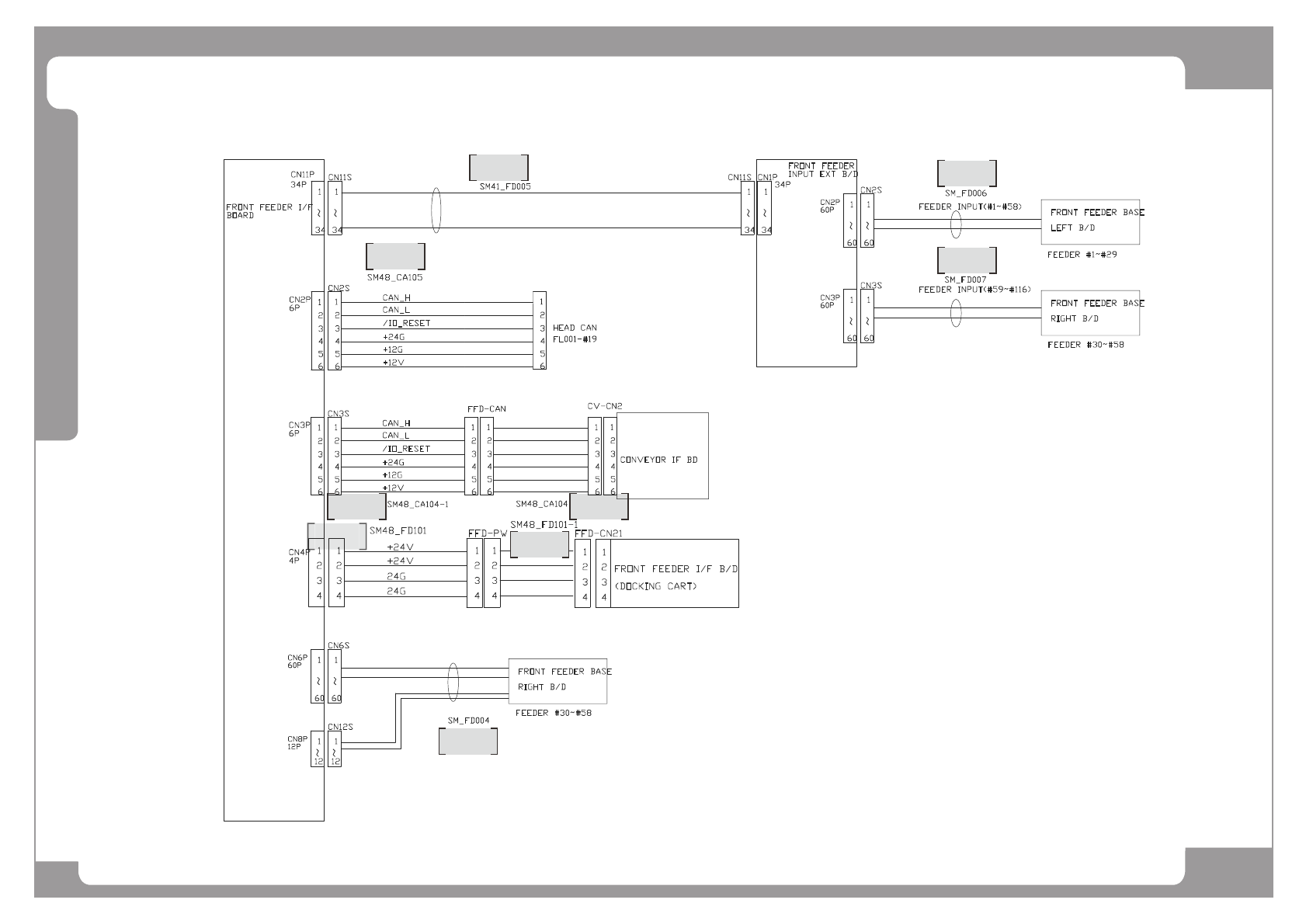
Front Feeder IF B/D(1/2)
1
2
3
7
4
5
8
9
6

Page
SAMSUNG TECHWIN
123
SM168
Front Feeder IF B/D(1/2)
NO. Lev. PART NO. PART NAME Q'TY Old No. Supply Supply LT Reference
1 J90831413A FDR_INPUT_EXT_CABLE_ASSY SM41-FD005 1 SM41_FD005
2 AM03-007453B CABLE ASSY-FFD_HDIF_CAN 1 SM48_CA105
3 AM03-006943A CABLE ASSY-CVIF_FFD_CAN-EXT 1 SM48_CA104-1
4 AM03-006942A CABLE ASSY-CVIF_FFD_CAN 1 SM48_CA104
5 AM03-006891A CABLE ASSY-FRONT FDR CTRL PWR 1 SM48_FD101
6 AM03-006892A CABLE ASSY-FRONT FDR CTRL PWR-EXT 1 SM48_FD101-1
7 J90800839D RIGHT FDR SOL OUTPUT CABLE ASSY 1 SM_FD004
8 J90800841C LEFT FDR SENSOR INPUT CABLE ASS 1 SM_FD006
9 J90800842C RIGHT FDR SENSOR INPUT CABLE AS 1 SM_FD007