SM168_TechnicalReference(Chi_Ver1.1) - 第134页
Page SAMSUNG TECHWIN 124 SM168 Front Feeder IF B/D(2/2) 1 3 2

Page
SAMSUNG TECHWIN
123
SM168
Front Feeder IF B/D(1/2)
NO. Lev. PART NO. PART NAME Q'TY Old No. Supply Supply LT Reference
1 J90831413A FDR_INPUT_EXT_CABLE_ASSY SM41-FD005 1 SM41_FD005
2 AM03-007453B CABLE ASSY-FFD_HDIF_CAN 1 SM48_CA105
3 AM03-006943A CABLE ASSY-CVIF_FFD_CAN-EXT 1 SM48_CA104-1
4 AM03-006942A CABLE ASSY-CVIF_FFD_CAN 1 SM48_CA104
5 AM03-006891A CABLE ASSY-FRONT FDR CTRL PWR 1 SM48_FD101
6 AM03-006892A CABLE ASSY-FRONT FDR CTRL PWR-EXT 1 SM48_FD101-1
7 J90800839D RIGHT FDR SOL OUTPUT CABLE ASSY 1 SM_FD004
8 J90800841C LEFT FDR SENSOR INPUT CABLE ASS 1 SM_FD006
9 J90800842C RIGHT FDR SENSOR INPUT CABLE AS 1 SM_FD007

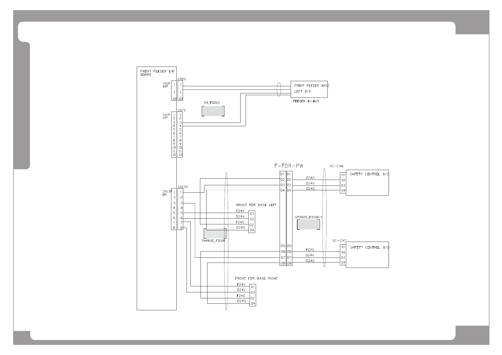
Page
SAMSUNG TECHWIN
124
SM168
Front Feeder IF B/D(2/2)
1
3
2

Page
SAMSUNG TECHWIN
125
SM168
Front Feeder IF B/D(2/2)
NO. Lev. PART NO. PART NAME Q'TY Old No. Supply Supply LT Reference
1 AM03-005575A CABLE ASSY-WS2_WW2_DRV_COMMAND 1 SM_FD003
2 AM03-009588A CABLE ASSY-F_FDR_BASE_PW 1 SM482E_FD108
3 AM03-009578A CABLE ASSY-F_FDR_BASE_PW_EXT 1 SM482E_FD108-1