SM168_TechnicalReference(Chi_Ver1.1) - 第144页
Page SAMSUNG TECHWIN 134 SM168 Power Block Diagram(2/7)

Page
SAMSUNG TECHWIN
133
SM168
Power Block Diagram(1/7)
NO. Lev. PART NO. PART NAME Q'TY Old No. Supply Supply LT Reference

Page
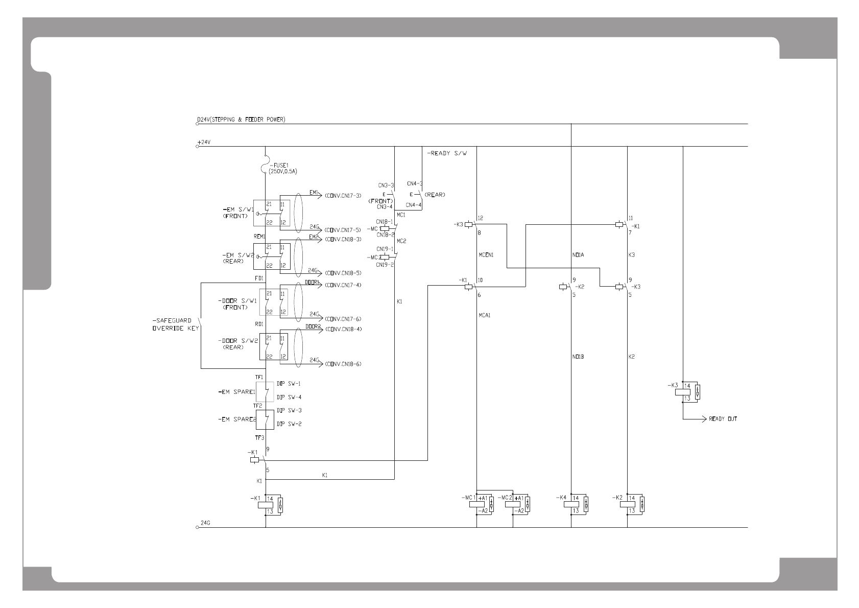
SAMSUNG TECHWIN
134
SM168
Power Block Diagram(2/7)

Page
SAMSUNG TECHWIN
135
SM168
Power Block Diagram(2/7)
NO. Lev. PART NO. PART NAME Q'TY Old No. Supply Supply LT Reference