SM168_TechnicalReference(Chi_Ver1.1) - 第147页
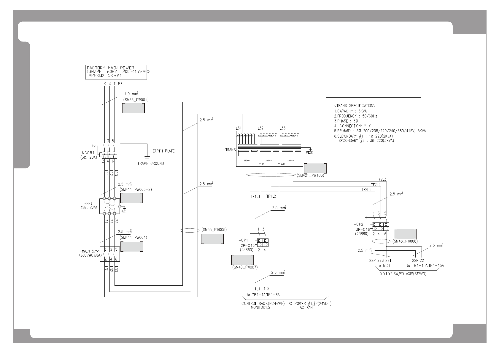
Page SAMSUNG TECHWIN 137 SM168 Power Block Diagram(3/7) NO. Lev . P ART N O. P ART NAME Q'TY O ld No. Supply Supply L T Reference 1 J9083106 3A MAIN_POWE R_CABLE_ASSY SM3 3-PW001 1 SM33_PW0 01 2 J90831253C MCCB_N F1…

Page
SAMSUNG TECHWIN
136
SM168
Power Block Diagram(3/7)
1
2
3
4
5
6
7

Page
SAMSUNG TECHWIN
137
SM168
Power Block Diagram(3/7)
NO. Lev. PART NO. PART NAME Q'TY Old No. Supply Supply LT Reference
1 J90831063A MAIN_POWER_CABLE_ASSY SM33-PW001 1 SM33_PW001
2 J90831253C MCCB_NF1_EARTH_CABLE_ASSY 1 SM411_PW003-2
3
J90831066D
NF1_MAIN_SWITCH_CABLE_ASSY 1 SM411_PW004
4 J90831067B MAIN_SWITCH_TB2_CABLE_ASSY 1 SM33_PW005
5 AM03-006872A CABLE ASSY-CP1_TB1 1 SM48_PW007
6 AM03-003859A CABLE ASSY-TRANS_CP1_2 1 SM421_PW106
7 AM03-006873A CABLE ASSY-CP2_TB1-MC1 1 SM48_PW008

Page
SAMSUNG TECHWIN
138
SM168
Power Block Diagram(4/7)
1
2
4
5
6
3