SM168_TechnicalReference(Chi_Ver1.1) - 第81页
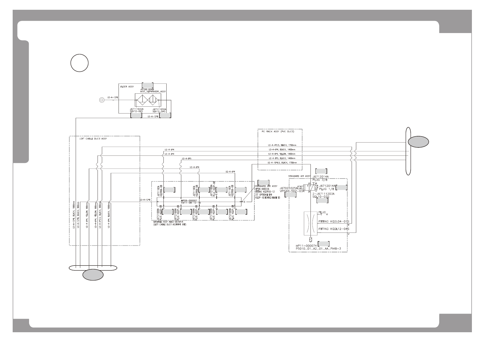
Page SAMSUNG TECHWIN 71 SM168 AIR Ass’y(2/5) NO. Lev . P ART NO . P ART NAME Q 'TY Old No. Supply Supply L T Reference 1 J67081006 B MIST_SEP ARA TOR_ASSY T AC4020-04D-R3643 1 2 J671 1 1032A MIST_FITTING SQV12-04S 2…

Page
SAMSUNG TECHWIN
70
SM168
AIR Ass’y(2/5)
A
HP09-000007
KM11-08-12-10
STANDARD AIR ASSY
FILTER ASSY
STANDARD AIR ASSY
PC RACK ASSY (PVC DUCT)
LEFT CABLE DUCT ASSY
J6711183A
KQ2R06-08
J67121009A
PLUG KQ2P-08
J67081006B
MIST_SEPARATOR_ASSY
J6
7111032A
SQV12-04S
U2-4-12*8
J67111032A
SQV12-04S
HP11-000074
P5010_01_A2_01_AA_PI48-3
2-J67111203A
SQL10-03S
1P
3R
J67021025A
VP544-5DZ-03A
J6712014A
PLUG 3/8
2A
X
J6712014A
PLUG 1/8
U2-4-12*8
U2-4-12*8
J67121009A
PLUG KQ2P-08
J6711183A
KQ2R06-08
U2-4-6*4
U2-4-8*5
U2-4-6*4
J6711183A
KQ2R06-08
U2-4-4*2.5, BLACK, 1700mm
U2-4-6*4, BLACK, 1400mm
U2-4-6*4, YELLOW, 1400mm
U2-4-8*5, BLACK, 1400mm
U2-4-10*6.5, BLACK, 1700mm
U2-4-6*4, BLACK, 1000mm
U2-4-4*2.5, BLACK, 900mm
U2-4-12*8, BLACK, 900mm
U2-4-12*8, BLACK, 1800mm
U2-4-6*4, YELLOW, 900mm
U2-4-6*4, YELLOW, 900mm
U2-4-6*4
U2-4-6*4
'b'
'c'
FITTING KQ2L12-04S
FITTING KQ2L04-01S
J67121009A
PLUG KQ2P-08
J67121009A
PLUG KQ2P-08
J67121009A
PLUG KQ2P-08
PLUG
'a'
J67121009A
PLUG KQ2P-08
A-C
A-D
2 2
1
3 3
4
4
444
3
5
8
9
7
4
7
6

Page
SAMSUNG TECHWIN
71
SM168
AIR Ass’y(2/5)
NO. Lev. PART NO. PART NAME Q'TY Old No. Supply Supply LT Reference
1 J67081006B
MIST_SEPARATOR_ASSY TAC4020-04D-R3643
1
2
J67111032A MIST_FITTING SQV12-04S
2
3
J6711183A STRAIGHT FITTING [KQ2R06-08]
3
4 J67121009A PLUG KQ2P-08 6
5 HP06-000226 FITTING-KQ2R10-12;STRAIGHT 1
6 J67021025A AIR-VALVE VP544-5D-03-A 1
7 J6712014A PLUG PT 3/8 (SUS) 2
8 J67111203A FITTING SQL10-03S(WHITE) 2
9 HP11-000074 INJECTOR-P5010.00.AJ.01. (Pi48-3) 1

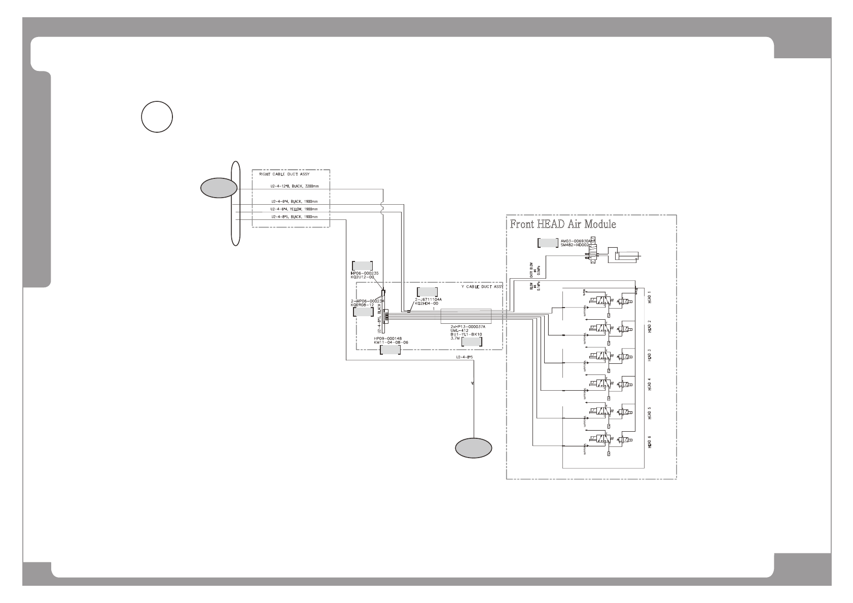
Page
SAMSUNG TECHWIN
72
SM168
AIR Ass’y(3/5)
B
BLOW
0.1MPa
OVER BLOW
0.5MPa
Y CABLE DUCT ASSY
RIGHT CABLE DUCT ASSY
1
2
3
1
2
3
Blow
Work
Vacuum
1
2
3
1
2
3
Vacuum
1
2
3
1
2
3
Vacuum
1
2
3
1
2
3
Vacuum
1
2
3
1
2
3
Vacuum
1
2
3
1
2
3
Vacuum
2xHP13-000037A
BU1-YL1-BK10
3.7M
1
HEAD 1HEAD 2HEAD 3HEAD 5
KQ2U12-00
'd'
Front HEAD Air Module
A-B
1
2
3
4
5
6
B-D