SM168_TechnicalReference(Chi_Ver1.1) - 第91页
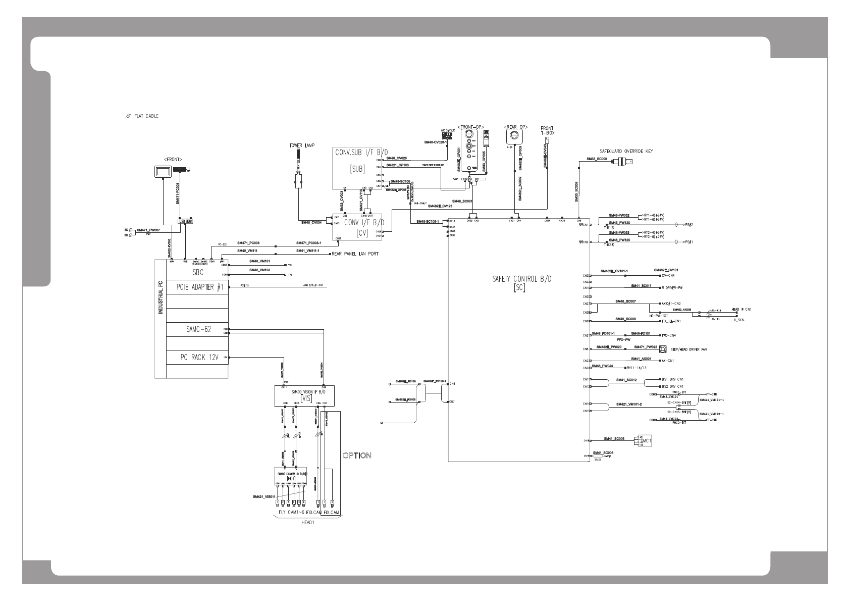
Page SAMSUNG TECHWIN 81 SM168 SM168 Harness Wiring Diagram

Page
SAMSUNG TECHWIN
80
SM168
SM168 Harness Wiring Diagram

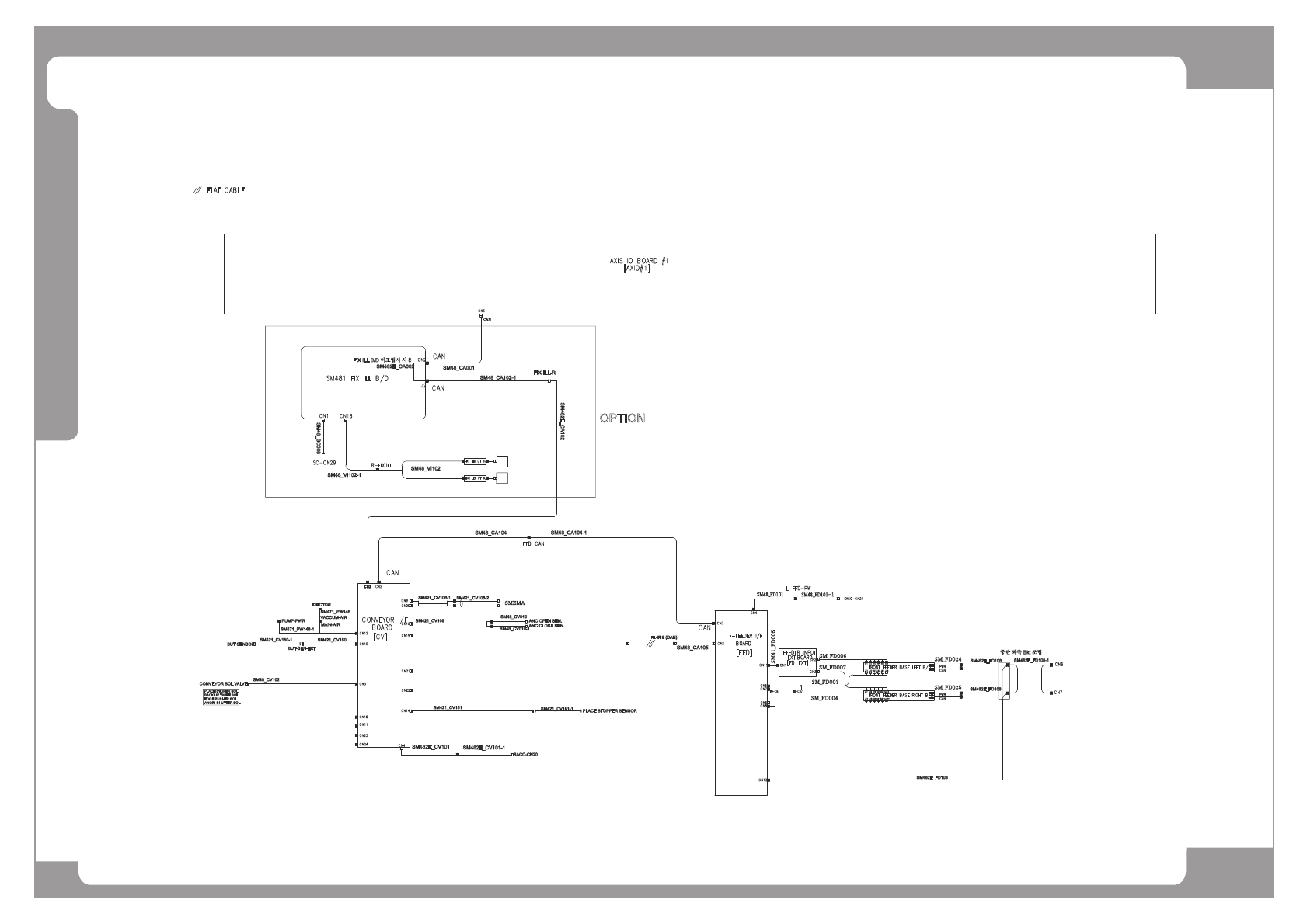
Page
SAMSUNG TECHWIN
81
SM168
SM168 Harness Wiring Diagram

Page
SAMSUNG TECHWIN
82
SM168
SM168 Harness Wiring Diagram