4OM-1001-008_w - 第95页
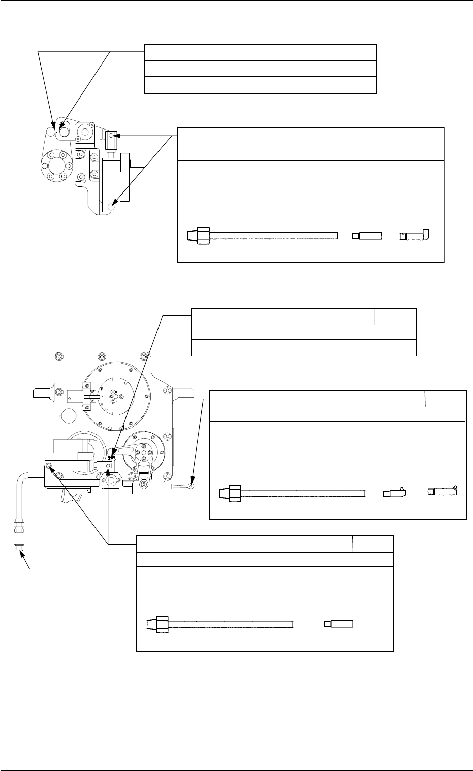
(14) (14) (14) (14) (14) 装着切替え補正部 装着切替え補正部 装着切替え補正部 装着切替え補正部 装着切替え補正部 Fig.4A35 装置前面側 (15) (15) (15) (15) (15) ノズル切替え部 ノズル切替え部 ノズル切替え部 ノズル切替え部 ノズル切替え部 Fig.4A36 装置前面側 1.3 メンテナンスか所 0509-002 1 - 31 AHM01JTRP ࠬ࠻࠶ࡄ㕙ޓޓޓޓޓޓޓޓޓޓޓ…

ࠣࠬ࠾࠶ࡊ࡞
ࡈࠖ࠳ࠠࡖ࠶ࠫᄢ࿑
࠾ࠕࠟࠗ࠼ߩ
ࠬࠗ࠼ࡉࡠ࠶ࠢ
࠾ࠕࠟࠗ࠼ߩࠬࠗ࠼ࡉࡠ࠶ࠢᓟ/
߆ߏߣޓ⛎ᴤ࠳ࡈ࠾ࠛࡐࡀ࠶ࠢࠬࠣࠬ0Q
⛎ᴤߪޔೋ࿁߆ᓟޔએ㒠߆ߏߣߦⴕߞߡߊߛߐޕ
㧖↪ߔࠆࠕ࠲࠶࠴ࡔࡦ࠻ߪޔ(.ᒻߣ2ᒻޔ߹ߚߪޔ7ᒻߣ2ᒻߢߔޕ
ޓޓޓޓޓޓޓޓ(.ᒻޓޓޓޓޓޓޓޓޓޓޓ2ᒻ7ᒻ
⚦ߦߟߡߪޔ̌ࡈࠖ࠳ࠠࡖ࠶ࠫㇱ࠾ࠕࠟࠗ࠼ߩ⛎ᴤ̍ࠍෳᾖߒߡߊߛߐޕ
Fig.4A32 装置後面
1.3 メンテナンスか所
0509-002 1-30 AHM01JTRP

(14)(14)
(14)(14)
(14)
装着切替え補正部 装着切替え補正部
装着切替え補正部 装着切替え補正部
装着切替え補正部
Fig.4A35 装置前面側
(15)(15)
(15)(15)
(15)
ノズル切替え部 ノズル切替え部
ノズル切替え部 ノズル切替え部
ノズル切替え部
Fig.4A36 装置前面側
1.3 メンテナンスか所
0509-002 1-31 AHM01JTRP
ࠬ࠻࠶ࡄ㕙ޓޓޓޓޓޓޓޓޓޓޓޓޓ/
߆ߏߣޓ⛎ᴤࡕࡁ࠶ࠢࠣࠬ#2
ࠣࠬࠍᚻ߹ߚߪࡂࠤߢႣߞߡߊߛߐޕ
ࠪࡦ࠳ᡰὐޓޓޓޓޓޓޓޓޓޓޓޓ/
߆ߏߣޓ⛎ᴤࡕࡁ࠶ࠢࠣࠬ#2
ࠣࠬࠟࡦߢࠣࠬ࠾࠶ࡊ࡞߆ࠄࠣࠬࠍᵈߒ
ߡߊߛߐ㨫
↪ߔࠆࠕ࠲࠶࠴ࡔࡦ࠻ߪޔ7ᒻߣ0ᒻߢߔޕ
ޓޓޓޓޓޓޓޓ7ᒻޓޓޓޓޓޓޓޓޓޓ0ᒻ
ឃᴤญ
ࡠ࠶࠼ࠛࡦ࠼ޓޓޓޓޓޓޓޓޓޓޓޓ/
߆ߏߣޓ⛎ᴤ࠳ࡈ࠾ࠛࡐࡀ࠶ࠢࠬࠣࠬ0Q
ࠣࠬࠟࡦߢࠣࠬ࠾࠶ࡊ࡞߆ࠄᣂߒࠣࠬࠍ
ᵈߒߡߊߛߐ㨫
↪ߔࠆࠕ࠲࠶࠴ࡔࡦ࠻ߪޔ7ᒻߣ.ᒻޔ߹ߚߪޔ7ᒻߣ
8ᒻߢߔޕ
ޓޓޓޓޓޓޓޓ7ᒻޓޓޓޓޓޓޓޓ.ᒻ8ᒻ
ࠞࡓߩಾᦧ߃㕙ޓޓޓޓޓޓޓޓޓޓޓ/
߆ߏߣޓ⛎ᴤࡕࡁ࠶ࠢࠣࠬ#2
ࠣࠬࠍᚻ߹ߚߪࡂࠤߢਔ㕙ߦႣߞߡߊߛߐޕ
ࠪࡦ࠳ᡰὐޓޓޓޓޓޓޓޓޓޓޓ/
߆ߏߣޓ⛎ᴤࡕࡁ࠶ࠢࠣࠬ#2
ࠣࠬࠟࡦߢࠣࠬ࠾࠶ࡊ࡞߆ࠄࠣࠬࠍᵈ
ߒߡߊߛߐޕ
↪ߔࠆࠕ࠲࠶࠴ࡔࡦ࠻ߪޔ7ᒻߣ0ᒻޔ߹ߚߪޔ7ᒻߣ
5ᒻߢߔޕ
7ᒻ0ᒻ5ᒻ

ࡠ࠶࠼ࠛࡦ࠼/
߆ߏߣޓ⛎ᴤ࠳ࡈ࠾ࠛࡐࡀ࠶ࠢࠬࠣࠬ0Q
ࠣࠬࠟࡦߢࠣࠬ࠾࠶ࡊ࡞߆ࠄᵈߒߡߊߛߐޕ
↪ߔࠆࠕ࠲࠶࠴ࡔࡦ࠻ߪޔ7ᒻߣ.ᒻޔ߹ߚߪ7ᒻߣ8ᒻߢߔޕ
ࠞࡓࡏ࠶ࠢࠬឃᴤญ
ࠞࡓࡏ࠶ࠢࠬ;
ᐕߏߣޓ⛎ᴤࠪࡦ࠹࠰*6
ࠝࠗ࡞឵ߪޔೋ࿁ᤨ㑆ޔએ㒠ᤨ㑆
ߏߣߦⴕߞߡߊߛߐޕ
ࠝࠗ࡞ࠥࠫߩ߇ㆡ㊂ߢߔޕ
⚂࠶࠻࡞
ᵈ㧦ࠝࠗ࡞ࠍឃᴤߔࠆߣ߈ޔࠞࡓࡏ࠶ࠢࠬ
ޓޓౝㇱ߳ߪࠛࠕߦࠃࠆടߪⴕࠊߥߢ
ޓޓߊߛߐޕ
7ᒻ .ᒻ 8ᒻ
ࠪࡦ࠳ᡰὐ/
߆ߏߣޓ
⛎ᴤࡕࡁ࠶ࠢࠣࠬ#2
ࠣࠬࠟࡦߢࠣࠬ࠾࠶ࡊ࡞߆ࠄᵈ
ߒߡߊߛߐޕ
㧖↪ߔࠆࠕ࠲࠶࠴ࡔࡦ࠻ߪ7ᒻߣ0ᒻߢߔޕ
7ᒻ
0ᒻ
ࠬ࠻࠶ࡄ㕙ޓޓޓޓޓޓޓޓޓޓޓޓޓ/
߆ߏߣޓ⛎ᴤࡕࡁ࠶ࠢࠣࠬ#2
ࠣࠬࠍᚻ߹ߚߪࡂࠤߢႣߞߡߊߛߐޕ
(16)(16)
(16)(16)
(16)
ノズル切替え戻し部ノズル切替え戻し部
ノズル切替え戻し部ノズル切替え戻し部
ノズル切替え戻し部
Fig.4A37 装置後面側
0509-002 1-32
AHM01JTRP
1.3 メンテナンスか所