CP-643E-08 PART LIST - 第158页
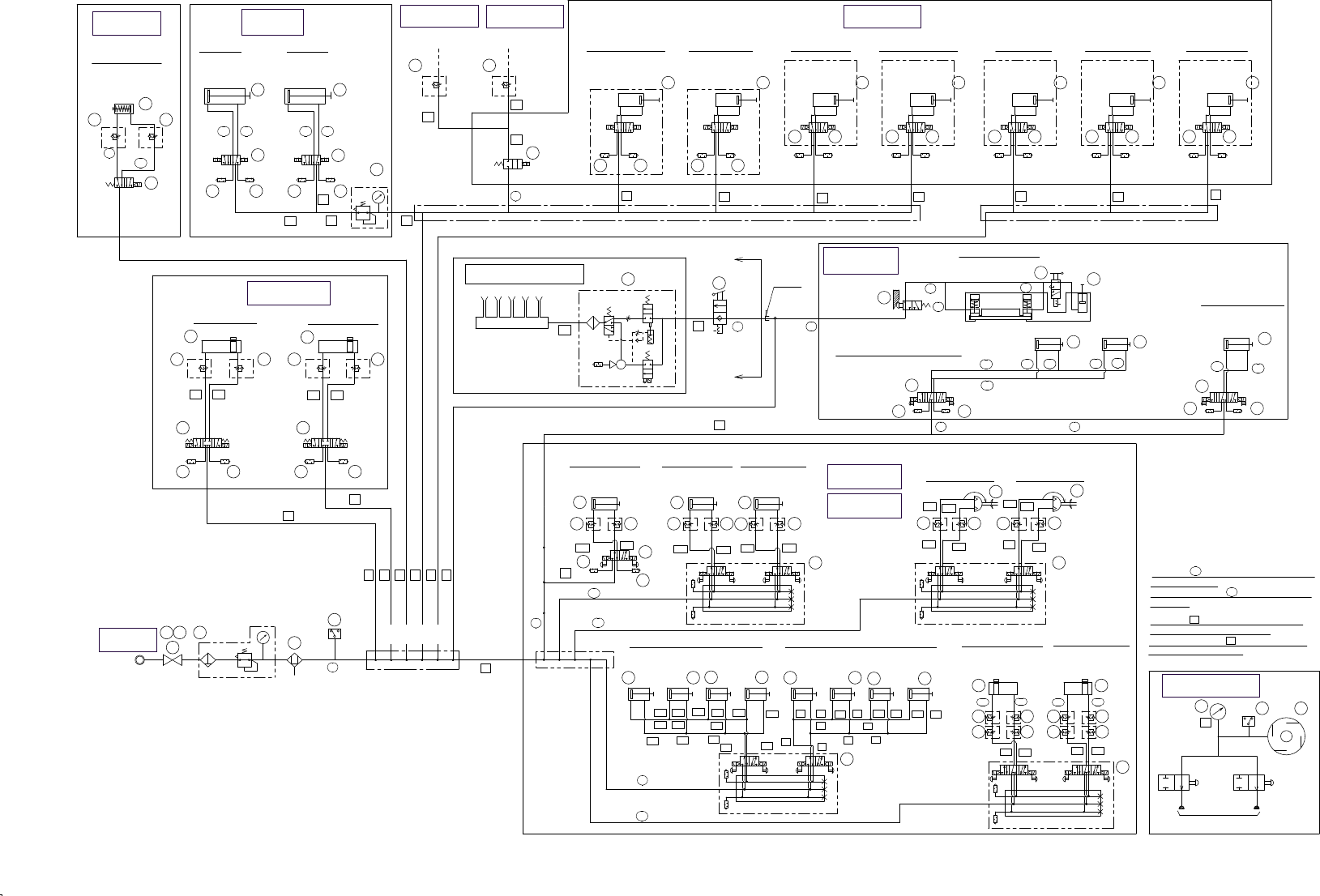
27.2.エアー配管図(ピンマーク基準用)(CSPI) 27.2.Pneumatic circuit diagram(For machines using pin and/or mark referencing)(CSPI) 番号 図番 & コード番号 個数 品名 規格 備考 材質 No. Drg.No. & Code No. QTY Description Rating Remarks Materials 42 C…

27.2.エアー配管図(ピンマーク基準用)(CSPI)
27.2.Pneumatic circuit diagram(For machines using pin and/or mark referencing)(CSPI)
番号 図番 & コード番号 個数 品名 規格 備考
材質
No. Drg.No. & Code No. QTY Description Rating Remarks
Materials
1 H1046A 1
VALVE, STOP
バルブ ストップ A3/8X100 AD OT
2 H3030A 1
FILTER REGULATOR
フィルタレギュレータ AW3000-02-BDG OT
3 S4016R 1
SEPARATOR, MIST
セパレータ ミスト AFM3000-02-D OT
4 S3157T 1
SW, PRESSURE
SW プレッシャ IS3000-02L5 OT
5 WPL5012 1 CYLINDER シリンダ エアー OT
6 H1077T 1 VALVE, SOL バルブ SOL PCS242-M5-D24-SP OT
7 S1058A 2
SILENCER
サイレンサ AN120-M5 OT
8 H10246 1
REGULATOR
レギュレータ R002-01G OT
9 H1067C 2 VALVE, SOL バルブ SOL A12PD25-1S-02-E OT
10 S2085H 2 CYLINDER, AIR シリンダ エアー DAD25X40-ZG553A2-3731W OT
11 S1056A 4
SILENCER
サイレンサ AN101-01 OT
12 H1083T 1
VALVE, SOL
バルブ SOL SS22J-M5-D24UP-Z OT
13 K5339T 2
CONTROLLER, SPEED
コントローラ スピード AS1311F-M5-06 OT
14 WPA5142 7 CYLINDER, AIR シリンダ エアー OT
15 H1063T 1
VALVE, MECHANICAL
バルブ メカニカル VM133-M5-01 OT
16 K5332A 2
CONTROLLER, SPEED
コントローラ スピード SS4-M5A OT
17 S1053T 4
SILENCER
サイレンサ KM-23 OT
18 H1059T 1 BALL, VALVE ボール バルブ RP-LL-3/8 IEC OT
19 H10669 2 VALVE, SOL バルブ SOL F15T4-F4-PL3-DC24V OT
20 CSSS1411 3 CYLINDER, AIR シリンダ エアー OT
21 ACSQL0240 2 VALVE, SOL バルブ SOL OT
22 S20657 2 CYLINDER, AIR シリンダ エアー CDAS32X15-ZE155B2 OT
23 CSQC0771 2 ACTUATOR, ROTARY アクチュエータ ロータリ OT
24 S20655 8 CYLINDER, AIR シリンダ エアー CDAS16X15-ZE155B1 OT
25 ACSQL0230 1 VALVE, SOL バルブ SOL OT
26 CSQL0261 1 CYLINDER, RODLESS シリンダ ロッドレス OT
27 CSQL0271 1 CYLINDER, RODLESS シリンダ ロッドレス OT
28 H1073F 2 VALVE, SOL バルブ SOL PCD345-01D-D24SP OT
29 S0855A 2
CYLINDER, AIR
シリンダ エアー ORGA20X250-ZG553B2 OT
30 K5332E 4 CONTROLLER, SPEED コントローラ スピード SS6-01MA OT
31 ACSQL0250 1 VALVE, SOL バルブ SOL OT
32 H5447W 1 PUMP, VACUUM ポンプ バキューム KH750A-305-G1 OT
33 S3158A 1
SW, PRESSURE
SW プレッシャ ISG190-030-G1 OT
34 . 1 GAUGE, VACUUM ゲージ 真空 OT
35 CSSS1001 1 CYLINDER, AIR シリンダ エアー OT
36 K5338A 8
CONTROLLER, SPEED
コントローラ スピード AS1211F-M5-06 OT
37 S1056A 4
SILENCER
サイレンサ AN101-01 OT
38 K5335A 2
CONTROLLER, SPEED
コントローラ スピード JSU-4 OT
39 K53325 2
CONTROLLER, SPEED
コントローラ スピード JSC4-M5A OT
40 H1037E 1 VALVE, MANUAL バルブ 手動 HV6-6 OT
41 H1006T 1 GENERATOR, VAUCCM 発生器 真空 VDBL12P8-06-SA OT
CP-643E PARTS LIST
27 - 5
27.2.エアー配管図(ピンマーク基準用)(CSPI)
27.2.Pneumatic circuit diagram(For machines using pin
and/or mark referencing)(CSPI)

27.2.エアー配管図(ピンマーク基準用)(CSPI)
27.2.Pneumatic circuit diagram(For machines using pin and/or mark referencing)(CSPI)
番号 図番 & コード番号 個数 品名 規格 備考
材質
No. Drg.No. & Code No. QTY Description Rating Remarks
Materials
42 CSSS1400 1 VALVE, MANUAL バルブ 手動 CR2184W OT
43 . 1 CYLINDER, AIR シリンダ エアー SGDA12X30-ZE155B2 OT
44 . 2
CONTROLLER, SPEED
コントローラ スピード SC6-M5A OT
45 H1066K 1 VALVE, SOL バルブ SOL F10TS-F4-PL3-DC24V OT
46 S1052A 14
SILENCER
サイレンサ SL-M5 OT
47 K5347K 4
CONTROLLER, SPEED
コントローラ スピード AS2301FM-01-06S OT
48 K2027R 1 KEY キー C1000-50 IEC OT .
CP-643E PARTS LIST
27 - 6
27.2.エアー配管図(ピンマーク基準用)(CSPI)
27.2.Pneumatic circuit diagram(For machines using pin
and/or mark referencing)(CSPI)

Ref.33-7
Ref.31-1
Ref.31-1
Ref.31-1
Ref.31-1
x3
QMQ6-5M812
INキャリア前後
キャリア受取時
(φ16x635)
3233
34
1616
10
17 17 17 17
29
30 30 30
44 44 47
24 24 24 24
25
26 27
36
36
31
36
36
36
36
36
36
24 24
24 24
47
47
47
45
22 22
21 21
23
23
38 39
3938
43
41
40
30
29
2828
11 11 11 11
10
12
1313
5
9
9
6
7
1
4818 2
3
4
7
8
φ6
φ6
φ6
φ6
φ6
φ6
φ6 φ6
φ6φ6
φ6
φ6 φ6
φ6
φ6
φ6
φ6 φ6
φ6
φ6 φ6 φ6
φ6
φ6
φ6
φ6 φ6 φ6
φ6
φ6
φ6
φ6
φ6
φ6
φ6
基準側 従属側
While career close
Operator side
Back side
IN キャリア開閉
IN career open/close
キャリア閉時
(φ16x15)
基準側
従属側
While career close
While career receive
While career delivery
Operator side
Back side
Out キャリア開閉
Out career open/close
Out career fwd/bwd
IN career fwd/bwd
キャリア閉時
(φ16x15)
IN中間ストッパ
IN middle stopper
Outキャリア前後
キャリア受渡し時
(φ16x615)
φ8
PT3/8
φ8
KQP-06
Vacuum back up
(Option)
プラグ
(オプション)
バキュームバックアップ仕様
φ8
φ8
3/8
3/83/8
2
5kgf/cm
φ8
φ6
φ4
φ4
φ6φ6 φ6 φ6
φ6
φ6
φ6 φ6 φ6 φ6
φ8
φ8
φ6
φ6
φ6
φ6
φ6
φ6
φ6
φ6
リアフェンス(WAF)
バキュームバックアップ (オプション)
Vacuum back up
XYテーブル
XY table
(Option)
シャッタ−右
シャッタ−左
(φ20X250)
(φ20X250)
(Rear fence)
Right shutter
INリフター上下
(φ32X15)
IN lifter up/down
Left shutter
防音BOX (WPV)
(Noise reduction box)
メカニカルバルブ
Mechanical valbes
20ヘッド
20 heads
バキューム系
Vacuum
φ6φ6φ6
Out中間ストッパ
Out middle stopper
φ8
φ6
φ6
φ6
φ6
φ6 φ6
φ6
φ6
φ6 φ6 φ6
φ4 φ4 φ4 φ4
φ6
B1
2
4.0kgf/cm
θ軸(WPQ)
基板ローダ(CSQL)
(Boad loading)
基板搬送(CSQC)
(Boad conveyor)
Tape feeding lever
(1st machanizm)
Pθ旋回
Pθrotation
(φ25X40)
90゜旋回時
While rotating 90゜
Pθ旋回
Pθrotation
(φ25X40)
90゜旋回時
While rotating 90゜
16st(WPU)
16st真空破壊
(16st vacuum cut)
16st vacuum cut off
11st(WPS)
11st真空破壊
(11st vacuum cut)
リフター下降時
While lifter down
INストッパ上下
(φ20X30)
IN stopper up/down
ストッパ下降時
While stopper down
Outリフター上下
(φ32X15)
Out lifter up/down
リフター下降時
While lifter down
11st vacuum cut off
(Pθrotation)
カートリッジ送り
送りレバー後退時
1st駆動部(WPL)
Feeding lever retracted
Conduct terminal
配管ターミナル
(Air supply)
エアー源
B1
C37
C38
C40
C39
B1
B1
B1
B1
B1
B1
B1
Q1
配管No.を で囲んだものは配管の両端に
マーカーをそれぞれ1個組み付け
配管No.を で囲んだものは配管にマーカー
を1個組み付け
V1
B1
P1
P2
Q2 Q3 Q4 Q5
Q1
Q1
B1
F1
F2
F3
F4
B1
B1
B1
B1
B1
B1
Z2
B1
L1
L2
L3
L4
C1
C2
C3
C4
C5
C6
C7
C8
C9
C10
C11
C12
C13
C14
C15
C16
C17
C18
C19
C20
C21
C22
C23
C24
C25
C26
C27
C28
C29
C30
C31
C32
C33
C34
C35
C36
C41
C42
C43
C44
A1
A1
A1
C45
C46
C47
C48
C50
C49
Numbers enclosed by are attached with
a marker.
Numbers enclosed by are attached with
a marker at both ends.
1st送り上下
レバー上昇時
(φ25X12)
14 14 14 14 14 14 14
φ6
φ6
φ6
φ6
φ6
φ6
φ6
φ8
1st feed lever up/down
While lever ascends
1stノズル上下
レバー上昇時
(φ25X12)
1st nozzle up/down
While lever ascends
11stノズル上下
レバー上昇時
(φ25X12)
11st nozzle up/down
While lever ascends
18stノズル切替前後
レバー上昇時
(φ25X12)
18st nozzle change fed/bwd
While lever ascends
3stPθ上下
レバー上昇時
(φ25X12)
3st Pθ up/down
While lever ascends
13stP Rθ上下
レバー上昇時
(φ25X12)
13st P Rθ up/down
While lever ascends
10stFθ上下
レバー上昇時
(φ25X12)
10st Fθ up/down
While lever ascends
Conduct terminal
配管ターミナル
Conduct terminal
配管ターミナル
B1
B1
B1
B1
B1
B1
B1
R1
A B
R2 R1
A B
R2 R1
A B
R2 R1
A B
R2 R1
A B
R2 R1
A B
R2 R1
A B
R2
φ6
B1
カムBOX(WPA)
(Cam box)
φ6
B1
15
19
37 37
20 20
20
3737
19
35
42
While unclamp
従属側基板クランプ
アンクランプ時
基準側基板クランプ(左,右)
アンクランプ時
Back side Rail clamp
Back side board clamp
従属側レ−ルクランプ
クランプ時
While clamp
While unclamp
φ6
φ6
φ6
φ6
φ6
φ6
φ6 φ6
φ6 φ6 φ6
φ6
基板クランプ
Boad clamp
基板クランプ
(φ34X19)
(φ10X5)
(φ35X19)
Operator side board clamp(left,right)
S1
S1
S2
S1
S2
S2
S2
S2
S2
S2
S2
B1
(Board clamp)
46
46
46
46
46
46
46
46
46
46
46
46
46
46
27 - 7
27.3.エアー配管図(逆流れ)(CSPI)
27.3.Pneumatic circuit diagram(Right-to-left board flow)(CSPI)
27.3.エアー配管図(逆流れ)(CSPI)
27.3.Pneumatic circuit diagram(Right-to-left board flow)(CSPI)
CP-643E PARTS LIST