P-326-001e - 第14页
1202-001 7 N C 1 N C 2 N C 3 N C 2 0 X 1 0 X 1 0 B 4 N C 2 0 B 6 N C 5 N C 27 22 U25 5 N C A 2 P N C B 2 P N C C 2 P N C D 2 P N C A 2 N C B 2 N C C 2 N C D 2 N C 3 P N C 1 P N C D 4 N C C 4 N C B 4 N C 3 N C U37 B0413R …

1202-001
7
N
C
1
N C
2 N
C
3
N C
2
0
X
1
0
X
1
0
B
4 N C
2
0
B
6 N C
5 N C
27
22
U25
5
N
C
A
2
P
N
C
B
2
P
N
C
C
2
P
N
C
D
2
P
N
C
A
2
N C
B
2
N
C
C
2
N
C
D
2
N
C
3
P
N
C
1
P
N
C
D
4
N
C
C
4
N
C
B
4
N
C
3
N
C
U37
B0413R
B0413 T
M31
U04
X3701
B0413 T
X10422
X10421
CN1,8,9
CN2,3,4
CN5,6,7
M33
M34
B3101
B3106
B3103
U147
M32
X14701
B01
B02
B04
X3105
X3103
X3104D
X3104B
X3104C
X31P3
X31P2 A
X31P2D
X31P2C
X31P2B
X312 A
X312D
X312C
X312B
U03
X0304
X0307
X0305
X0306
A31
B05
25
24
28
33
34
35
40
32
26
26
23
27
40
26
27
40
26
27
40
26
B3105
B3102
32
26
B3104
40
40
21
40
41
36
36
36
37
37
37
8
40
40
39
7
29
12
10
5
11
9
42
67
51
5 N
C
A 2
P N C
B 2
P
N C
C
2 P N C
D 2 P N C
A 2 N
C
B 2 N
C
C
2
N C
D 2
N C
3
P N C
1 P N
C
D 4 N
C C 4
N C B
4 N
C
3
N
C
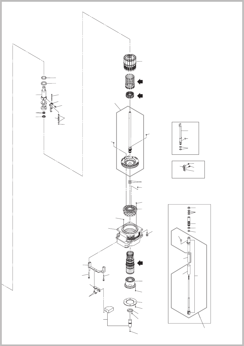
See Fig. A1-4
Key No.343
See Fig. A1-3
Key No.208
See Fig. A1-3
Key No.210
See Fig. A1-2
Key No.107
66
51
Fig. A1-1
カバー、ケーブル
Cover, Cable
Fig. A1
高速ヘッド
(DDH V8)
HIGH SPEED HEAD(DDH V8)

7
N
C
1 N
C
2 N C
3
N
C
2
0 X
1 0 X
1 0 B
4 N C
2 0 B
6 N C
5 N C
27
22
U25
5 N C
A 2 P
N C
B 2 P
N
C
C 2 P N C
D 2 P N
C
A
2 N
C
B 2 N C
C 2 N C
D
2 N C
3 P N C
1 P
N
C
D 4 N
C C 4 N C B
4
N
C
3
N
C
U37
B0413R
B0413 T
M31
U04
X3701
B0413 T
X10422
X10421
CN1,8,9
CN2,3,4
CN5,6,7
M33
M34
B3101
B3106
B3103
U147
M32
X14701
B01
B02
B04
X3105
X3103
X3104D
X3104B
X3104C
X31P3
X31P2 A
X31P2D
X31P2C
X31P2B
X312 A
X312D
X312C
X312B
U03
X0304
X0307
X0305
X0306
A31
B05
25
24
28
33
34
35
40
32
26
26
23
27
40
26
27
40
26
27
40
26
B3105
B3102
32
26
B3104
51
Fig. A1
1202-001
Fig. A1-1
