80S-2080F480F4-680F5 User’s Manual - 第239页
5 Vision Functions SIPLACE 80S-20/F4/F4-6/F5 User’s Manual 5.1 Overview of the Vision Systems in the SIPLACE 80S-20 /F4/F4-6/F5 Machines Edition 03/98 from Software Version SR.404.xx 5 - 18 Line engine er

SIPLACE 80S-20/F4/F4-6/F5 User’s Manual 5 Vision Functions
Edition 03/98 from Software Version SR.404.xx 5.1 Overview of the Vision Systems in the SIPLACE 80S-20/F4/F4-6/F5 Machines
Line engineer 5 - 17
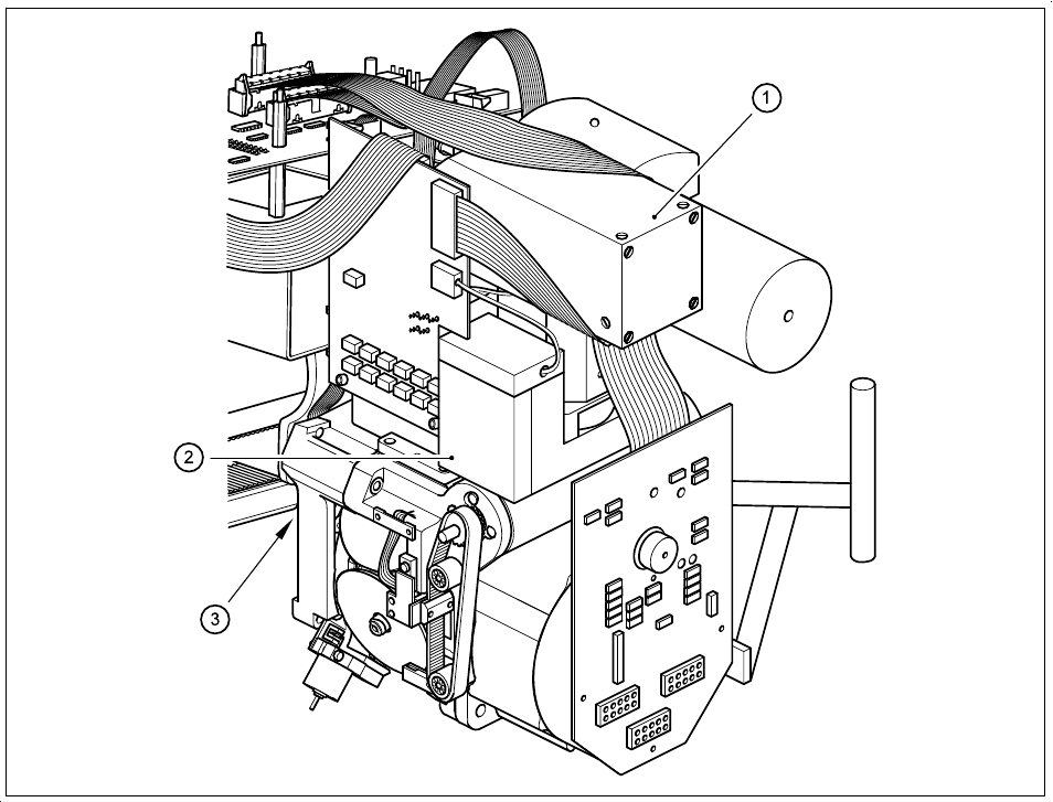
Fig. 5.1.14 Camera systems for PCB and component position recognition at the 6x revolver head
(with with component vision system for flip-chips, bare dies and standard components) of the 80F
5
machines
- Key to Fig. 5.1.14
1 Deflection mirror and component lens 2 Component camera
3 PCB camera on the underside of the gantry
The evaluation unit (ICOS MVS system) which is accommodated in the machine’s control unit (see Fig.
5.1.13, Page 5 - 16) processes and evaluates the signals from the PCB and component camera systems of
the 6x revolver and IC placement heads. The deviations from the nominal values are used for determining
correction values which are then used in the recalculation of the placement positions and the skew of the
components to be inserted.
5 Vision Functions SIPLACE 80S-20/F4/F4-6/F5 User’s Manual
5.1 Overview of the Vision Systems in the SIPLACE 80S-20/F4/F4-6/F5 Machines Edition 03/98 from Software Version SR.404.xx
5 - 18 Line engineer

SIPLACE 80S-20/F4/F4-6/F5 User’s Manual 5 Vision Functions
Edition 03/98 from Software Version SR.404.xx 5.2 PCB Vision System
Line engineer 5 - 19
5.2 PCB Vision System
The PCB vision system registers the precise position of the board by surveying fiducials and then determines
the offset along the x and y axes, the skew with respect to the direction in which the boards are transported,
and also the shear of the board. The PCB vision system also registers and evaluates reject fiducials (ink
dots).
5.2.1 System Description
The PCB vision system for PCB position recognition consists of
l the optical system for PCB position recognition
Each gantry has its own PCB position recognition system (see Fig. 5.1.2, Page 5 - 5).
PLEASE NOTE:
PCB position detection is only carried out with gantry 1.
l the vision evaluation unit
Each machine accommodates in the control unit an evaluation unit for PCB and component position recog-
nition (see Fig. 5.1.4, Fig. 5.1.7 and Fig. 5.1.10).
The optical PCB position recognition system consists of a CCD camera (a SONY XC75) with integrated imag-
ing and illuminating optics. The field of view of the board module is 5.7 mm x 5.7 mm. A search area can be
programmed by size and position within the dimensions of the field of view. The imaging lens is a special
measuring lens which compensates for virtually all measuring errors resulting from warping of the board. The
lighting is only switched on while fiducials are being registered.
The vision evaluation unit (MVS) is a single-board system which conforms with the VME standard. The hard-
ware consists of:
l the MVS motherboard with vision processor and interface connections
The rear side of the board accommodates
– the plug-in connections for the VME bus and
– the high-speed communications unit (HS
3
L).
Machine PCB camera MVS evaluation unit
80S-20 (2 gantries) 2 1
80F
4
(1 gantry)
11
80F
4
-6 (1 gantry)
11
80F
5
(1 gantry)
11
Tab. 5.2.1