80S-2080F480F4-680F5 User’s Manual - 第36页
0 Introduction SIPLACE 80S-20/F4/F4-6/F5 User’s Manual 0.4 Overall View of Asse mblies Edition 03/98 from S oftware Version S R.404.xx 0 - 32 0.4.6 Overview of the 6-nozzle rev olver head with st andard component vision …

SIPLACE 80S-20/F4/F4-6/F5 User’s Manual 0 Introduction
Edition 03/98 from Software Version SR.404.xx 0.4 Overall View of Assemblies
0 - 31
0.4.5 Overall View of the 12-nozzle Revolver Head
Fig. 0.4.5 Overall view of the 12-nozzle revolver head
- Key to Fig. 0.4.5
1 Component illumination control board 2 Sleeves (1 to 12)
3 Adjustment unit for reject position 4 Star drive
5 Intermediate distribution board 6 Z axis drive
7 Component camera 8 Component illumination system
008
008
1
2
3
4
5
6
7
8

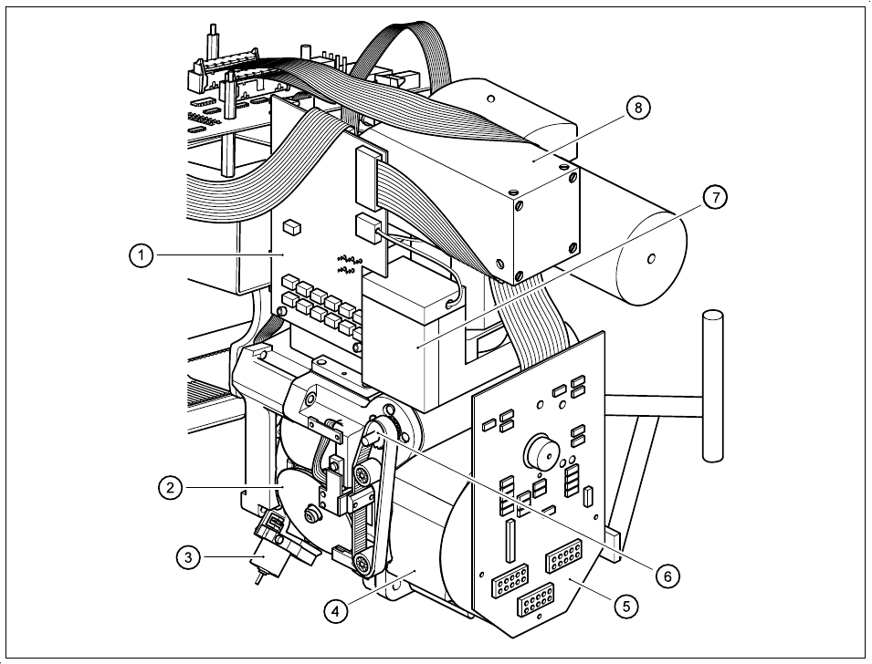
0 Introduction SIPLACE 80S-20/F4/F4-6/F5 User’s Manual
0.4 Overall View of Assemblies Edition 03/98 from Software Version SR.404.xx
0 - 32
0.4.6 Overview of the 6-nozzle revolver head with standard component
vision system
Fig. 0.4.6 Overview of the 6-nozzle revolver head with standard component vision system
- Key to Fig. 0.4.6
1 Component illumination control board 2 Sleeves (1 to 6)
3 Adjustment unit for reject position 4 Star drive
5 Intermediate distribution board 6 Z axis drive
7 Component camera 8 Standard component illumination system
5
6
7
1
4
2
3
8

SIPLACE 80S-20/F4/F4-6/F5 User’s Manual 0 Introduction
Edition 03/98 from Software Version SR.404.xx 0.4 Overall View of Assemblies
0 - 33
0.4.7 Overview of the 6-nozzle revolver head with component vision
system for flip-chip-components, bare dies and standard compo-
nents (DCA option)
Fig. 0.4.7 Overview of the 6-nozzle revolver head with component camera for flip-chips, bare dies and standard components
(DCA option)
- Key to Fig. 0.4.7
1 Component illumination control board 2 Sleeves (1 to 6)
3 Adjustment unit for reject position 4 Star drive
5 Intermediate distribution board 6 Z axis drive
7 Component camera 8 Component illumination system for flip-chips,
bare dies and standard components (DCA option)