80S-2080F480F4-680F5 User’s Manual - 第39页
SIPLACE 80S-20/F4/F4-6/F5 User’s Manual 0 Introduction Edition 03/98 from S oftware Version SR.404.xx 0.4 Overall View of A ssemblies 0 - 35 0.4.9 Overall View of the Ga ntry Fig. 0.4.9 Overall view of the gantry - Key t…

0 Introduction SIPLACE 80S-20/F4/F4-6/F5 User’s Manual
0.4 Overall View of Assemblies Edition 03/98 from Software Version SR.404.xx
0 - 34
0.4.8 Overall View of IC Head
Fig. 0.4.8 Overall view of IC head
- Key to Fig. 0.4.8
1 Sleeve 2 Vacuum nozzle
3 Nozzle 4 Component vision system
5 Flip-chip vision system
1
2
3
4
5

SIPLACE 80S-20/F4/F4-6/F5 User’s Manual 0 Introduction
Edition 03/98 from Software Version SR.404.xx 0.4 Overall View of Assemblies
0 - 35
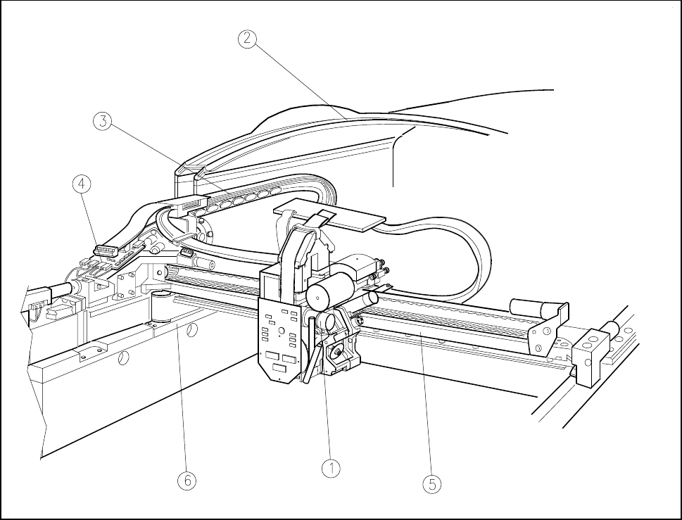
0.4.9 Overall View of the Gantry
Fig. 0.4.9 Overall view of the gantry
- Key to Fig. 0.4.9
1 Revolver head 2 Protective cover
3 Drag cable 4 Gantry axes conversion board
5 X axis 6 Y axis

0 Introduction SIPLACE 80S-20/F4/F4-6/F5 User’s Manual
0.4 Overall View of Assemblies Edition 03/98 from Software Version SR.404.xx
0 - 36
0.4.10 Overall View of PCB Transport
Fig. 0.4.10 Overall view of PCB transport
- Key to Fig. 0.4.10
1 Input belt 2 Center belt
3 Output belt 4 Control for PCB handling/lifting table
5 BERO for monitoring the input belt 6 Lifting table
7 BERO for monitoring the center belt 8 PCB stopper
9 BERO for width adjustment 10 BERO for monitoring the output belt
r