N7205A106B - 第120页
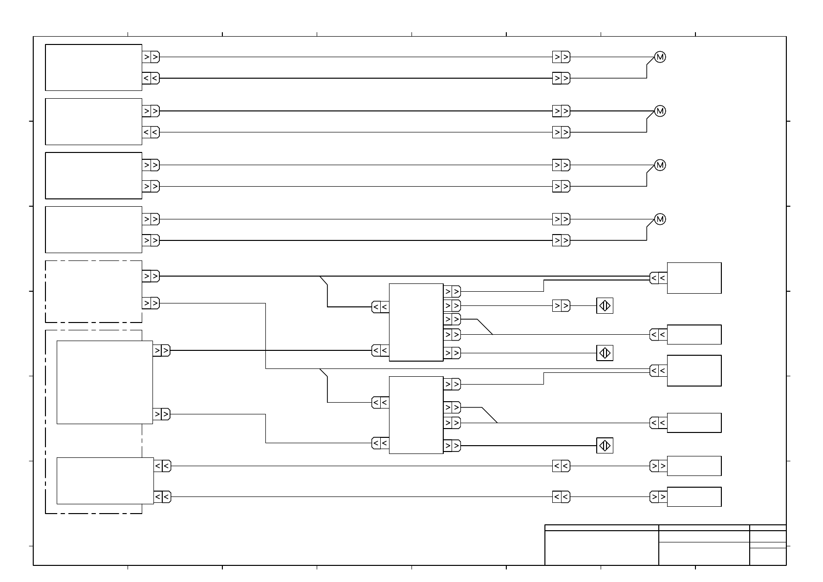
-K302 PNFCAC -A01 CPU Box -A02 Power Unit 1 R1.25-4 JST E2K501 R1.25-4 JST CN3 FX-Axis Motor Driver FX-Axis Motor N610159580** : Main Body Wiring : NPM-D3 NCIO Board BN BU BK WH RD RX+ RX- X2A 3 6 1 2 5 4 7 8 EX5V EX0V E…

FX-Axis Motor
-K501
Driver
LED Lighting #1
-A11
-K502
-K503
-K504
FX-Axis
Linear Motor
-M501
-M502
-M503
-M504
(Front)
Head1
LED Lighting #2
-A12
(Rear)
Head2
Area Camera
(Front)
(Rear)
Area Camera
LED
-K349
Controller #1
LED
-K350
Controller #2
CPU Box
-A01
Power Unit 1
-A02
NCIO Board
-K302
PNFCAC
Capture
-K303
Board
-E001
-E002
-B3001
PPRCAH
Area Camera
Area Camera
Panasonic Factory Solutions Co.,Ltd. パナソニック ファクトリーソリューションズ株式会社
Name
Drawing No.
Loc. No.
F4K1020-05A
1
2 3 4 5 6 7 8
A
B
C
D
E
F
1 2 3 4 5 6 7 8
A
B
C
D
E
F
Page. No.
XY UNIT : NPM-D3
(Block Diagram)
N610157814+002AA
P002
-B1A04
Y-Axis Interference
Detection
-B3002
-B1G00,-B1G00T
Height Sensor
Height Sensor
-B1G00,-B1G00T
FY-Axis Motor
Driver
RX-Axis Motor
Driver
RY-Axis Motor
Driver
FY-Axis
Linear Motor
RX-Axis
Linear Motor
RY-Axis
Linear Motor

-K302
PNFCAC
-A01
CPU Box
-A02
Power Unit 1
R1.25-4
JST
E2K501
R1.25-4
JST
CN3
FX-Axis
Motor Driver
FX-Axis Motor
N610159580** : Main Body Wiring : NPM-D3
NCIO Board
BN
BU
BK
WH
RD
RX+
RX-
X2A
3
6
1
2
5
4
7
8
EX5V
EX0V
EXPS
/EXPS
EXA
/EXA
EXB
/EXB
EXZ
/EXZ
B1
B3
B2
U
V
W
1
2
3
4
5
6
7
8
9
10
6
5
4
3
2
1
5
4
3
2
1
X5
XB XA
L1
L2
L3
L1C
L2C
GN/YE
FGM501 FGK501
R2-4
JST
R2-4
JST
TDK
ZCAT3035-1330
UL#16 105/600-1.25mm2
BK
SSG
SM
W
V
U
Linear
1
5
2
6
3
9
4
7
8
1
2
3
4
E
N610157840AD
TX+
TX-
3
6
1
2
5
4
7
8
AMP
XBK501
1-178128-6
1
2
3
4
5
6
AMP
XMM501
1-179553-4
4
3
2
1
DDK
XEM501
17JE-23090-02(D1)
8
7
4
9
3
6
2
5
1
JST
X5K501
MUF-PK10K-X
1
2
3
4
5
6
7
8
9
10
AMP
XAK501
1-178128-5
1
2
3
4
5
HRZVV-SB-H(c2570) AWG17/4C+AWG19/2C
E1K501
N610157820AA
N610157819AB
RMFEV-P(2517) AWG17/2C+AWG21/2C
RD
BN
BK
WH
RMFEV-P(2517) AWG17/2C+AWG21/2C
RD
BN
BK
WH
GN
BK
YE
BU
WH
OG
RD
BN
PK
GY
VT
LB
RMFEV-P(2517) AWG25/4P+AWG30/4C
N510038554AA
CN3K302
8
7
4
5
2
1
6
3
X2AK501
8
7
4
5
2
1
6
3
KSL-C5ES4P(LW)L=1650 L
GN
WH/GN
OG
WH/OG
BU
WH/BU
BN
WH/BN
-K501
MCDHT3520NL3
Panasonic (Motor)
-M501
Note1) Connector pin arrangement is not sequential.
Note1)
Note1)
Note1)
Note1)
Note1)
1
1
L112b1X1
L212b1X1
L312b1X1
L11b3X1
L31b4X1
FG1K501
L112
L212
L312
L11
L31
FG
Eb3X1
1
TDK
ZCAT3035-1330
2
(*1)
(*1)
This ferrite core is the same as that of the ferrite core
of the coordinates D-5 of P004.
2
Panasonic Factory Solutions Co.,Ltd. パナソニック ファクトリーソリューションズ株式会社
Name
Drawing No.
Loc. No.
F4K1020-05A
1
2 3 4 5 6 7 8
A
B
C
D
E
F
1 2 3 4 5 6 7 8
A
B
C
D
E
F
Page. No.
XY UNIT : NPM-D3
(FX-Axis Wiring)
N610157814+003AD
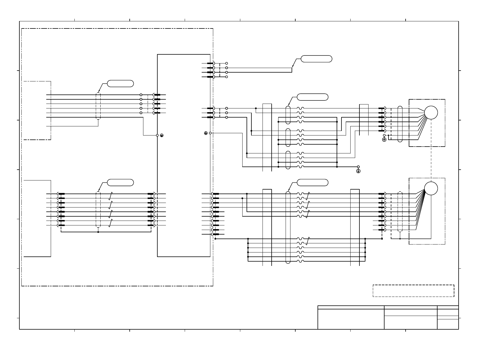
P003
3

-A02
Power Unit 1
X2B
-K501
MCDHT3520NL3
Panasonic
E1K502
N610159580** : Main Body Wiring : NPM-D3
R2-4
JST
4XAK502(L2)
5XAK502(L1)
AI 2,5-12 BU
PHOENIX CONTACT
3XAK502(L3)
2XAK502(L1C)
AI 0,75-12 GY
1XAK502(L2C)
RD
WH
BK
BU
BN
EM502
5.5-S4
JST
E2K502
XAK502
05JFAT-SAXGSA-L
5
4
3
2
1
JST
GN/YE
WH
BK
RD
BN
RMFEV-P(2517) AWG17/2C+AWG21/2C
WH
BK
RD
BN
RMFEV-P(2517) AWG17/2C+AWG21/2C
WH
BK
RD
BN
RMFEV-P(2517) AWG17/2C+AWG21/2C
LB
VT
GY
PK
BK
GN
BU
YE
RD
BN
WH
OG
TDK
ZCAT3035-1330
TDK
ZCAT3035-1330
SEIWA
E04SR200932
TX+
TX-
3
6
1
2
5
4
7
8
AMP
YMM502
1-179555-3
B3
A3
B2
A2
B1
A1
JST
X5K502
MUF-PK10K-X
1
2
3
4
5
6
7
8
9
10
RMFEV-P(2517) AWG25/4P+AWG30/4C
HRZVV-SB-H(c2570) AWG15/4C+AWG19/2C
3
2
JST
4
1
04JFAT-SAXGSA-L
XCK502
2XCK502(B2)
AI1.5-10BK
PHOENIX CONTACT
3XCK502(B3)
UL#16 105/600-1.25mm2 BK
N610161318AB
2XBK502(V)
1XBK502(W)
3XBK502(U)
AI-TWIN2x1.5-12BK
PHOENIX CONTACT
XBK502
03JFAT-SAXGSA-L
3
2
1
JST
DDK
YEM502
17JE-23090-02(D1)
8
7
4
9
3
6
2
5
1
N510023954AA
X2BK501
8
7
4
5
2
1
6
3
X2AK502
8
7
4
5
2
1
6
3
KSL-C5ES4P(LW)L=0200 L
GN
WH/GN
OG
WH/OG
BU
WH/BU
BN
WH/BN
N610157841AC
FY-Axis
Motor Driver
R5.5-4
JST
XA
L1
L2
L3
L1C
L2C
RX+
RX-
X2A
3
6
1
2
5
4
7
8
X5
1
2
3
4
5
6
7
8
9
10
EX5V
EX0V
EXPS
/EXPS
EXA
/EXA
EXB
/EXB
EXZ
/EXZ
U
V
W
NC
B2
B3
B1
XC
XB
5
4
3
2
1
3
2
1
1
2
3
4
-K502
MEDHT7364NL3
Panasonic (Motor)
FY-Axis Motor
1
5
2
6
3
9
4
7
8
W
V
U
W
V
SSG
SM
U
A1
B1
A2
B2
A3
B3
Linear
-M502
E
E
N610157821AB
N610157822AA
FX-Axis
Motor Driver
Note1) Connector pin arrangement is not sequential.
Note1)
Note1)
Note1)
Note1) Note1)
1
1
1
Panasonic Factory Solutions Co.,Ltd. パナソニック ファクトリーソリューションズ株式会社
Name
Drawing No.
Loc. No.
F4K1020-05A
1
2 3 4 5 6 7 8
A
B
C
D
E
F
1 2 3 4 5 6 7 8
A
B
C
D
E
F
Page. No.
XY UNIT : NPM-D3
(FY-Axis Wiring)
N610157814+004AC
P004
L112c1X1
L212c1X1
L312c1X1
L11b4X1
L31b5X1
FG1K502
L112
L212
L312
L11
L31
FG
Ec2X1
1
TDK
ZCAT3035-1330
2
(*1)
(*1)
This ferrite core is the same as that of the ferrite core
of the coordinates C-5 of P003.
2