N7205A106B - 第189页
SSG SM U V W FG A A B B Z Z VDD GND Sanyo Denki BK2 RD2 YE WH2 VT GN BN BU GY BK WH RD P50B02002BXS2D -M401 θ1-axis motor 9 3 6 12 5 11 4 10 8 2 1 7 CN33 3 9 12 6 11 5 10 4 2 MOLEX CN33 43025-1200 8 7 1 T1-PHASE_V T1-PHA…

+24V
GND
+24V
GND
+24V
GND
+24V
GND
+24V
GND
CN25
1
6
2
7
3
8
4
9
5
10
RXD+
RXD-
TXD+
TXD-
EMGIN
Z ILKF
Z ILKR
GND
1
5
2
6
3
4
8
7
CN26
1
6
2
MOLEX
CN25
43025-1000
7
3
8
4
9
5
10
1
5
2
MOLEX
CN26
43025-0800
6
3
4
8
7
BK
BK/WH
RD
RD/WH
GN
GN/WH
YE
YE/WH
BN
BN/WH
BU
BU/WH
GY/WH
OG
GY
OG/WH
13
14
5
6
4
3
12
11
16
15
9
10
8
Japan Aviation Electronics Industry
CN1
DM1P016SA1
7
1
2
2464-1061/ⅡA-SBX(PF) LF 8P×24AWG
FGK301
R1.25-3
JAPAN SOLDERLESS TER
FGCN1
R1.25-3
JAPAN SOLDERLESS TER
N610159859AC
-K301
PMC0A3
2
1
7
8
10
9
15
16
+24V
GND
+24V
GND
+24V
GND
+24V
GND
XY UNIT : NPM
TXD+
TXD-
RXD+
RXD-
EMG
ILK1
ILK2
GND
11
12
3
4
6
5
14
13
TDK
ZCAT2436-1330A
1
FG1
1
FG2
1
Note1) Connenctor Pin arrangement is not sequential.
Note1) Note1)
Note1)
2
R1.25-4
2
Panasonic Factory Solutions Co.,Ltd. パナソニック ファクトリーソリューションズ株式会社
Name
Drawing No.
Loc. No.
F4K1020-05A
1
2 3 4 5 6 7 8
A
B
C
D
E
F
1 2 3 4 5 6 7 8
A
B
C
D
E
F
Page. No.
Light Weight 16 Nozzle Head (H):NPM
(Power, communication wiring)
N610159868+003AC
P003

SSG
SM
U
V
W
FG
A
A
B
B
Z
Z
VDD
GND
Sanyo Denki
BK2
RD2
YE
WH2
VT
GN
BN
BU
GY
BK
WH
RD
P50B02002BXS2D
-M401
θ1-axis motor
9
3
6
12
5
11
4
10
8
2
1
7
CN33
3
9
12
6
11
5
10
4
2
MOLEX
CN33
43025-1200
8
7
1
T1-PHASE_V
T1-PHASE_U
FG
T1-PHASE_W
+5V
GND
B
Z
Z
A
A
B
-K301
PMC0A3
9
3
6
12
5
11
4
10
8
2
1
7
CN34
T2-PHASE_V
T2-PHASE_U
FG
T2-PHASE_W
+5V
GND
B
Z
Z
A
A
B
θ1-axis encoder
θ2-axis motor
θ2-axis encoder
3
9
12
6
11
5
10
4
2
MOLEX
CN34
43025-1200
8
7
1
Panasonic Factory Solutions Co.,Ltd. パナソニック ファクトリーソリューションズ株式会社
Name
Drawing No.
Loc. No.
F4K1020-05A
1
2 3 4 5 6 7 8
A
B
C
D
E
F
1 2 3 4 5 6 7 8
A
B
C
D
E
F
Page. No.
Light Weight 16 Nozzle Head (H):NPM
(θ1-2 axis wiring)
N610159868+004AA
P004
SSG
SM
U
V
W
FG
A
A
B
B
Z
Z
VDD
GND
BK2
RD2
YE
WH2
VT
GN
BN
BU
GY
BK
WH
RD
P50B02002BXS2D
-M402
Sanyo Denki

-K301
PMC0A3
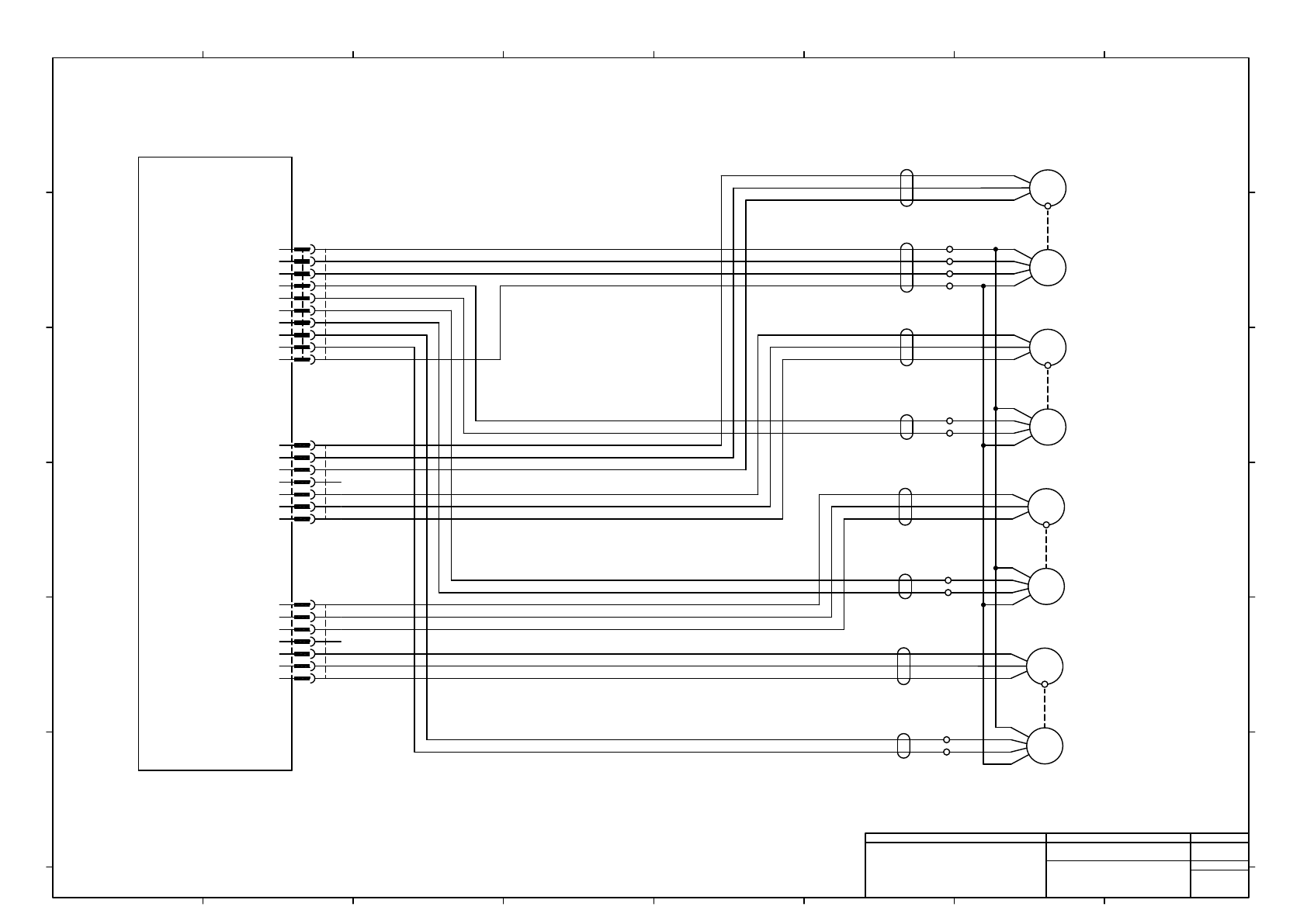
CN1
1
2
3
4
5
6
7
Z1-PHASE_V
Z1-PHASE_U
FG
Z1-PHASE_W
VDD
A
B
GND
U
V
W
SM
SSG
-M403
RMTA-A002A16-MA12
RD
WH
BU
RD1
BU1
WH1
BK
YASKAWA ELECTRIC
Z2-PHASE_V
Z2-PHASE_U
Z2-PHASE_W
CN9
Z1-A
+5V
Z2-A
Z1-B
Z3-A
Z2-B
Z3-B
Z4-B
Z4-A
GND
CN2
1
2
3
4
5
6
7
Z3-PHASE_V
Z3-PHASE_U
FG
Z3-PHASE_W
Z4-PHASE_V
Z4-PHASE_U
Z4-PHASE_W
Z1-axis motor
Z1-axis encoder
Z2-axis motor
Z2-axis encoder
A
B
U
V
W
SM
SSG
-M404
RMTA-A002A16-MA12
RD
WH
BU
BU1
WH1
YASKAWA ELECTRIC
Z3-axis motor
Z3-axis encoder
Z4-axis motor
Z4-axis encoder
A
B
U
V
W
SM
SSG
-M405
RMTA-A002A16-MA12
RD
WH
BU
BU1
WH1
YASKAWA ELECTRIC
A
B
U
V
W
SM
SSG
-M406
RMTA-A002A16-MA12
RD
WH
BU
BU1
WH1
YASKAWA ELECTRIC
CN9
1
2
3
4
5
6
7
8
9
10
JAPAN SOLDERLESS TER
1
PAP-07V-S
7
6
5
4
3
2
1
MOLEX
9
502380-1000
1
2
3
4
5
6
7
8
9
10
JAPAN SOLDERLESS TER
2
PAP-07V-S
7
6
5
4
3
2
1
Panasonic Factory Solutions Co.,Ltd. パナソニック ファクトリーソリューションズ株式会社
Name
Drawing No.
Loc. No.
F4K1020-05A
1
2 3 4 5 6 7 8
A
B
C
D
E
F
1 2 3 4 5 6 7 8
A
B
C
D
E
F
Page. No.
Light Weight 16 Nozzle Head (H):NPM
(Z 1-4 axis wiring)
N610159868+005AA
P005