N7205A106B - 第194页
HVAL GVAL FVAL EVAL DVAL CVAL BVAL AVAL PV24 -R3001 -R3002 -R3003 -R3004 -R3005 -R3006 -R3007 -R3008 CN13 1 2 3 4 5 6 7 8 9 CN14 1 2 3 4 5 6 7 8 9 9 8 7 6 5 4 JAPAN SOLDERLESS TER CN13 PAP-09V-S 3 2 1 EXLON-PVC ULTUBE AH…

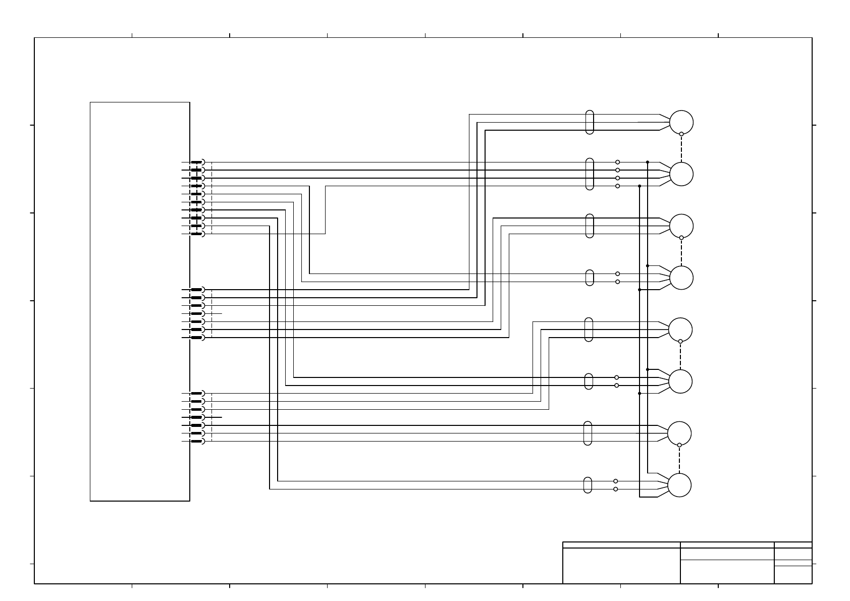
-K301
PMC0A3
CN7
1
2
3
4
5
6
7
Z13-PHASE_V
Z13-PHASE_U
FG
Z13-PHASE_W
VDD
A
B
GND
U
V
W
SM
SSG
-M415
RMTA-A002A16-MA12
RD
WH
BU
RD1
BU1
WH1
BK
YASKAWA ELECTRIC
Z14-PHASE_V
Z14-PHASE_U
Z14-PHASE_W
CN12
Z13-A
+5V
Z14-A
Z13-B
Z15-A
Z14-B
Z15-B
Z16-B
Z16-A
GND
CN8
1
2
3
4
5
6
7
Z15-PHASE_V
Z15-PHASE_U
FG
Z15-PHASE_W
Z16-PHASE_V
Z16-PHASE_U
Z16-PHASE_W
Z13-axis motor
Z13-axis encoder
Z14-axis motor
Z14-axis encoder
A
B
U
V
W
SM
SSG
-M416
RMTA-A002A16-MA12
RD
WH
BU
BU1
WH1
YASKAWA ELECTRIC
Z15-axis motor
Z15-axis encoder
Z16-axis motor
Z16-axis encoder
A
B
U
V
W
SM
SSG
-M417
RMTA-A002A16-MA12
RD
WH
BU
BU1
WH1
YASKAWA ELECTRIC
A
B
U
V
W
SM
SSG
-M418
RMTA-A002A16-MA12
RD
WH
BU
BU1
WH1
YASKAWA ELECTRIC
1
2
3
4
5
6
7
8
9
10
JAPAN SOLDERLESS TER
7
PAP-07V-S
7
6
5
4
3
2
1
MOLEX
12
502380-1000
1
2
3
4
5
6
7
8
9
10
JAPAN SOLDERLESS TER
8
PAP-07V-S
7
6
5
4
3
2
1
Panasonic Factory Solutions Co.,Ltd. パナソニック ファクトリーソリューションズ株式会社
Name
Drawing No.
Loc. No.
F4K1020-05A
1
2 3 4 5 6 7 8
A
B
C
D
E
F
1 2 3 4 5 6 7 8
A
B
C
D
E
F
Page. No.
Light Weight 16 Nozzle Head (H):NPM
(Z 13-16 axis wiring)
N610159868+008AA
P008

HVAL
GVAL
FVAL
EVAL
DVAL
CVAL
BVAL
AVAL
PV24
-R3001
-R3002
-R3003
-R3004
-R3005
-R3006
-R3007
-R3008
CN13
1
2
3
4
5
6
7
8
9
CN14
1
2
3
4
5
6
7
8
9
9
8
7
6
5
4
JAPAN SOLDERLESS TER
CN13
PAP-09V-S
3
2
1
EXLON-PVC ULTUBE AH-6 AWG#3 BLACK
N610159860AB
C
A
SMC
1
AXT661-12
SMC
2
AXT661-12
A
C
C
A
SMC
4
AXT661-12
SMC
3
AXT661-12
A
C
1
2
3
JAPAN SOLDERLESS TER
CN14
PAP-09V-S
4
5
6
7
8
9
C
A
A
C
C
A
A
C
SMC
7
AXT661-12
SMC
8
AXT661-12
SMC
6
AXT661-12
SMC
5
AXT661-12
Vacuum valve1
Vacuum valve2
Vacuum valve3
Vacuum valve4
Vacuum valve5
Vacuum valve6
Vacuum valve7
Vacuum valve8
-K301
PMC0A3
N.C
N.C
EXLON-PVC ULTUBE AH-6 AWG#3 BLACK
N610159861AB
UL1007 26AWG RD
UL1007 26AWG BK
UL1007 26AWG RD
UL1007 26AWG BK
UL1007 26AWG RD
UL1007 26AWG BK
UL1007 26AWG RD
UL1007 26AWG BK
UL1007 26AWG RD
UL1007 26AWG BK
UL1007 26AWG RD
UL1007 26AWG BK
UL1007 26AWG RD
UL1007 26AWG BK
UL1007 26AWG RD
UL1007 26AWG BK
SMC
VQ111U-5LO-X480
SMC
VQ111U-5LO-X480
SMC
VQ111U-5LO-X480
SMC
VQ111U-5LO-X480
SMC
VQ111U-5LO-X480
SMC
VQ111U-5LO-X480
SMC
VQ111U-5LO-X480
SMC
VQ111U-5LO-X480
Panasonic Factory Solutions Co.,Ltd. パナソニック ファクトリーソリューションズ株式会社
Name
Drawing No.
Loc. No.
F4K1020-05A
1
2 3 4 5 6 7 8
A
B
C
D
E
F
1 2 3 4 5 6 7 8
A
B
C
D
E
F
Page. No.
Light Weight 16 Nozzle Head (H):NPM
(Vacuum valve 1-8 wiring)
N610159868+009AB
P009
1
1
1
1
1
1
1
1
1
1
1
1
1
1
1
1
1
1

PVAL
OVAL
NVAL
MVAL
LVAL
KVAL
JVAL
IVAL
PV24
-R3009
-R3010
-R3011
-R3012
-R3013
-R3014
-R3015
-R3016
CN15
1
2
3
4
5
6
7
8
9
CN16
1
2
3
4
5
6
7
8
9
9
8
7
6
5
4
JAPAN SOLDERLESS TER
CN15
PAP-09V-S
3
2
1
N610159862AB
C
A
SMC
9
AXT661-12
SMC
10
AXT661-12
A
C
C
A
SMC
12
AXT661-12
SMC
11
AXT661-12
A
C
1
2
3
JAPAN SOLDERLESS TER
CN16
PAP-09V-S
4
5
6
7
8
9
C
A
A
C
C
A
A
C
SMC
15
AXT661-12
SMC
16
AXT661-12
SMC
14
AXT661-12
SMC
13
AXT661-12
Vacuum valve9
Vacuum valve10
Vacuum valve11
Vacuum valve12
Vacuum valve13
Vacuum valve14
Vacuum valve15
Vacuum valve16
-K301
PMC0A3
N.C
N.C
N610159863AB
EXLON-PVC ULTUBE AH-6 AWG#3 BLACK
EXLON-PVC ULTUBE AH-6 AWG#3 BLACK
UL1007 26AWG RD
UL1007 26AWG BK
UL1007 26AWG RD
UL1007 26AWG BK
UL1007 26AWG RD
UL1007 26AWG BK
UL1007 26AWG RD
UL1007 26AWG BK
UL1007 26AWG RD
UL1007 26AWG BK
UL1007 26AWG RD
UL1007 26AWG BK
UL1007 26AWG RD
UL1007 26AWG BK
UL1007 26AWG RD
UL1007 26AWG BK
SMC
VQ111U-5LO-X480
SMC
VQ111U-5LO-X480
SMC
VQ111U-5LO-X480
SMC
VQ111U-5LO-X480
SMC
VQ111U-5LO-X480
SMC
VQ111U-5LO-X480
SMC
VQ111U-5LO-X480
SMC
VQ111U-5LO-X480
Panasonic Factory Solutions Co.,Ltd. パナソニック ファクトリーソリューションズ株式会社
Name
Drawing No.
Loc. No.
F4K1020-05A
1
2 3 4 5 6 7 8
A
B
C
D
E
F
1 2 3 4 5 6 7 8
A
B
C
D
E
F
Page. No.
Light Weight 16 Nozzle Head (H):NPM
(Vacuum valve 9-16 wiring)
N610159868+010AB
P010
1
1
1
1
1
1
1
1
1
1
1
1
1
1
1
1
1
1