N7205A106B - 第235页
22 10 23 24 25 HDR-E26MG1+ 1B300xP HONDA 17 26 18 3 16 4 -K302 PNF0AM 2 15 1 11 9 8 19 13 6 5 7 20 12 14 21 1 14 2 15 3 16 4 17 5 18 6 19 7 20 9 22 8 21 13 26 10 23 11 24 12 25 GND/12V GND X0- X0+ X1- X1+ X2- X2+ XCLK- X…

43025-1200
CN4K301
MOLEX
6
12
1
7
4
9
2
8
3
10
5
11
RD/WH (0.3mm2-2P)
BK
BK/WH
RD
RD/WH (0.3mm2-2P)
BK
BK/WH
RD
9
5
16
4
15
3
14
2
13
1
43025-1600
E031R
MOLEX
11
7
10
6
8
12 12
8
11
7
10
6
9
5
16
4
15
3
14
2
13
1
43020-1600
E031P
MOLEX
9
5
16
4
15
3
14
2
13
1
43025-1600
E035R
MOLEX
11
7
10
6
8
12 12
8
11
7
10
6
9
5
16
4
15
3
14
2
13
1
43020-1600
E035P
MOLEX
BU
BU
BU
BU
BU
BU
BU
BU
BU
BU
BU
BU
BU
BU
BU
BU
BU
BU
BU
BU
BU
BU
BU
BU
RD 0.2mm2-2C)
BU
WH
BK (0.2mm2-2C)
WH
BK (0.2mm2-2C)
WH
BK (0.2mm2-2C)
WH
BK (0.2mm2-2C)
RD 0.2mm2-2C)
BU
RD 0.2mm2-2C)
BU
RD 0.2mm2-2C)
BU
RD 0.2mm2-2C)
BU
WH
BK (0.2mm2-2C)
WH
BK (0.2mm2-2C)
WH
BK (0.2mm2-2C)
WH
BK (0.2mm2-2C)
RD 0.2mm2-2C)
BU
RD 0.2mm2-2C)
BU
RD 0.2mm2-2C)
BU
CH3_A
CH3_K
CH4_A
CH4_K
5V
GND
CH3_TEMP
5V
GND
CH4_TEMP
F.G
F.G
-K301
PPE0AA
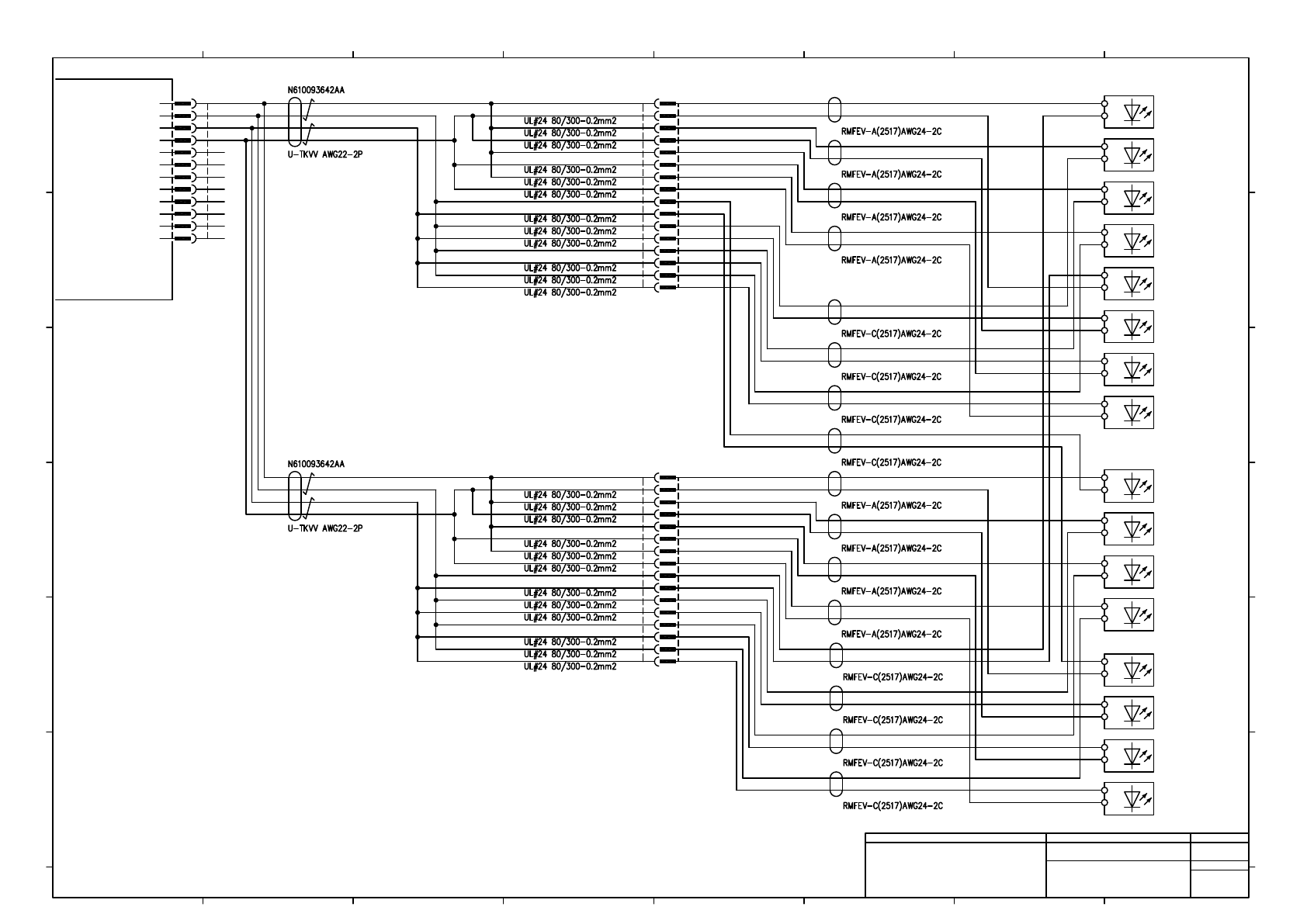
LED controller CN4
1
7
4
9
2
8
3
10
5
11
6
12
Middle LED #1
Middle LED #2
Middle LED #3
Middle LED #4
Lower LED #1
Lower LED #2
Lower LED #3
Lower LED #4
Middle LED #5
Middle LED #6
Middle LED #7
Middle LED #8
Lower LED #5
Lower LED #6
Lower LED #7
Lower LED #8
-E031
DMW21MN/L3 A
K
Panasonic
-E032
DMW21MN/L3 A
K
Panasonic
-E033
DMW21MN/L3 A
K
Panasonic
-E034
DMW21MN/L3 A
K
Panasonic
-E041
DMW21MN/L3 A
K
Panasonic
-E042
DMW21MN/L3 A
K
Panasonic
-E043
DMW21MN/L3 A
K
Panasonic
-E044
DMW21MN/L3 A
K
Panasonic
-E035
DMW21MN/L3 A
K
Panasonic
-E036
DMW21MN/L3 A
K
Panasonic
-E037
DMW21MN/L3 A
K
Panasonic
-E038
DMW21MN/L3 A
K
Panasonic
-E045
DMW21MN/L3 A
K
Panasonic
-E046
DMW21MN/L3 A
K
Panasonic
-E047
DMW21MN/L3 A
K
Panasonic
-E048
DMW21MN/L3 A
K
Panasonic
Right Side
Left Side
1
1
1
1
1
1
1
1
1
1
1
1
1
1
1
1
Panasonic Factory Solutions Co.,Ltd. パナソニック ファクトリーソリューションズ株式会社
Name
Drawing No.
Loc. No.
F4K1020-05A
1
2 3 4 5 6 7 8
A
B
C
D
E
F
1 2 3 4 5 6 7 8
A
B
C
D
E
F
Page. No.
Wiring for 2D Inspection Sensor Head:NPM
(LED Lighting wiring 2)
N610093639+005AB
P005

22
10
23
24
25
HDR-E26MG1+
1B300xP
HONDA
17
26
18
3
16
4
-K302
PNF0AM
2
15
1
11
9
8
19
13
6
5
7
20
12
14
21
1
14
2
15
3
16
4
17
5
18
6
19
7
20
9
22
8
21
13
26
10
23
11
24
12
25
GND/12V
GND
X0-
X0+
X1-
X1+
X2-
X2+
XCLK-
XCLK+
X3-
X3+
SERTC+
SERTC-
CC1-
CC+
SERTFG-
SERTFG+
GND
GND/12V
NC
NC
NC
NC
NC
NC
5
17
4
16
3
15
2
14
1
HDR-E26MG1+
CN4K302
HONDA
19
6
18
10
26
13
21
8
22
9
20
7
24
11
23
25
12
HDR-E26ALPA+
BN
BN
WH
BN
YE
GN
WH
BN
RD
GN
GN
WH
BU
BN
YE
GN
BN
LB
HDR-E26LPJ+
Camera link switch
CN4
Panasonic Factory Solutions Co.,Ltd. パナソニック ファクトリーソリューションズ株式会社
Name
Drawing No.
Loc. No.
F4K1020-05A
1
2 3 4 5 6 7 8
A
B
C
D
E
F
1 2 3 4 5 6 7 8
A
B
C
D
E
F
Page. No.
Wiring for 2D Inspection Sensor Head:NPM
(Camera link PNF0AM)
N610093639+006AA
P006

CN2
-K302
PNF0AM
22
10
23
24
25
HDR-E26MG1+
1B3001P/1B3002P
HONDA
17
26
18
3
16
4
-B3001/-B3002
2
15
Aria camera
1
11
9
8
19
13
6
5
7
20
12
14
21
1
14
25
12
24
11
23
10
22
9
21
8
20
7
18
5
19
6
13
26
17
4
16
3
15
2
1
14
2
15
3
16
4
17
5
18
6
19
7
20
9
22
8
21
13
26
10
23
11
24
12
25
GND/12V
GND
X0-
X0+
X1-
X1+
X2-
X2+
XCLK-
XCLK+
X3-
X3+
SERTC+
SERTC-
CC1-
CC1+
SERTFG-
SERTFG+
GND
GND/12V
CC2+
CC2-
CC3-
CC3+
CC4+
CC4-
GND/12V
GND
X0-
X0+
X1-
X1+
X2-
X2+
XCLK-
XCLK+
X3-
X3+
SERTC+
SERTC-
CC1-
CC+
SERTFG-
SERTFG+
GND
GND/12V
NC
NC
NC
NC
NC
NC
5
17
4
16
3
15
2
14
1
HDR-E26MG1+
B3001/B3002
HONDA
19
6
18
10
26
13
21
8
22
9
20
7
24
11
23
25
12
HDR-E26ALPA+
BN
BN
WH
BN
YE
GN
WH
BN
RD
GN
GN
WH
BU
BN
YE
GN
BN
N510040512AA
CAML-A1-0390
LB
HDR-E26LPJ+
Camera link switch
NPM:XY Beam unit
HDR-E26FSG1+
1B300xR
HONDA
9
21
8
1
14
25
12
24
11
23
10
22
4
16
3
20
7
18
5
19
6
13
26
17
15
2
BN
BN
WH
BN
YE
GN
WH
BN
RD
GN
GN
WH
BU
BN
YE
GN
BN
N510049282AA
CAML-D1-0480
LB
HDR-E26LPKA+
22
10
23
24
25
HDR-E26MSG1+
CN2K302
HONDA
17
26
18
3
16
4
2
15
1
11
9
8
19
13
6
5
7
20
12
14
21
HDR-E26ALPA+
Panasonic Factory Solutions Co.,Ltd. パナソニック ファクトリーソリューションズ株式会社
Name
Drawing No.
Loc. No.
F4K1020-05A
1
2 3 4 5 6 7 8
A
B
C
D
E
F
1 2 3 4 5 6 7 8
A
B
C
D
E
F
Page. No.
Wiring for 2D Inspection Sensor Head:NPM
(Aria Camera)
N610093639+007AA
P007