N7205A106B - 第270页
FG WH/BK4 WH/RD WH/BK GY/RD4 GY/BK4 GY/RD3 GY/BK3 WH/RD4 WH/RD3 WH/BK3 WH/RD2 WH/BK2 OG/RD OG/BK OG/RD2 OG/BK2 OG/RD3 OG/BK3 OG/RD4 OG/BK4 YE/RD YE/BK GY/RD GY/BK GY/RD2 GY/BK2 YE/BK3 YE/RD3 PK/RD3 PK/RD2 PK/BK2 PK/BK PK…

M
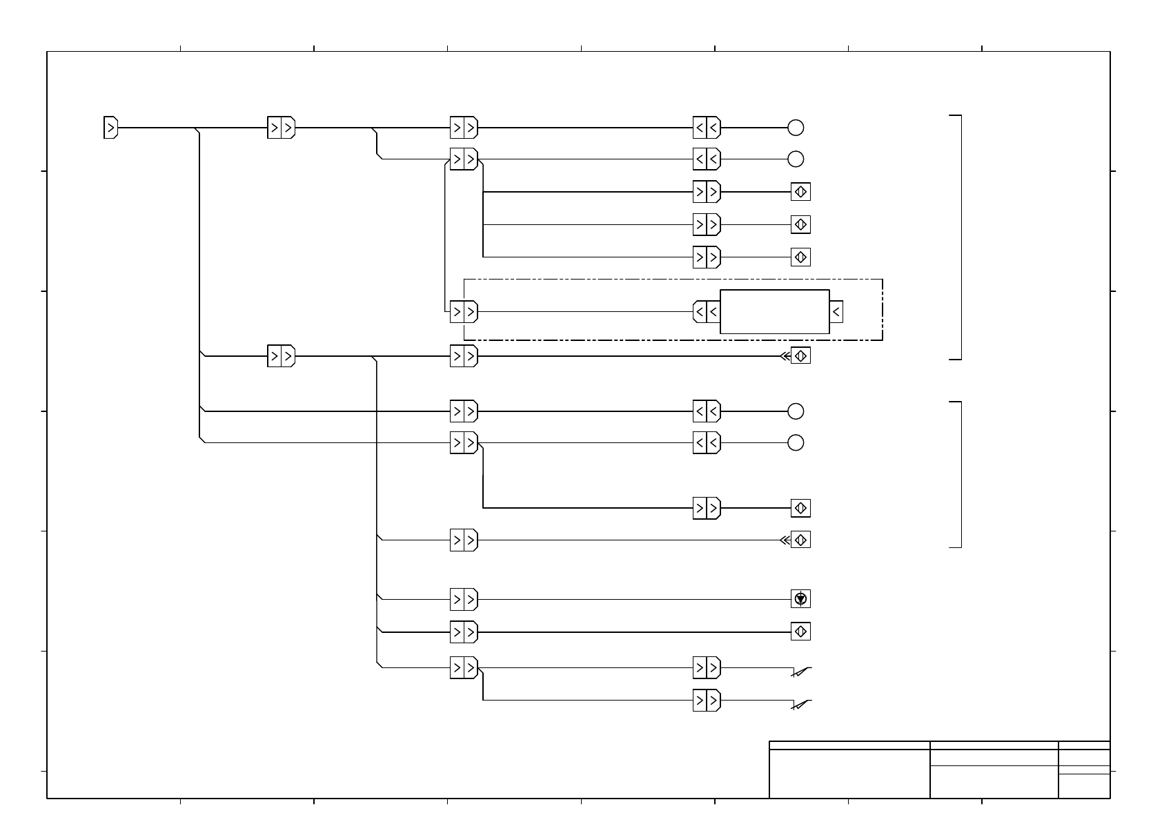
M621 L1(1) Conveyor Motor
1M621R
CNEXR
1M621P
B1021TR B1021TP
M
M623 L1(1) Width adjust Motor
S322 Cover SW Front
1S321R 1S321P
M621R
M623R 1M623R 1M623P
B1F00 +OVR (= Single mode ORG)
B1F01 ORG (= Dual mode ORG)
B1012,B1114
RS485
RS232C
-A03
RS485 1RS485R 1RS485P
B1021T Opening sensor (Projection) Rear
B1021 Opening sensor (Receive) Front
M
M652 L2(4) Conveyor Motor
1M652R 1M652P
M
M656 L2(4) Width adjust Motor
M652R
M656R 1M656R 1M656P
B1J01 ORG (= Dual mode ORG)
B1116, B1107
Lane1(1)
Lane2(4)
(Option)
B1F00R B1F00P
B1F01R B1F01P
B1J01R B1J01P
S322R S322P
B1021R B1021P
S321 Cover SW Rear
S321R S321P
1B1114R
1B1114P
1B1116R 1B1116P
B1F02 L1(1) Single mode detection
B1F02R B1F02P
2M621R 2M621P
2B1114R 2B1114P
Panasonic Factory Solutions Co.,Ltd. パナソニック ファクトリーソリューションズ株式会社
Name
Drawing No.
Loc. No.
F4K1020-05A
1
2 3 4 5 6 7 8
A
B
C
D
E
F
1 2 3 4 5 6 7 8
A
B
C
D
E
F
Page. No.
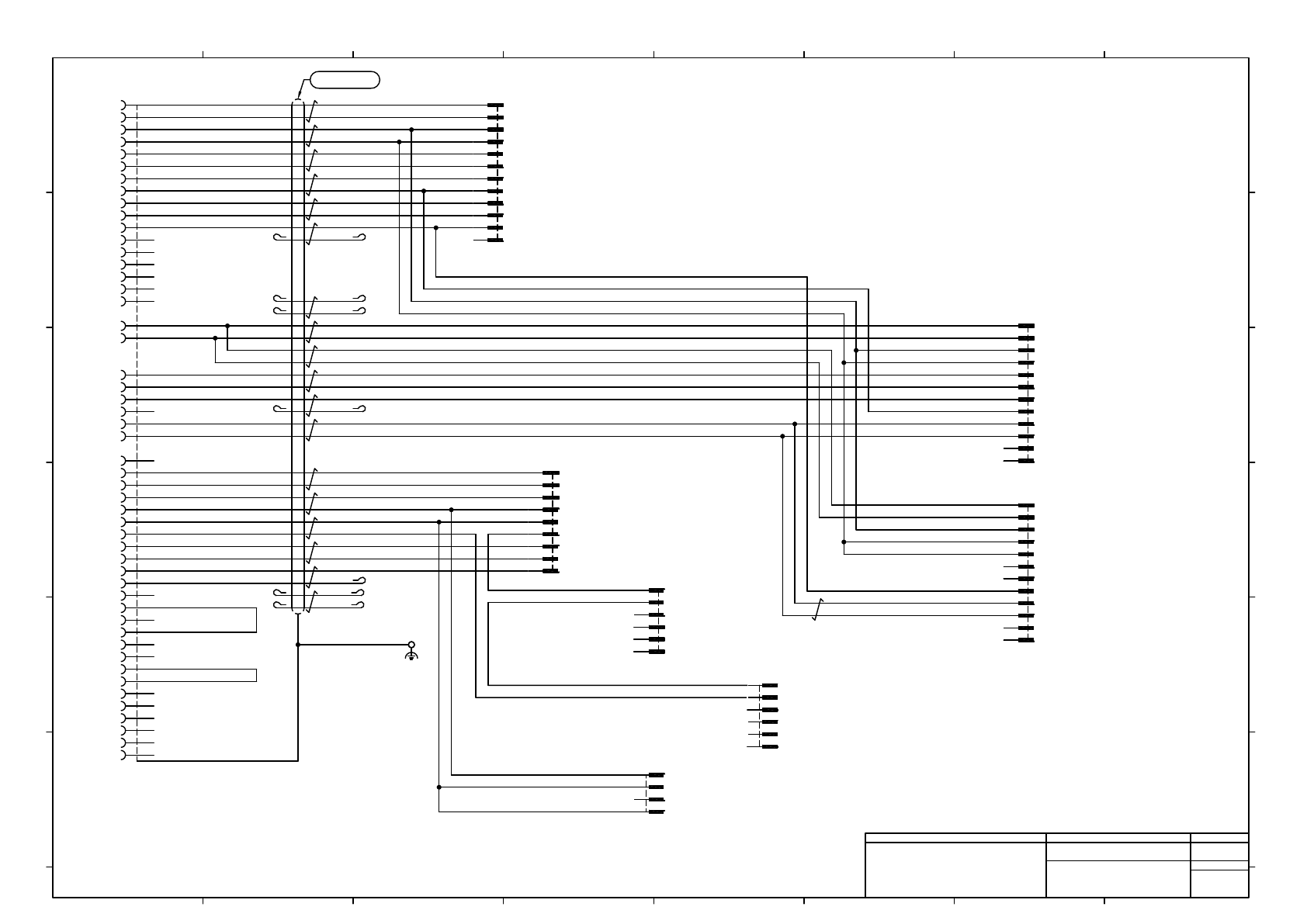
Flex Conveyor ST R Control:NPM-D
(Block diagram)
N610126534+002AA
P002

FG
WH/BK4
WH/RD
WH/BK
GY/RD4
GY/BK4
GY/RD3
GY/BK3
WH/RD4
WH/RD3
WH/BK3
WH/RD2
WH/BK2
OG/RD
OG/BK
OG/RD2
OG/BK2
OG/RD3
OG/BK3
OG/RD4
OG/BK4
YE/RD
YE/BK
GY/RD
GY/BK
GY/RD2
GY/BK2
YE/BK3
YE/RD3
PK/RD3
PK/RD2
PK/BK2
PK/BK
PK/RD
PK/BK3
R1.25-4
12
11
10
9
8
7
6
5
4
2M621P
177913-1
3
2
1
bit0
BU UL#24 80/300-0.2mm2
BU UL#24 80/300-0.2mm2
9
8
7
6
5
4
2B1114P
177911-1
3
2
1
12
11
10
9
8
7
6
5
4
1M652P
177913-1
3
2
1
12
11
10
9
8
7
6
5
4
1M656P
177913-1
3
2
1
BU UL#24 80/300-0.2mm2
BU UL#24 80/300-0.2mm2
BU UL#24 80/300-0.2mm2
BU UL#24 80/300-0.2mm2
BU UL#24 80/300-0.2mm2
A1
A2
A5
A6
B1
B2
B3
B4
B5
B6
C1
C2
C3
C4
C5
C6
E9
D9
D8
D6
D5
D4
C10
B10
A10
A9
D3
D10
E10
E8
E3
E4
B7
B8
B9
C7
C8
C9
A3
A4
D1
A7
A8
D2
D7
E1
E2
E5
E6
E7
CNEXR
54332-5001
BU UL#24 80/300-0.2mm2
BU UL#24 80/300-0.2mm2
BU UL#24 80/300-0.2mm2
YE/BK2
YE/RD2
BU UL#24 80/300-0.2mm2
BU
UL#24 80/300-0.2mm2
4
3
2
1
177908-1
B1021TP
BU
UL#24 80/300-0.2mm2
BU
UL#24 80/300-0.2mm2
BU
UL#24 80/300-0.2mm2
BU
UL#24 80/300-0.2mm2
1
2
3
1S321P
177909-1
4
5
6
177909-1
S321P
1
2
3
4
5
6
P24(M)
G24(M)
P24(C)
G24(C)
M-REV31
OUT120
M-SPD31
EMG_OUT10
D+MAIN
D-MAIN
12VIN_R
IN1R
IN2R
12VOUT_R
OUT1_R
OUT2_R
COM
P24(M)
G24(M)
S-REV31
OUT121
S-SPD31
EMG_OUT20
D+SUB
D-SUB
24VOUT
IN114
IN116
OUT106
P24
G24
R_OPEN
IN012
IN107
OUT113
OUT143
OUT142
IN242
IN243
G24
FDCOVF-R1
FDCOVR-R2
S-PWRL1
L_OPEN
LGND
L24V
IN231
IN230
IN237
S-PWR24
N610126552AB
→ P004 - 2M621R
→ P006 - 1M656R
→ P006 - 1M652R
→ P007 - 2B1114R
→ P008 - 1S321R
→ P008 - B1021TR
→ P008 - S321R
UL2464-1061-SB AWG24-18P
Panasonic Factory Solutions Co.,Ltd. パナソニック ファクトリーソリューションズ株式会社
Name
Drawing No.
Loc. No.
F4K1020-05A
1
2 3 4 5 6 7 8
A
B
C
D
E
F
1 2 3 4 5 6 7 8
A
B
C
D
E
F
Page. No.
Flex Conveyor ST R Control:NPM-D
(main cable)
N610126534+003AB
P003

43020-0600
1RS485P
1
2
3
4
5
6
12
11
10
9
8
7
6
5
4
1M623P
177913-1
3
2
1
BU UL#24 80/300-0.2mm2
BU UL#24 80/300-0.2mm2
BU UL#24 80/300-0.2mm2
BU UL#24 80/300-0.2mm2
BU UL#24 80/300-0.2mm2
BU UL#24 80/300-0.2mm2
BU UL#24 80/300-0.2mm2
12
11
10
9
8
7
6
5
4
1M621P
177913-1
3
2
1 1
2
3
2M621R
177905-1
4
5
6
7
8
9
10
11
12
BU UL#24 80/300-0.2mm2
BU UL#24 80/300-0.2mm2
BU UL#24 80/300-0.2mm2
BU UL#24 80/300-0.2mm2
BU UL#24 80/300-0.2mm2
YE
YE/WH
BN
BN/WH
BU
BK
BK/WH
RD
RD/WH
GN
GN/WH
BU/WH
2464-1061/ⅡA(PF) LF 6P×24AWG
N610126553AB
→ P005 - 1M623R
→ P003 - 2M621P
BK
BK/WH
RD/WH
(OPTION)
-A03
RS485
5557-06R-210
RS485
1
2
3
4
5
6
RS232C
RS232C
Interface Box
RD
43025-0600
1RS485R
6
5
4
3
2
1
N610126551AA
2464-1061/ⅡA(PF) LF 2P×24AWG
L1(1)
conveyor motor
4
6
14
3
2
1
13
12
8
7
5
PHDR-18VS
M621R
1
2
3
14
6
4
5
7
8
9
12
13
10
11
15
16
17
18
-M621
10
11
15
16
17
18
9
P24(M)
GND(M)
P24(C)
GND(C)
Reverce
Start/Stop
SPD H/L
EMG
DATA+
DATA-
CW/CCW
N610126554AA
1
2
3
1M621R
177905-1
4
5
6
7
8
9
10
11
12
BUSY
OUT1
NC
NC
NC
NC
OUTPUT COM
BK
BK/WH
RD
RD/WH
GN
GN/WH
YE
YE/WH
BN/WH
BN
2464-1061/ⅡA(PF) LF 5P×24AWG
P24(M)
G24(M)
P24(C)
G24(C)
M-REV31
OUT120
M-SPD31
D+MAIN
D-MAIN
EMG_OUT20
EMG_OUT10
SEIWA
E04SR200932
1
2
3
4
5
6
P24
GND
D-
D+
1
2
3
4
5
6
7
8
9
N.C
TXD
RXD
N.C
N.C
N.C
N.C
N.C
GND
Panasonic Factory Solutions Co.,Ltd. パナソニック ファクトリーソリューションズ株式会社
Name
Drawing No.
Loc. No.
F4K1020-05A
1
2 3 4 5 6 7 8
A
B
C
D
E
F
1 2 3 4 5 6 7 8
A
B
C
D
E
F
Page. No.
Flex Conveyor ST R Control:NPM-D
(L1(1) conveyor,Width adjusting motor)
N610126534+004AB
P004