N7205A106B - 第274页
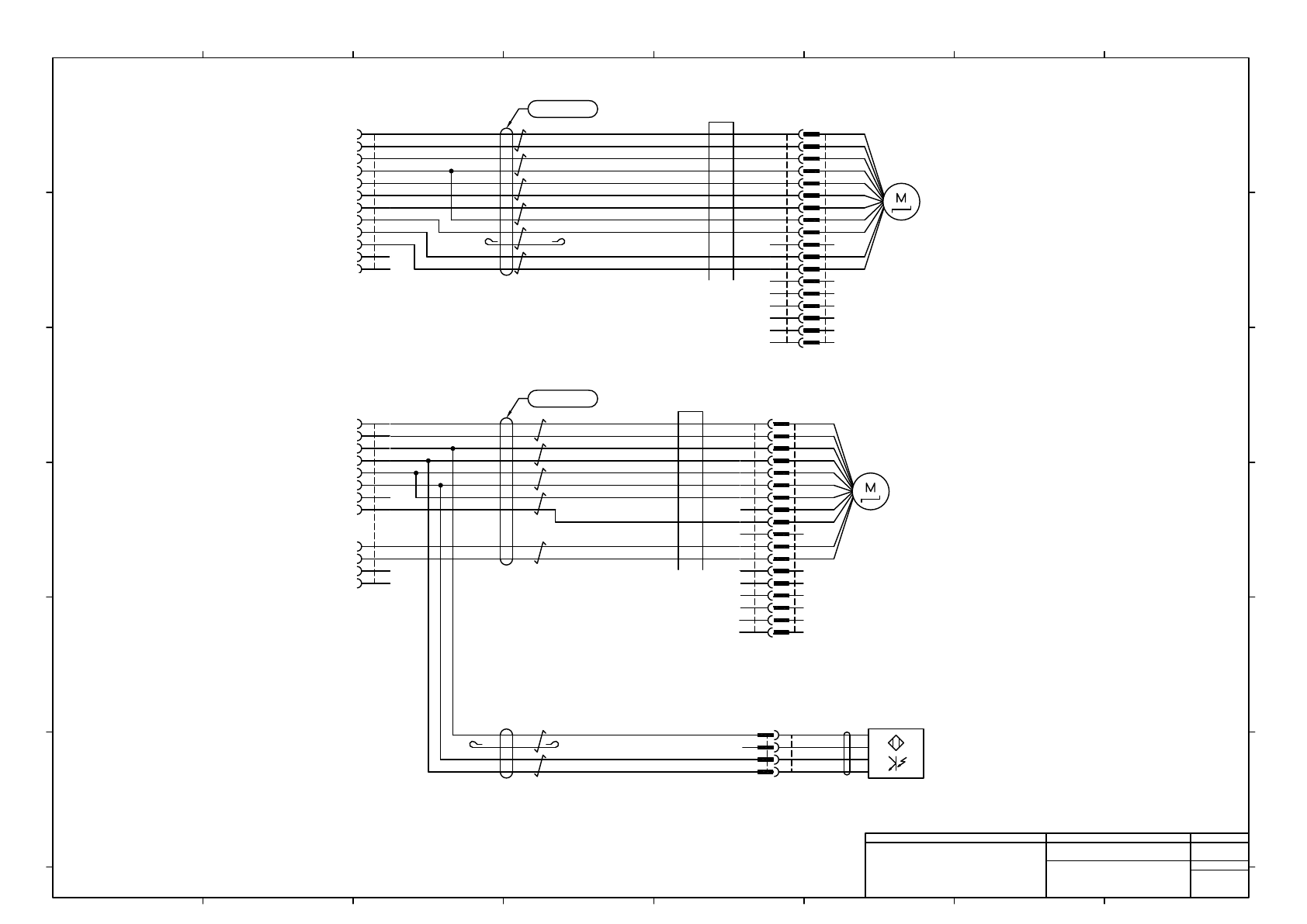
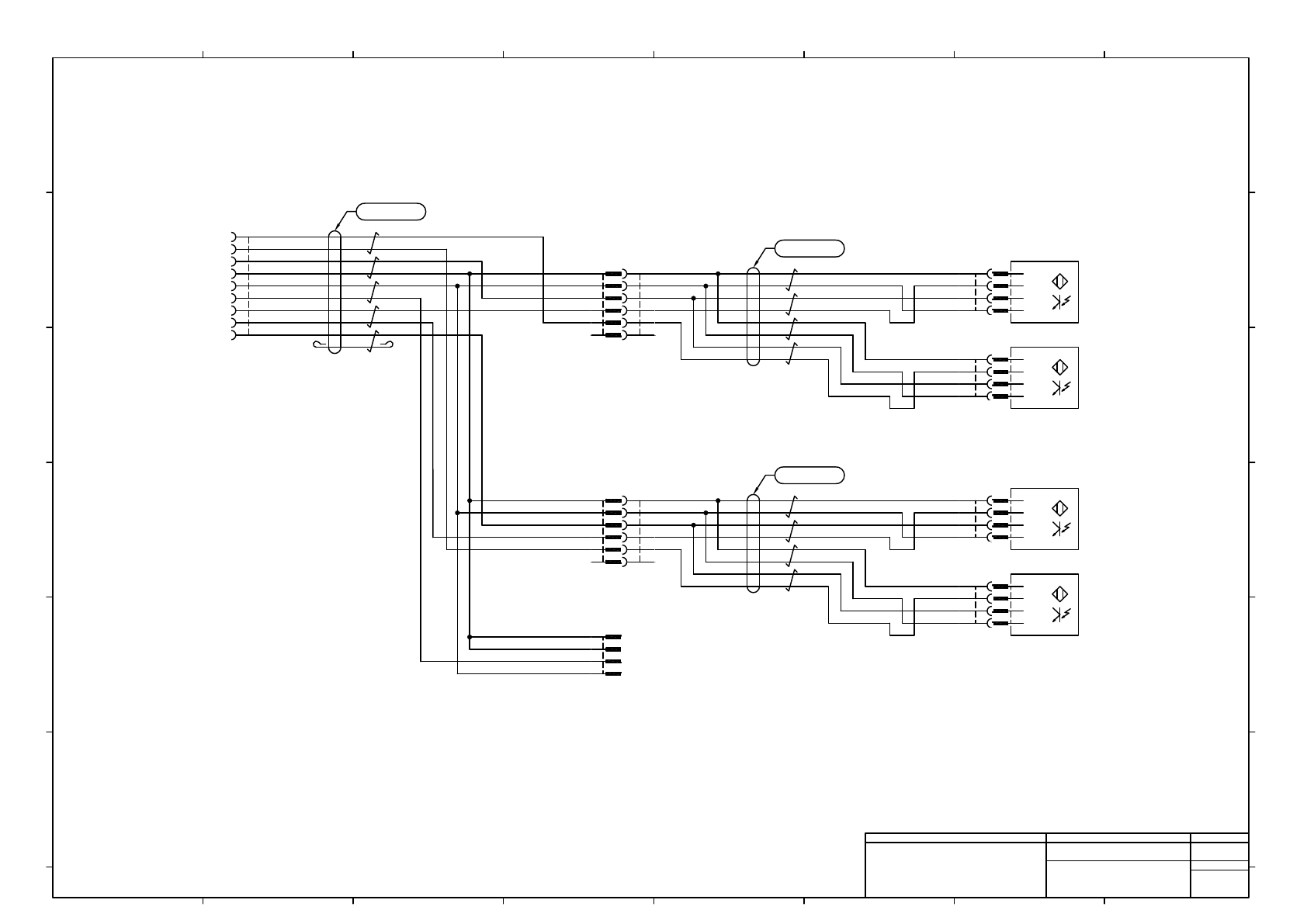
→ P003 - 2B1114P → P008 - B1021R P24 OUT IN GND 1 2 3 4 -B1114 1 2 3 4 PAP-04V-S B1114 L1(1) Board stop sensor 2 L2(4) Board stop sensor 1 L2(4) Board stop sensor 2 6 5 4 1B1114R 177901-1 3 2 1 6 5 4 1B1116R 177901-1 3 2…

→ P003 - 1M652P
→ P003 - 1M656P
L2(4)
conveyor motor
12
11
10
9
8
7
177905-1
1M652R
6
5
4
3
2
1
4
6
14
3
2
1
13
12
8
7
5
PHDR-18VS
M652R
1
2
3
14
6
4
5
7
8
9
12
13
10
11
15
16
17
18
-M652
10
11
15
16
17
18
9
YE
YE/WH
BN
BN/WH
BU
BK
BK/WH
RD
RD/WH
GN
GN/WH
BU/WH
P24(M)
GND(M)
P24(C)
GND(C)
Reverce
Start/Stop
SPD H/L
EMG
DATA+
DATA-
CW/CCW
N610126556AA
2464-1061/ⅡA(PF) LF 6P×24AWG
BUSY
OUT1
NC
NC
NC
NC
OUTPUT COM
L2(4) Width Adjustment axis
ORG (Dual mode)
L2(4) Width Adjustment axis motor
-B1J01
BN
BK
WH
BU
1
2
3
14
6
4
5
7
8
9
12
13
10
11
15
16
17
18
-M656
4
B1J01R
177900-1
3
2
1
P24(M)
GND(M)
P24(C)
GND(C)
-LS
ORG
+LS
EMG
DATA+
DATA-
CW/CCW
BUSY
NC
OUTPUT COM
NC
NC
NC
NC
P24(M)
G24(M)
P24(C)
G24(C)
S-REV31
OUT121
S-SPD31
D+SUB
D-SUB
EMG_OUT10
P24(M)
G24(M)
P24(C)
G24(C)
G24(C)
EMG_OUT20
D+SUB
D-SUB
SEIWA
E04SR200932
4
B1J01P
177908-1
3
2
1
16
15
11
10
13
12
9
8
7
5
4
6
14
M656R
PHDR-18VS
3
2
1
18
17
BN/WH
BN
YE/WH
YE
GN/WH
GN
BK/WH
BK
RD/WH
RD
1
2
3
1M656R
177905-1
4
5
6
7
8
9
10
11
12
BK/WH
BK
RD/WH
RD
2464-1061/ⅡA(PF) LF 2P×24AWG
2464-1061/ⅡA(PF) LF 5P×24AWG
N610126557AA
SEIWA
E04SR200932
Panasonic Factory Solutions Co.,Ltd. パナソニック ファクトリーソリューションズ株式会社
Name
Drawing No.
Loc. No.
F4K1020-05A
1
2 3 4 5 6 7 8
A
B
C
D
E
F
1 2 3 4 5 6 7 8
A
B
C
D
E
F
Page. No.
Flex Conveyor ST R Control:NPM-D
(L2(4) Width adjusting motor)
N610126534+006AA
P006

→ P003 - 2B1114P
→ P008 - B1021R
P24
OUT
IN
GND
1
2
3
4
-B1114
1
2
3
4
PAP-04V-S
B1114
L1(1) Board stop sensor 2
L2(4) Board stop sensor 1
L2(4) Board stop sensor 2
6
5
4
1B1114R
177901-1
3
2
1
6
5
4
1B1116R
177901-1
3
2
1
P24
OUT
IN
GND
1
2
3
4
-B1012
1
2
3
4
PAP-04V-S
B1012
L1(1) Board stop sensor 1
P24
OUT
IN
GND
1
2
3
4
-B1116
1
2
3
4
PAP-04V-S
B1116
P24
OUT
IN
GND
1
2
3
4
-B1107
1
2
3
4
PAP-04V-S
B1107
YE/WH
YE
GN/WH
GN
BK/WH
BK
RD/WH
RD
2464-1061/ⅡA(PF) LF 4PX24AWG
N610126559AA
YE/WH
YE
GN/WH
GN
BK/WH
BK
RD/WH
RD
2464-1061/ⅡA(PF) LF 4PX24AWG
N610126560AA
6
5
4
1B1114P
177909-1
3
2
1
6
5
4
1B1116P
177909-1
3
2
1
9
8
7
6
5
4
2B1114R
177903-1
3
2
1
BU UL#24 80/300-0.2mm2
BU UL#24 80/300-0.2mm2
4
3
2
1
177908-1
B1021P
BU
UL#24 80/300-0.2mm2
BU
UL#24 80/300-0.2mm2
BU
UL#24 80/300-0.2mm2
YE/WH
YE
GN
BK/WH
BK
RD/WH
RD
GN/WH
BN
2464-1061/ⅡA(PF) LF 5P×24AWG
BN/WH
N610126558AB
IN114
IN116
OUT106
P24
G24
R_OPEN
IN012
OUT113
IN107
Panasonic Factory Solutions Co.,Ltd. パナソニック ファクトリーソリューションズ株式会社
Name
Drawing No.
Loc. No.
F4K1020-05A
1
2 3 4 5 6 7 8
A
B
C
D
E
F
1 2 3 4 5 6 7 8
A
B
C
D
E
F
Page. No.
Flex Conveyor ST R Control:NPM-D
(Sensor wiring)
N610126534+007AB
P007

Transportation opening sensor (projection)
Transportation opening sensor
(Receive)
177900-1
B1021TR
4
3
2
1
177900-1
B1021R
4
3
2
1
-B1021T
BN
BK
BU
-B1021
BN
PK
BK
BU
Right (-Rear) side
Right (-Front) side
→ P003 - B1021TP
→ P007 - B1021P
N610126561AB
→ P003 - 1S321P
→ P003 - S321P
-S321
BU
BU/WH
BN
BN/WH
OG
OG/WH
177901-1
S321R
6
5
4
3
2
1
Rear side
conveyor Cover SW
Opening
sensor
L1(1),L2(4)
(Dual mode)
L-(2),L-(3)
(Quad mode)
177909-1
S322P
1
2
3
4
5
6
BK/WH
BK
2464-1061/ⅡA(PF) LF 1P×24AWG
1
2
3
1S321R
177901-1
4
5
6
-S322
BU
BU/WH
BN
BN/WH
OG
OG/WH
Front side
conveyor Cover SW
177901-1
S322R
6
5
4
3
2
1
Opening
sensor
L1(1),L2(4)
(Dual mode)
L-(2),L-(3)
(Quad mode)
P24
P24
R_OPEN
G24
P24
G24
G24
WH
BK
RD
GN
R1.25-4 R1.25-4
L1FG L1FG
N610126547AA
WH
BK
RD
GN
R1.25-4 R1.25-4
L2FG L2FG
N610126548AA
WH
BK
RD
GN
R1.25-4 R1.25-4
L2FG L2FG
N610126548AA
CONNECTOR
BRACKET
L1(1)Right (-Rear) side
Moving rail
CONNECTOR
BRACKET
L2(4)Right (-Rear) side
Moving rail
CONNECTOR
BRACKET
L2(4)Right (-Front) side
Moving rail
Panasonic Factory Solutions Co.,Ltd. パナソニック ファクトリーソリューションズ株式会社
Name
Drawing No.
Loc. No.
F4K1020-05A
1
2 3 4 5 6 7 8
A
B
C
D
E
F
1 2 3 4 5 6 7 8
A
B
C
D
E
F
Page. No.
Flex Conveyor ST R Control:NPM-D
(Opening sensor)
N610126534+008AB
P008