N7205A106B - 第284页
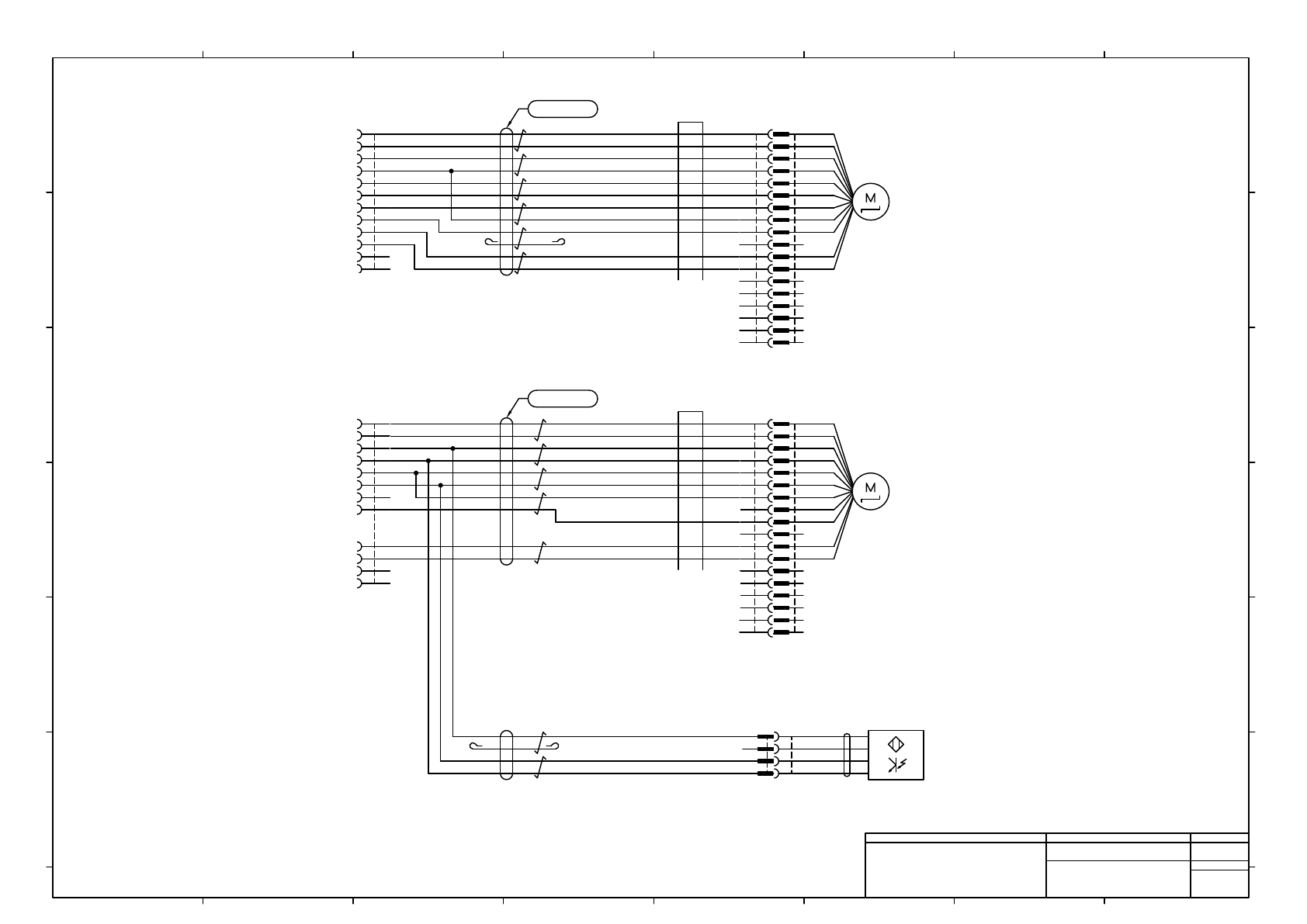
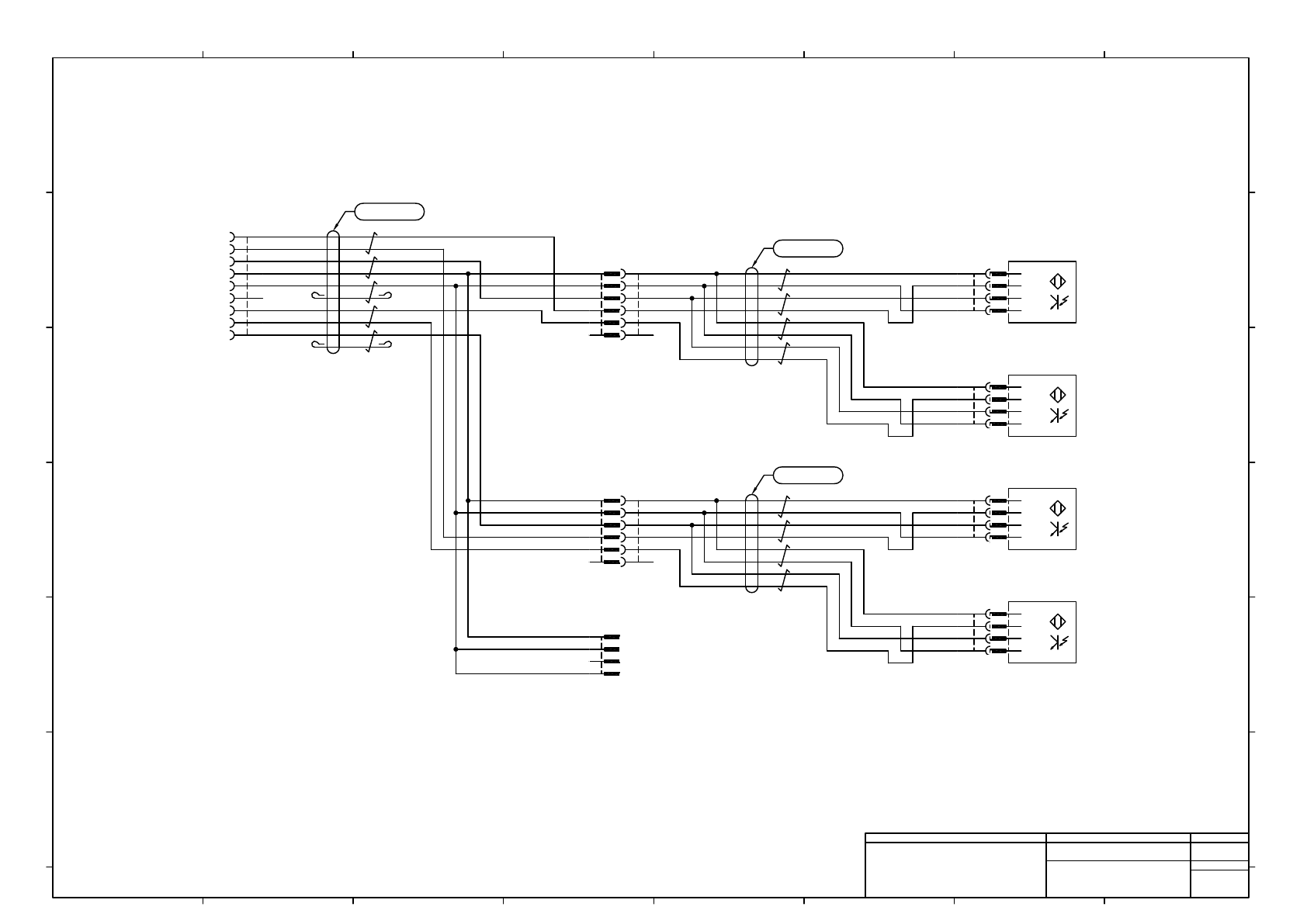
P24 OUT IN GND 1 2 3 4 -B1131 1 2 3 4 PAP-04V-S B1131 L1(1) Board stop sensor 2 L2(4) Board stop sensor 1 L2(4) Board stop sensor 2 6 5 4 1B1135R 177901-1 3 2 1 6 5 4 1B1137R 177901-1 3 2 1 P24 OUT IN GND 1 2 3 4 -B1135 …

L2(4) Width Adjustment axis
ORG (Dual mode)
L2(4) Width Adjustment axis motor
-B1I01
BN
BK
WH
BU
1
2
3
14
6
4
5
7
8
9
12
13
10
11
15
16
17
18
-M646
4
B1I01R
177900-1
3
2
1
P24(M)
GND(M)
P24(C)
GND(C)
-LS
ORG
+LS
EMG
DATA+
DATA-
CW/CCW
BUSY
NC
OUTPUT COM
NC
NC
NC
NC
Left L2(4) Conveyor motor
12
11
10
9
8
7
177905-1
1M642R
6
5
4
3
2
1
4
6
14
3
2
1
13
12
8
7
5
PHDR-18VS
M642R
1
2
3
14
6
4
5
7
8
9
12
13
10
11
15
16
17
18
-M642
10
11
15
16
17
18
9
YE
YE/WH
BN
BN/WH
BU
BK
BK/WH
RD
RD/WH
GN
GN/WH
BU/WH
P24(M)
GND(M)
P24(C)
GND(C)
Reverce
Start/Stop
SPD H/L
EMG
DATA+
DATA-
CW/CCW
2464-1061/ⅡA(PF) LF 6P×24AWG
BUSY
OUT1
NC
NC
NC
NC
OUTPUT COM
→ P003 - 1M642P
N610126541AA
→ P003 - 1M646P
P24(M)
G24(M)
P24(C)
G24(C)
S-REV21
OUT123
S-SPD21
D+SUB
D-SUB
EMG_OUT11
P24(M)
G24(M)
P24(C)
G24(C)
D+SUB
D-SUB
EMG_OUT20
G24(C)
SEIWA
E04SR200932
4
B1I01P
177908-1
3
2
1
16
15
11
10
13
12
9
8
7
5
4
6
14
M646R
PHDR-18VS
3
2
1
18
17
BN/WH
BN
YE/WH
YE
GN/WH
GN
BK/WH
BK
RD/WH
RD
1
2
3
1M646R
177905-1
4
5
6
7
8
9
10
11
12
BK/WH
BK
RD/WH
RD
2464-1061/ⅡA(PF) LF 2P×24AWG
2464-1061/ⅡA(PF) LF 5P×24AWG
N610126542AA
SEIWA
E04SR200932
Panasonic Factory Solutions Co.,Ltd. パナソニック ファクトリーソリューションズ株式会社
Name
Drawing No.
Loc. No.
F4K1020-05A
1
2 3 4 5 6 7 8
A
B
C
D
E
F
1 2 3 4 5 6 7 8
A
B
C
D
E
F
Page. No.
Flex Conveyor ST L Control:NPM-D
(L2(4) Width adjusting motor)
N610126533+006AA
P006

P24
OUT
IN
GND
1
2
3
4
-B1131
1
2
3
4
PAP-04V-S
B1131
L1(1) Board stop sensor 2
L2(4) Board stop sensor 1
L2(4) Board stop sensor 2
6
5
4
1B1135R
177901-1
3
2
1
6
5
4
1B1137R
177901-1
3
2
1
P24
OUT
IN
GND
1
2
3
4
-B1135
1
2
3
4
PAP-04V-S
B1135
L1(1) Board stop sensor 1
P24
OUT
IN
GND
1
2
3
4
-B1132
1
2
3
4
PAP-04V-S
B1132
P24
OUT
IN
GND
1
2
3
4
-B1137
1
2
3
4
PAP-04V-S
B1137
YE/WH
YE
GN/WH
GN
BK/WH
BK
RD/WH
RD
2464-1061/ⅡA(PF) LF 4PX24AWG
N610126544AA
YE/WH
YE
GN/WH
GN
BK/WH
BK
RD/WH
RD
2464-1061/ⅡA(PF) LF 4PX24AWG
N610126545AA
6
5
4
1B1135P
177909-1
3
2
1
6
5
4
1B1137P
177909-1
3
2
1
9
8
7
6
5
4
2B1135R
177903-1
3
2
1
BU UL#24 80/300-0.2mm2
BU UL#24 80/300-0.2mm2
4
3
2
1
177908-1
B1020TP
BU
UL#24 80/300-0.2mm2
BU
UL#24 80/300-0.2mm2
BU
UL#24 80/300-0.2mm2
YE/WH
YE
GN
BK/WH
BK
RD/WH
RD
GN/WH
BN
2464-1061/ⅡA(PF) LF 5P×24AWG
BN/WH
N610126543AB
→ P003 - 2B1135P
→ P008 - B1020TR
IN135
IN137
OUT107
P24
G24
IN131
OT117
IN132
Panasonic Factory Solutions Co.,Ltd. パナソニック ファクトリーソリューションズ株式会社
Name
Drawing No.
Loc. No.
F4K1020-05A
1
2 3 4 5 6 7 8
A
B
C
D
E
F
1 2 3 4 5 6 7 8
A
B
C
D
E
F
Page. No.
Flex Conveyor ST L Control:NPM-D
(Sensor wiring)
N610126533+007AB
P007

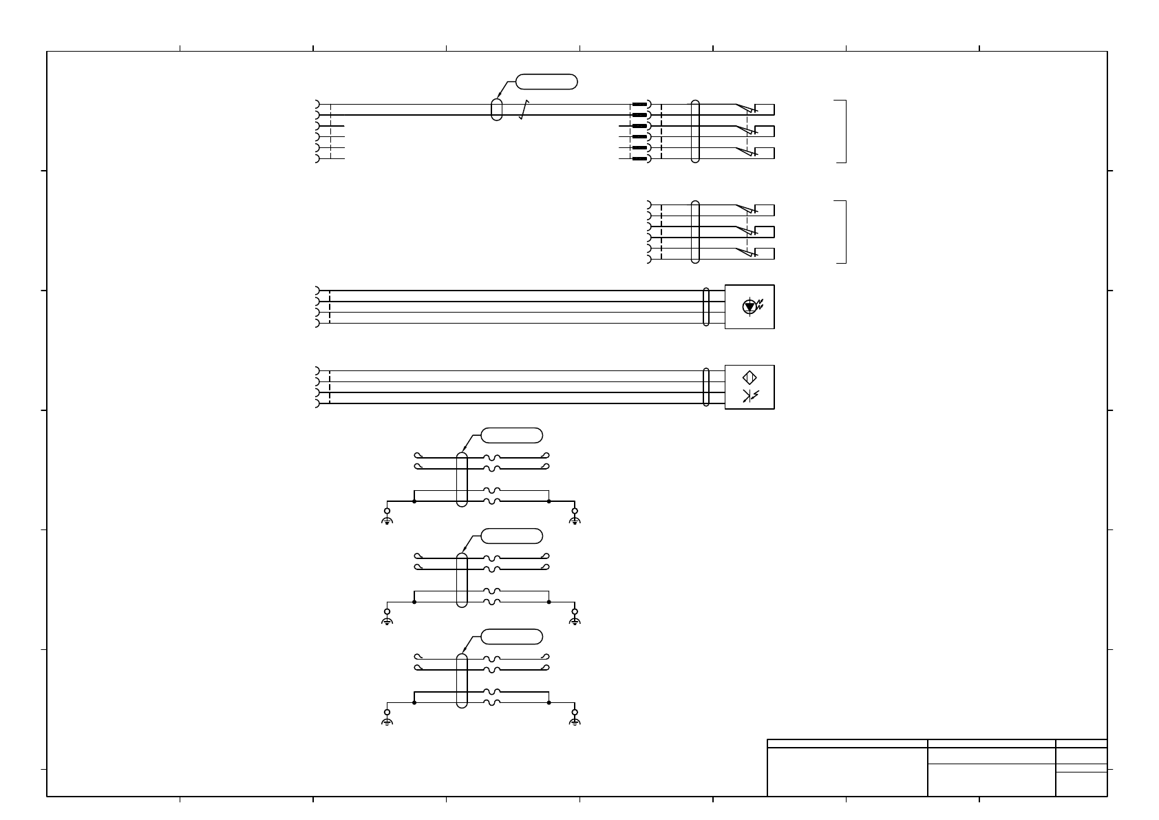
Transportation opening sensor (projection)
Transportation opening sensor
(Receive)
177900-1
B1020TR
4
3
2
1
177900-1
B1020R
4
3
2
1
-B1020T
BN
BK
BU
-B1020
BN
PK
BK
BU
Left (-Front) side
Left (-Rear) side
→ P003 - B1020P
→ P007 - B1020TP
-S311
BU
BU/WH
BN
BN/WH
OG
OG/WH
Front side
Conveyor Cover SW
177901-1
S311R
6
5
4
3
2
1
Opening
sensor
L1(1),L2(4)
(Dual mode)
L-(2),L-(3)
(Quad mode)
N610126546AB
→ P003 - 1S311P
177909-1
S311P
1
2
3
4
5
6
BK/WH
BK
2464-1061/ⅡA(PF) LF 1P×24AWG
1
2
3
1S311R
177901-1
4
5
6
-S312
BU
BU/WH
BN
BN/WH
OG
OG/WH
177901-1
S312R
6
5
4
3
2
1
Rear side
Conveyor Cover SW
Opening
sensor
L1(1),L2(4)
(Dual mode)
L-(2),L-(3)
(Quad mode)
→ P003 - S312P
P24
G24
G24
P24
P24
L_OPEN
G24
WH
BK
RD
GN
R1.25-4 R1.25-4
L1FG L1FG
N610126547AA
WH
BK
RD
GN
R1.25-4 R1.25-4
L2FG L2FG
N610126548AA
WH
BK
RD
GN
R1.25-4 R1.25-4
L2FG L2FG
N610126548AA
CONNECTOR
BRACKET
L1(1)Left (-Rear) side
Moving rail
CONNECTOR
BRACKET
L2(4)Left (-Rear) side
Moving rail
CONNECTOR
BRACKET
L2(4)Left (-Front) side
Moving rail
Panasonic Factory Solutions Co.,Ltd. パナソニック ファクトリーソリューションズ株式会社
Name
Drawing No.
Loc. No.
F4K1020-05A
1
2 3 4 5 6 7 8
A
B
C
D
E
F
1 2 3 4 5 6 7 8
A
B
C
D
E
F
Page. No.
Flex Conveyor ST L Control:NPM-D
(Opening sensor)
N610126533+008AB
P008