OM-1645-001_w - 第60页
41 OM-1645 4 2 8 8 5 6 1 4 1 3 1 3 1 1 1 2 1 6 1 0 1 5 9 7 1 4 3 1 本体より 可動シュ-ト3ZクランプL 可動シュ-ト1ZクランプL 可動シュ-ト2ZクランプL 固定シュ-トZクランプL 可動シュ-ト1ZクランプR 可動シュ-ト3ZクランプR 可動シュ-ト2ZクランプR 固定シュ-トZクランプR 基板ストッパーAL 基板ストッパーBL 基板ストッパーAR 基板ストッパーB…

40
OM-1645
15. 重要保守リスト
1004-001
15. 重要保守リスト
数年で保守が必要となる部品のリストです。参考としてください。
ノート
重要保守品の交換方法については、高度な技術を要しますので当社サー
ビス員にご相談ください。
ブロック名 品 名 部品番号 部品名 使用数 推奨年数
ノート (a)
立体分解図 備 考
コンベア部 搬送プーリ 223Q0663 PULLEY,TIMING 24 5
搬送プーリ 223Q0755 PULLEY,FLAT,TIMING 4 5
搬送プーリ 223M0059 PULLEY,FLAT 16 5
搬送ベルト 223L0383 PULLEY,TIMING 4 3
搬送ベルト 223L0384 PULLEY,TIMING 8 3
T9

41
OM-1645
4
2
8
8
5
6
14
13
13
11
12
16
10
15
9
7
14
3
1
本体より
可動シュ-ト3ZクランプL
可動シュ-ト1ZクランプL
可動シュ-ト2ZクランプL 固定シュ-トZクランプL
可動シュ-ト1ZクランプR
可動シュ-ト3ZクランプR
可動シュ-ト2ZクランプR
固定シュ-トZクランプR
基板ストッパーAL 基板ストッパーBL
基板ストッパーAR 基板ストッパーBR
7
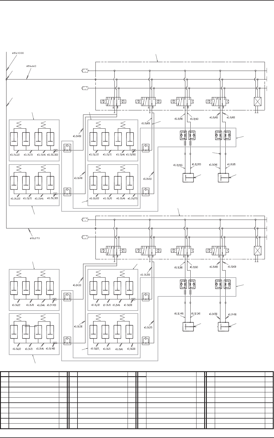
16. 回路図
16. 回路図
16.1 エア配管図および実装図
コンベア ( エア配管図 )
No. 名 称 個数 No. 名 称 個数 No. 名 称 個数 No. 名 称 個数
1 チューブφ 3.2 1 11 スピードコントローラ 8
2 チューブφ 6 1 12 スピードコントローラ 8
3 ハーフニップル 1 13 可動シュート 2 ユニット 1
4 ユニオンワイ 1 14 可動シュート 3 ユニット 1
5 ソレノイドバルブ 1 15 基板ストッパ BL 1
6 ソレノイドバルブ 1 16 基板ストッパ BR 1
7 固定シュートユニット 1
8 可動シュート 1 ユニット 1
9 基板ストッパ AL 1
10 基板ストッパ AR 1
1004-001-(2094802300)

42
OM-1645
8-2
8-2
8-2
8-3
8
8-2
8-2
8-2
8-1
8-1
8-1
8-1
8-1
8-1
7-2
7-2
7-2
7-3
7-2
7-2
7-2
7-1
7-1
7-1
7-1
7-1
7-1
14-2
14-2
14-2
14-3
14
14-2
14-2
14-2
14-1
14-1
14-1
14-1
14-1
14-1
7
13-2
13-2
13-2
13-3
13-2
13-2
13-2
13-1
13-1
13-1
13-1
13-1
13-1
13
15
9
10
16
16.1 エア配管図および実装図
コンベア ( 実装図 )
No. 名 称 個数 No. 名 称 個数 No. 名 称 個数 No. 名 称 個数
7 固定シュートユニット 1 13 可動シュート 2 ユニット 1
7-1 ユニバーサルチー 6
13-1
ユニバーサルチー 6
7-2 バーブ継手 12
13-2
バーブ継手 12
7-3 バーブエルボ 2
13-3
バーブエルボ 2
8 可動シュート 1 ユニット 1 14 可動シュート 3 ユニット 1
8-1 ユニバーサルチー 6
14-1
ユニバーサルチー 6
8-2 バーブ継手 12
14-2
バーブ継手 12
8-3 バーブエルボ 2
14-3
バーブエルボ 2
9 基板ストッパ AL 1 15 基板ストッパ BL 1
10 基板ストッパ AR 1 16 基板ストッパ BR 1
1004-001-(2091702300)