OM-1645-001_w - 第77页
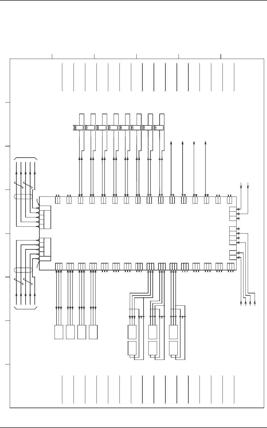
58 OM-1645 1004-001B(M917WNE--001 1) 16.4 電気回路図 U08 I/O P.C.B STLT CNVR(L) X0801 X0802 IN OUT CN10 1 2 3 CN4 CN3 2 1 24B1 10B 10A 24A3 CN11 CN12 CN13 CN14 CN15 CN16 CN17 CN18 CN19 CN20 CN21 CN22 CN23 CN25 1 2 3 3 2 1 3 2…

57
OM-1645
1004-001-(M917WNE--0010)
16.4 電気回路図
コンベア M 回路図 (10)
PG
PG
X5508
+
-
OUT
B5601
L
5505
M
7
5
3
9
3
2
1
NC
BRK-
BRK+
CN6
A55
3
4
2
1
A
B
A
B
CN1
1
2
4
3
7
8
6
5
CN3
X5503
E/C A+
EGND
E+5V
E/C B-
E/C B+
E/C A-
E/C Z-
E/C Z+
CN5
1
2
4
3
7
8
6
5
CN7
X5507
E/C A+
EGND
E+5V
E/C B-
E/C B+
E/C A-
E/C Z-
E/C Z+
5
6
3
4
2
1
CN4
DOWN
SEN+
ORG
-LS
+LS
COM
5
6
3
4
2
1
CN8
DOWN
SEN+
ORG
-LS
+LS
COM
3
2
1
NC
BRK-
BRK+
CN2
X5501
M
7
5
3
9
NA-BBL
M55
X5504
+
-
OUT
L
B5501
NA-BBR
M56
FG
A4
B4
B1
A1
A3
B3
B2
A2
A6
FG
A4
B4
B1
A1
A3
B3
B2
A2
A6
3
4
2
1
A
B
A
B
1
2
3
4
CN10
MGND
C+GND
5
6
M+48V
C+24V
1
2
4
3
N1
1
2
4
3
N2
ALM-
STP-
ALM+
STP+
1
2
3
4
CN9
10D
48D3H
X5510
X5509
AE-LINK UNIT
X55N2
[NE/09/8C]
GND
COM B
+V
COM A
+V
GND
COM A
COM B
GND
COM B
+V
COM A
10B
24B1
AE-LINK UNIT
X55N1
[NE/13/7E]
+V
GND
COM A
COM B
(U85:CH2)
[NE/13/7B]
[NE/13/7D]
393
10A
[NE/13/7B]
バックアップベース4
オーバーラン(+)
バックアップベース3
原点センサ
オーバーラン(+)
原点センサ
コンベア緊急停止
後工程
前工程
主回路電源
DC48V
DC24V
1 2 3 4 5 6 7 8
A
B
C
D
E
F

58
OM-1645
1004-001B(M917WNE--0011)
16.4 電気回路図
U08 I/O P.C.B STLT CNVR(L)
X0801 X0802
IN OUT
CN10
1 2
3
CN4
CN3
21
24B1
10B
10A
24A3
CN11
CN12
CN13
CN14
CN15
CN16
CN17
CN18
CN19
CN20
CN21
CN22
CN23
CN25
1
2
3
3
2
1
3
2
1
3
2
1
3
2
1
3
2
1
1
2
3
1
2
3
1
2
3
1
2
3
1
2
3
3
2
1
3
2
1
3
2
1
3
2
1
3
2
1
2
1
CN45
CN43
CN42
CN41
CN40
CN39
CN38
CN37
CN36
CN35
CN34
CN33
CN32
CN31
CN30
CN24
1
2
1
2
1
2
1
2
1
2
1
2
1
2
1
2
1
2
1
2
1
2
1
2
1
2
1
2
1
2
CN44
4
X0820
X0811
X0810
X0832
X0833
X0836
X0837
X0803 X0804
716
707
706
724
725
728
729
X0842
734
733
X0841
X0840
732
RX
/RX
TX
/TX
FG(コネクタケース)
7 39 5 5 93 7
/TX
TX
/RX
RX
FG(コネクタケース)
[NE/13/3D] [NE/13/3E]
[NE/13/3C]
[NE/13/3C]
STLT_CNVR(L)
I/O P.C.B
U08
X0839
731
708
709
X0843
735
B0810
XB0810
:3
+
OUT
-
:2
:1
B0820
+
OUT
-
B0820T
-
+
XB0820
:3
:2
:1
:6
:5
:4
X0812
X0813
B0811
XB0811
:3
+
OUT
-
:2
:1
B0812
XB0812
:3
+
OUT
-
:2
:1
B0813
XB0813
:3
+
OUT
-
:2
:1
Y0832
:1
:2
XY0832
BK R
Y0833
:1
:2
XY0833
BK R
Y0836
:1
:2
XY0836
BK R
Y0837
:1
:2
XY0837
BK R
Y0839
:1
:2
XY0839
BK R
B4701:5へ
B停止センサ 装着部1リモート
[NE/03/2B]
B4801:5へ
B停止センサ 装着部2リモート
[NE/03/2D]
B4702:5へ
B停止センサ 装着部3リモート
B4802:5へ
B停止センサ 装着部4リモート
[NE/03/2C]
[NE/03/2E]
B0819
+
OUT
-
B0819T
-
+
XB0819
:3
:2
:1
:6
:5
:4
B0818
+
OUT
-
B0818T
-
+
XB0818
:3
:2
:1
:6
:5
:4
X0819
X0818
X0835
X0838
727
730
X0834
726
Y0834
:1
:2
XY0834
BK R
Y0835
:1
:2
XY0835
BK R
Y0838
:1
:2
XY0838
BK R
715
714
CN1A CN2A
1 2
3
CN26
X0826
548
24A3
[NE/13/3C]
X27163:3へ
U27(RLY)
[NE/13/3C]
ch1-1
(U12:X1202)
HLS-LINK
注1
注1
HLS-LINK
(-X1300F1(後))
ch1-1
基板ストッパ5 原点センサ(OP)/L流
基板ストッパAR 原点センサ/R流
基板ストッパ5 上昇センサ(OP)/L流
基板ストッパ6 原点センサ(OP)/L流
基板ストッパ6 上昇センサ(OP)/L流
基板ストッパAR 上昇センサ/R流
基板ストッパBR 原点センサ/R流
基板ストッパBR 上昇センサ/R流
可動シュート
バックアップピンセンサ3(投光/受光)
(オプション)
上下バルブ[NA]
(オプション)
上下バルブ[NA]
Zクランプシリンダバルブ
可動3L
Zクランプシリンダバルブ
可動3L
(A:降下)
(B:上昇)
基板ストッパBL
B停止センサ 装着部2リモート/R流
B停止センサ 装着部1リモート/L流
B停止センサ 装着部1リモート/R流
B停止センサ 装着部2リモート/L流
装着部3リモート(OP)/L流
B停止センサ
(オプション)
装着部4リモート(OP)/R流
B停止センサ
(オプション)
基板位置決ストッパ5
基板位置決ストッパ6
可動シュート
バックアップピンセンサ2(投光/受光)
可動シュート
バックアップピンセンサ1(投光/受光)
Zクランプシリンダバルブ
可動1,2L
Zクランプシリンダバルブ
可動1,2L
(A:降下)
(B:上昇)
基板ストッパAL
(オプション)
M121 アラーム信号
(オプション)
M122 アラーム信号
1 2 3 4 5 6 7 8
A
B
C
D
E
F

59
OM-1645
1004-001B(M917WNE--0012)
16.4 電気回路図
24B1
10B
10A
24A3
1
2
3
3
2
1
3
2
1
3
2
1
3
2
1
3
2
1
1
2
3
1
2
3
1
2
3
1
2
3
1
2
3
3
2
1
3
2
1
3
2
1
3
2
1
3
2
1
2
1
1
2
1
2
1
2
1
2
1
2
1
2
1
2
1
2
1
2
1
2
1
2
1
2
1
2
1
2
1
2
X1411
X1410
X1435
X1438
739
738
759
762
X1442
766
765
X1441
X1440
764
RX
/RX
TX
/TX
FG(コネクタケース)
7 39 5 5 93 7
/TX
TX
/RX
RX
FG(コネクタケース)
[NE/13/7D] [NE/13/7E]
[NE/13/7C]
[NE/13/7C]
STRT_CNVR(R)
I/O P.C.B
U14
X1434
758
740
741
X1443
767
B1410
XB1410
:3
+
OUT
-
:2
:1
X1412
X1413
B1411
XB1411
:3
+
OUT
-
:2
:1
B1412
XB1412
:3
+
OUT
-
:2
:1
B1413
XB1413
:3
+
OUT
-
:2
:1
Y1434
:1
:2
XY1434
BK R
Y1435
:1
:2
XY1435
BK R
Y1438
:1
:2
XY1438
BK R
B4301:5へ
A停止センサ 装着部1リモート
[NE/06/2B]
B4401:5へ
A停止センサ 装着部2リモート
[NE/06/2D]
B4302:5へ
A停止センサ 装着部3リモート
[NE/06/2C]
B4402:5へ
A停止センサ 装着部4リモート
[NE/06/2E]
X1416
X1415
X1414
744
743
742
745
X1417
B1414
XB1414
:3
+
OUT
-
:2
:1
B1415
XB1415
:3
+
OUT
-
:2
:1
B1416
XB1416
:3
+
OUT
-
:2
:1
B1417
XB1417
:3
+
OUT
-
:2
:1
X1436
X1437
760
761
X1439
763
Y1436
:1
:2
XY1436
BK R
Y1437
:1
:2
XY1437
BK R
Y1439
:1
:2
XY1439
BK R
X1401 X1402
IN OUT
CN10
CN11
CN12
CN13
CN14
CN15
CN16
CN17
CN18
CN19
CN20
CN21
CN22
CN23
CN25 CN45
CN43
CN42
CN41
CN40
CN39
CN38
CN37
CN36
CN35
CN34
CN33
CN32
CN31
CN30
CN24 CN44
CN1A CN2A
1 2 3
CN4
CN3
21 4
X1403 X1404
1 2 3
CN26
X1426
549
24A3
[NE/13/7C]
X27163:4へ
U27(RLY)
[NE/13/7C]
注記
注1.ドレン線はコネクタケースに接続される。
ch2-1
(U06:X0602)
HLS-LINK HLS-LINK
(-X1300F1(前))
ch2-1
基板ストッパAR
基板ストッパAL 原点センサ
基板ストッパAL 上昇センサ
基板ストッパ5 原点センサ(OP)/L流
基板ストッパ5 上昇センサ(OP)/L流
基板ストッパAR 原点センサ/R流
基板ストッパAR 上昇センサ/R流
Zクランプシリンダバルブ
可動1,2R
Zクランプシリンダバルブ
可動1,2R
(A:降下)
(B:上昇)
A停止センサ 装着部2リモート/R流
A停止センサ 装着部1リモート/L流
A停止センサ 装着部1リモート/R流
A停止センサ 装着部2リモート/L流
装着部3リモート(OP)/L流
(オプション)
装着部4リモート(OP)/R流
A停止センサ
A停止センサ
(オプション)
基板ストッパBL 原点センサ
基板ストッパBL 上昇センサ
基板ストッパ6 原点センサ(OP)/L流
基板ストッパ6 上昇センサ(OP)/L流
基板ストッパBR 原点センサ/R流
基板ストッパBR 上昇センサ/R流
Zクランプシリンダバルブ
可動3R
Zクランプシリンダバルブ
可動3R
(A:降下)
(B:上昇)
基板ストッパBR
(オプション)
M123 アラーム信号
(オプション)
M124 アラーム信号
注1
注1
1 2 3 4 5 6 7 8
A
B
C
D
E
F
U08 I/O P.C.B STLT CNVR(R)