yg200_kgt_e - 第23页
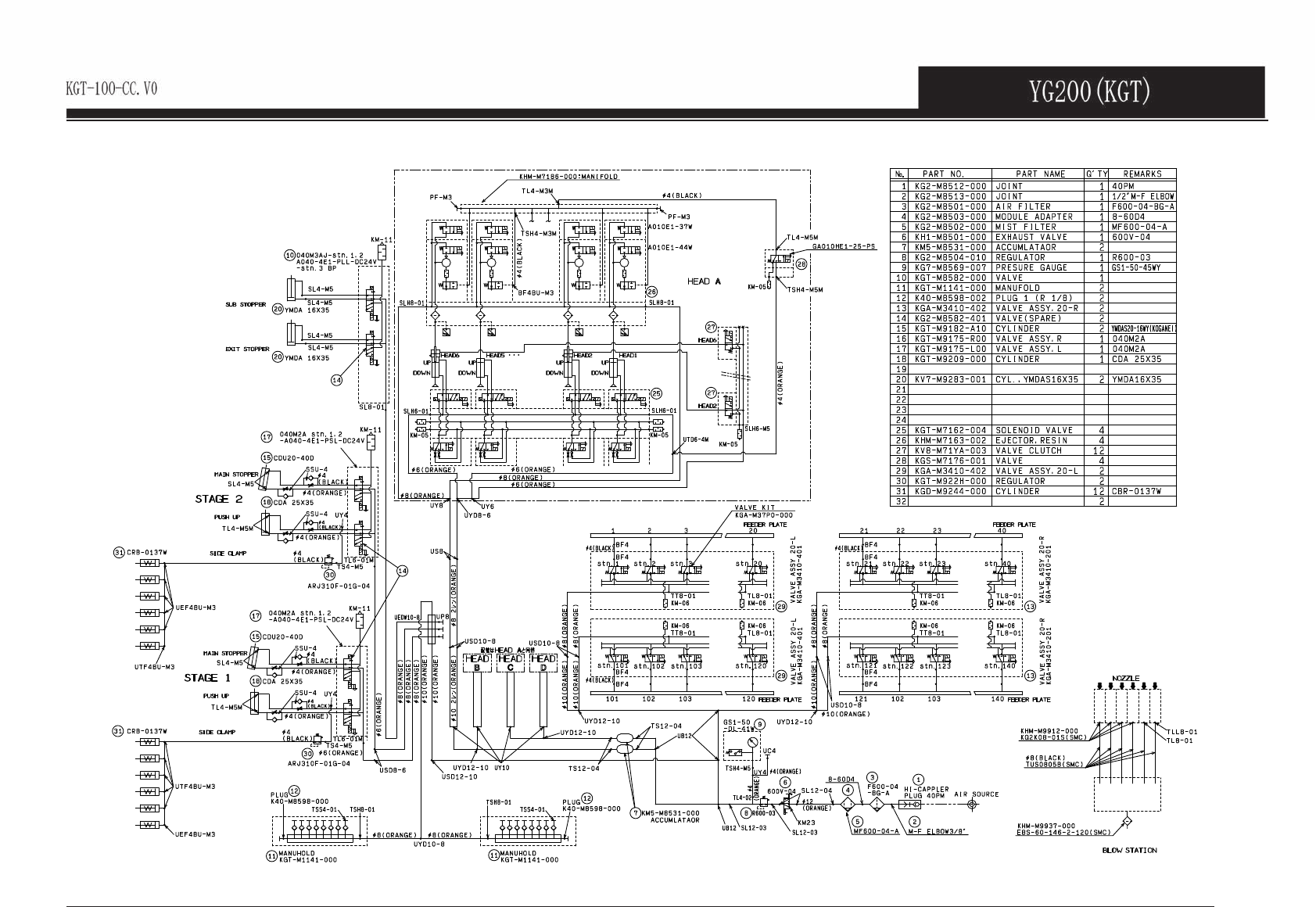
PA G E 20 W -A TS (KGX) Con fi dential & Proprietary KGX-000-CCV1 Air circuit(Y G200-FNC)


PAG E
20
W-ATS (KGX)
Confi dential & Proprietary
KGX-000-CCV1
Air circuit(YG200-FNC)

PAG E
21
W-ATS (KGX)
Confi dential & Proprietary
KGX-000-CCV1
Air circuit(YG200-FNC+FES)