JUKI_KE-2050-2060_MAINTE_CH维修要领 - 第216页
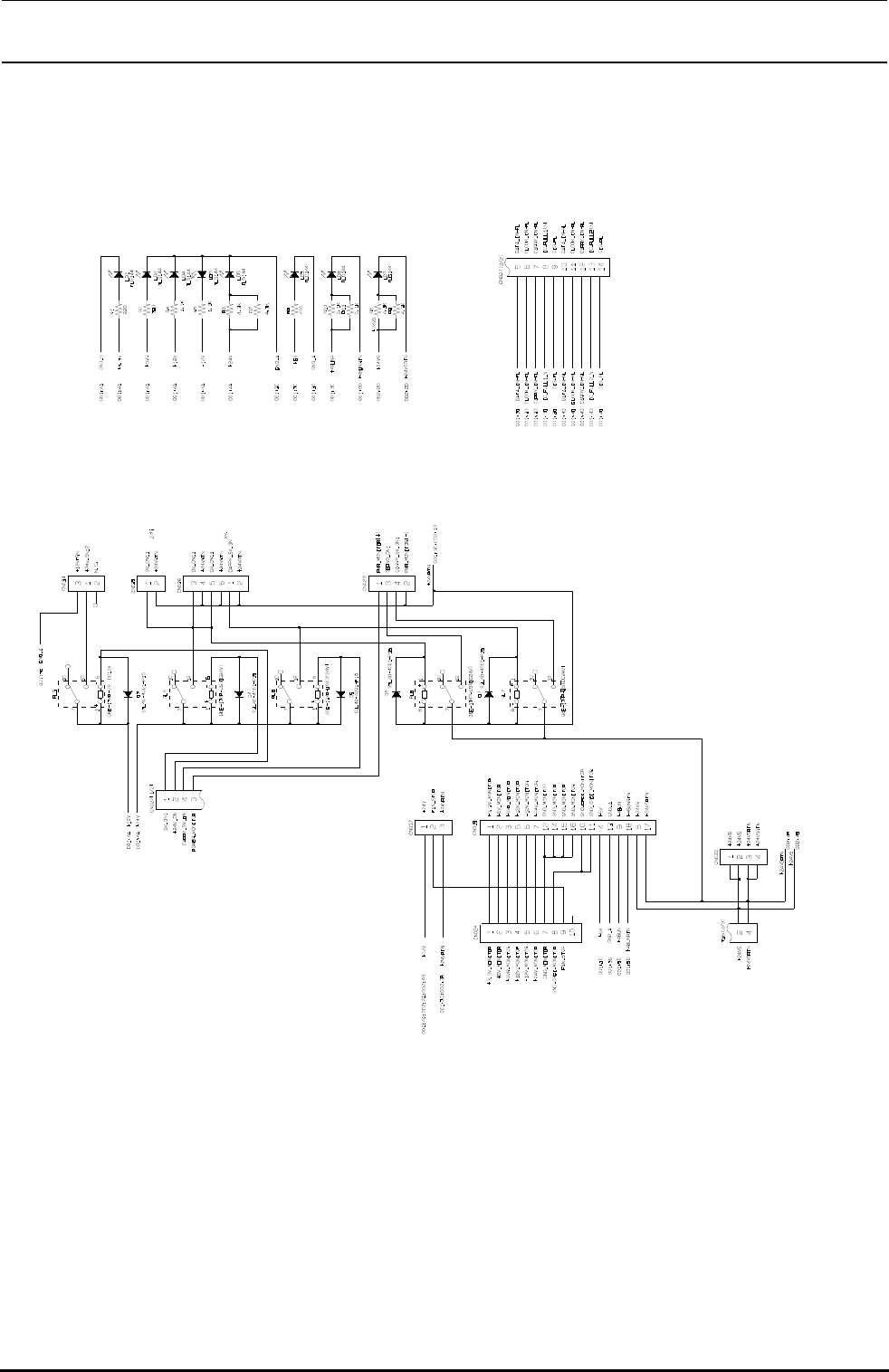
R E V 2 . 0 0 维修调整要领书 14-11 控 制装 置 ( 蓝 色 ) + 2 4V 电 源 输 出控 制 电 源控 制 传 送 电 源控 制 ( 黄 色 ) 安全 装置 ( 蓝 色 ) 安全 装置 ( 蓝 色 ) 从控 制装 置来 图 14-3-1-6 电源基板的连接图 (2/2)

REV2.00
维修调整要领书
14-10
控制装置
控制装置
背面监视器
传送中心马达基板
接头传感器
检验基板
凹缩网连接基板
自动调整驱动器
主键盘变换器
预备
预备
驱动器1/2驱动器2/ 2
前一次更换台
旧一次更换台
后一次更换台
旧一次更换台
前一次更换台
旧一次更换台
后一次更换台
旧一次更换台
预备
(黄色)
(黄色)
(蓝色)
(蓝色)
CARRY 连接基板 用
IN-MTR
OU T- MTR
自动控制MTR
(有传送伺服ON)
(无传送伺服ON)
预备
接头装置
时钟
图 14-3-1-5 电源基板的连接图(1/2)

REV2.00
维修调整要领书
14-11
控制装置
(蓝色)
+24V电源输出控 制
电源控制
传送电源控 制
(黄色)
安全 装置
(蓝色)
安全装置
(蓝色)
从控制装置来
图 14-3-1-6 电源基板的连接图(2/2)

REV2.00
维修调整要领书
14-12
14-4.控制装置
14-4-1.控制装置的构成
控制装置的 KE-2050/2050R 基板配置图如图 14-4-1-1,KE-2060/2055R/2060R 基板配置图如图
14-4-1-2。请参照这些图确认基板的安装。
14-4-1-1.KE-2050/2050R 基板配置
IP-X3キバンクミA 40001920
I/O CTRL キバンクミ 40001943
BASE FEEDER キバンクミ 40001941
LIGHT CTRL キバンクミ(50) 40001918
SAFETY キバンクミ 40001924
CTRL PWR キバンクミ 40001906
MCMキバン(MNLA用)E9609729000
ブランクパネル
VERIFYキバンBクミ E86717290B0(CVSオプション)
ブランクパネル
ブランクパネル
バスブリッジボード 40003313
ブランクパネル
XMP-CPCI 40003259
CPUボード 40003280
注1
注1
CVSテスタ E9701705000
マウスキーボードキリカエキ 40003281
RS232C CHANGE PCB ASM 40026382
※ 注1 该基板因机种而异。
图 14-4-1-1-1 基板配置图 (KE-2050/2050R)
CVS 测试器 E9701705000
鼠标器键盘转换器 40003281
CTRL PWR基板40001906
SAFET
Y
基板组件40001924
LIGHT CTRL基板组件(50)40001918 注1
BASE FEEDER基板组件40001941
I/O CTRL基板组件40001943
IP-X3基板组件A 40001920 注1
母线桥接口 40003313
MCM基板(MNLA用)E9609729000
空白面板
空白面板
空白面板
VERIF
Y
基板B组件E86717290B0(CVS选购品)
2CH COMMUNICATION BOARD 40003299(
触摸面板选购品、仅
KE-2050
)
CPU接口40003280