80S-20贴片机 - 第301页
SIPLACE 80S-20/F4 Service Manual 9 12-Segment Revolver Head (10000) Edition 07/97 9.1 12-Segment Revolver Head (10000) 9 - 5 9.1.4 Structure of the 12-Segment Revolver Head (10000) Fig. 9.1.1 Structure of the 12-segment …
9 12-Segment Revolver Head (10000) SIPLACE 80S-20/F4 Service Manual
9.1 12-Segment Revolver Head (10000) Edition 07/97
9 - 4
– Vacuum distributor (see Section 9.4.4) 00319827S02
– O-ring 8x1 NBR70B 00201179S01
– O-ring 14x1.5 NBR70B (see Section 9.4.1) 00320048S01
– Vacuum nozzle, dia. 1.5 (see Section 9.4.1) 00319420S02
– Vacuum board SP 6/12 (see Section 9.4.3) 00321216S03
– Connecting unit 00332780-01
– Silencer (see Section 9.4.2) 00320964S01
– Vacuum nozzle (see Section 9.4.1) 00319423S02
– O-ring 10x1.5 NBR70B (see Section 9.4.1) 00320047S01
– O-ring 16x2 E70B (see Section 9.4.2) 00320043S01
– Toothed belt, Synchroflex 2.5 T2/90 (see Section 9.2.5) 00320041S01
9.1.2 Spare Parts for Nozzle Changer, 12-Segment Head 10.000
– Magazine for type 7.xx nozzles (see Section 9.9.3) 00323044-02
– 5/2-valve with base plate and cable (see Section 9.9.5) 00317578-02
– Control board for nozzle changer (see Section 9.9.4) 00317353-02
– Cylinder (see Section 9.9.6) 00312789-01
– Reject station, complete (see Section 9.9.7) 00323049-01
– Reject station (see Section 9.9.7) 00323050-02
9.1.3 Test Equipment
Designation Item No.
– Distance gauge 00325445-01
– Precision test pin ∅ 1.3 00326163-01
– Precision test pin ∅ 1.4 00326160-01
– Precision test pin ∅ 1.5 00326161-01
– Precision test pin ∅ 1.6 00326162-01
– Gauge for star 00326164-01
– Gauge for Z axis 00331308-01
– Compressed air testing device, complete 00313523-01
– Belt tension measuring device TSM 00326015-01
Instruction manual ’Measuring belt tension’ 00190788-01

SIPLACE 80S-20/F4 Service Manual 9 12-Segment Revolver Head (10000)
Edition 07/97 9.1 12-Segment Revolver Head (10000)
9 - 5
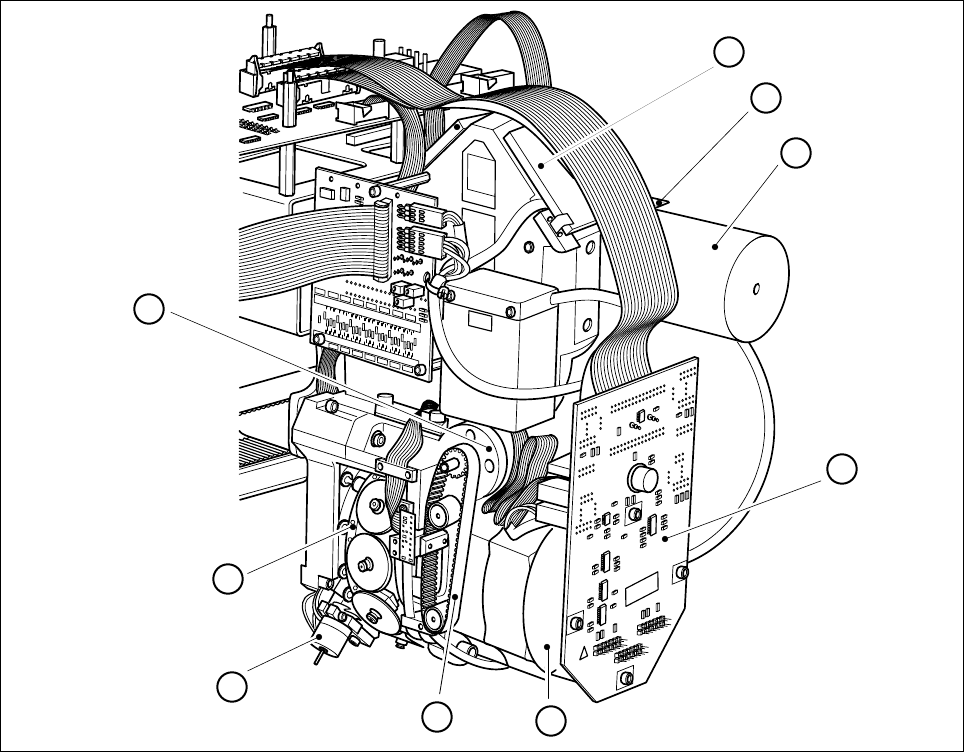
9.1.4 Structure of the 12-Segment Revolver Head (10000)
Fig. 9.1.1 Structure of the 12-segment revolver head
1 Reject circuit valve adjustment drive
2 Z axis toothed belt
3 Star motor
4 Distributor board
5Silencer
6 Vacuum board
7 Components camera
8 Z motor
9Star
008
008
8
7
2
1
9
5
4
3
6

9 12-Segment Revolver Head (10000) SIPLACE 80S-20/F4 Service Manual
9.1 12-Segment Revolver Head (10000) Edition 07/97
9 - 6
9.1.5 Removing the ’Cover complete’
● Remove the five M3x5 hexagon socket screws for mounting the cover (point A).
● Pull the cover a little towards you in horizontal direction (point B).
● Lift the cover up and away (point C).
● To install the cover, proceed in the reverse sequence of operations.
Fig. 9.1.2 Mounting and dismantling the cover
C
A
B
A