SM421 Service Manual(Chi Ver1) - 第331页
Air Ass’y 10-3 10.1.3. Air Ass’y (C) – Conveyor NO. P ART NO. P ART NAME Q ’ TY TYPE REMARK 1 J6702050A SOL V AL VE MODULE(4 연 ) 2 SY3120-04-CJJZ2399 1-A J6704006A MANIIFOLD BLOCK 1 SY3120-20-KRW0098 1-B J67021005A SOL V…

Samsung Component Placer SM421 Service Manual
10-2
NO. PART NO. PART NAME Q’TY
TYPE REMARK
12
J6707018A VACUUM GENERATOR 1 VKME10A-0418S-3
13
J6711119A UNION Y FITTING 1 KQ2U04-06
14
J67091007A REGULATOR 1 AR08-T2-D0M0-J267A
15
J6713048A MULTI TUBE 4 UML-408 (BL-BK6-BL)
16
J90831419A HEAD_AIR_SOL_CABLE_ASSY 1 SM41-CV030
17
J6702021A SOLENOID VALVE 2 K180-4E1-21-DC24V
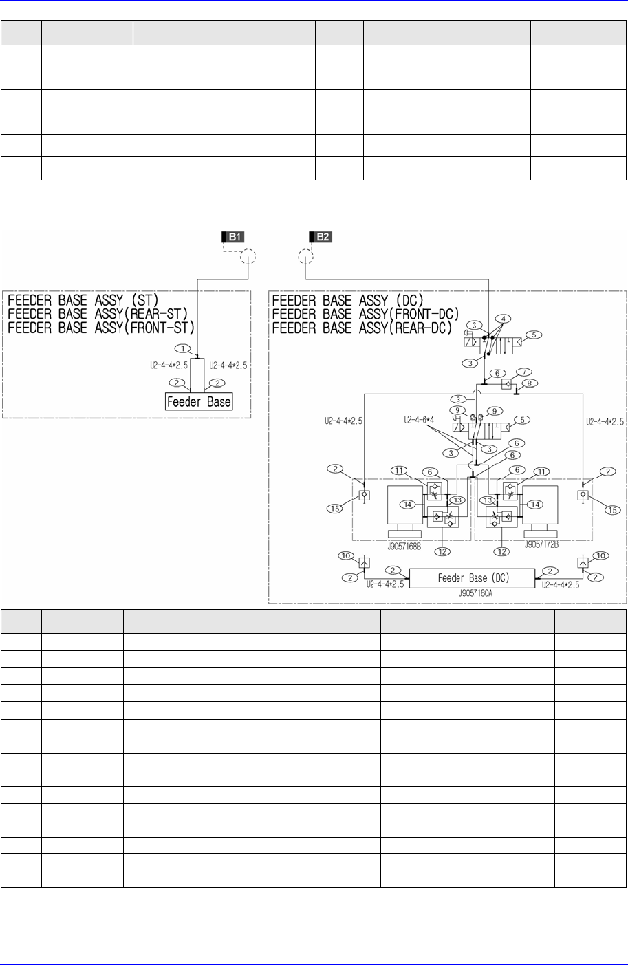
10.1.2. Air Ass’y (B) – Docking Cart Feeder Base
NO. PART NO. PART NAME Q’TY
TYPE REMARK
1 J6711119A UNION Y FITTING 1
KQ2U04-06
2 J1301188 FITTING 2
KQ2L04-M5/PL4-M5M/SQL04-M5
3 J1300276 FITTING 5
KQ2L06-01/PL6-01
4 J6712008A PLUG 3
PT 1/8
5 J90831149A F_DOCKING_CART_SOL_CABLE_ASSY
1
SM33-CV028
6 J6711119A UNION Y FITTING 5
KQ2U04-06
7 J6703037A CHECK VALVE 1
AKH06-00
8 J6711119A UNION Y FITTING 1
KQ2U04-06
9 J6705004A SILENCER 2
AN101-01
10 J6711257A PLUG 2
KS-4-M5-SA34698KR
11 J6703033A SPEED CON 2
AS2201F-01-06S
12 J6703034A SPEED CON 2
ASP330F-01-06S
13 J6711009A ELBOW FITTING 2
KQ2L06-M5
14 J6711247A ELBOW FITTING 4
KQ2L04-M5
15 J6711256A COUPLER 2
KD-M5-SA34697KR

Air Ass’y
10-3
10.1.3. Air Ass’y (C) – Conveyor
NO. PART NO. PART NAME Q’TY TYPE REMARK
1 J6702050A
SOL VALVE MODULE(4 연)
2
SY3120-04-CJJZ2399
1-A J6704006A MANIIFOLD BLOCK 1 SY3120-20-KRW0098
1-B J67021005A SOL VALVE 4 DV1120-00-R3642-3
1-C J6705004A SILENCER 2 AN101-01
1-D J6711157A FITTING 1 KQ2L08-01S
1-E J6703031A SPEED CONTROLLER 2 AS1211F-M5-04
1-F J1300279 FITTING 5 KQ2S04-M5
2 J6709004A REGULATOR 1 AR1000-M5BG
3 J6711009A ELBOW FITTING 1 KQ2L06-M5
4 J6711001A ELBOW FITTING 1 KQ2L04-M5/PL4-M5M/SQL04-M5
5 J6701087A EDGE CYLINDER 1 CQ2B6-CJJC2948
6 J1301188 ELBOW FITTING 1 KQ2L04-M5/PL4-M5M/SQL04-M5
7 J6703028A SPEED CONTROLLER 2 SS4-M5MA
8 J6701064A AIR CYLINDER 1 BDAS10*5-1A-ZC153A2
9 J6701018B STOPPER CYLINDER 1 1 WTS10*30-RS2
10 J6703039A SPEED CONTROLLER 1 SPR-Z-M3N
11 J6711028A ELBOW FITTING 2 KQ2L04-01
12 J67010088B CYLINDER 1 CM2C32-50-XC3BB

Samsung Component Placer SM421 Service Manual
10-4
10.1.4. Air Ass’y (D) – Head
NO. PART NO. PART NAME Q’TY
TYPE REMARK
1 J90550246E
AIR MODULE 1 J90550246E
1-A J6711260A
ONE TOUCH FITTING 2 FSE04-M5C
1-B J6711261A
ONE TOUCH FITTING 6 FSC04-M5C
1-C J6702048A
SOLENOID VALVE 6 VA01PEP34-1U-F
1-D J6702049A
SOLENOID VALVE 1 RCS242-M3-D24NP
1-E J7458002A
FILTER ELEMENT 6 LF-M5-60-Z-ELEMENT
1-F J6711262A
MINI FITTING 6 BC-03-M5
1-G J6703039A
SPEED CONTROLLER 2 SPR-Z-M3N
1-H J6711263A
MINI FITTING 2 BE-04-M3
2
J6711180B ROTARY JOINT 6 RC3-M5M-STN
3 J9060412A
SM321 VACUUM SENSOR BOARD 1 J9060412A
3-A
J3204002A PRESSURE SENSOR 6 MPX5100AP
4
J6711132A FITTING 1 M-5HL-4
5
J6711156A HOSE NIPPLE (D/C) 1 M-5H-4
6
J6701028A AIR CYLINDER 1 BDAS6*15-CS11T-A2