SM421 Service Manual(Chi Ver1) - 第340页
Samsung Component Placer SM421 Service Manual 11-4

Electric Device
11-3
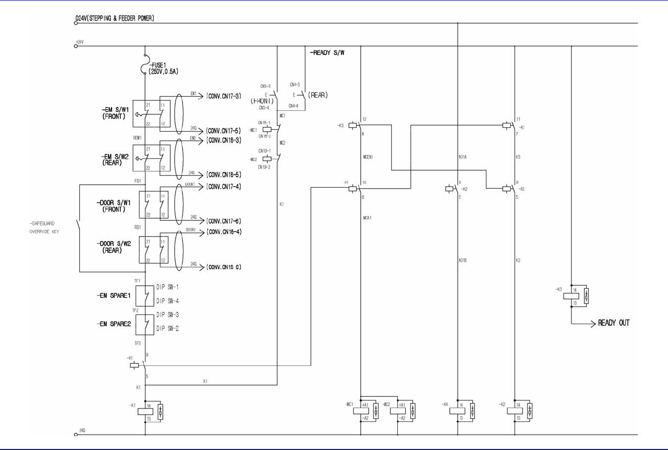
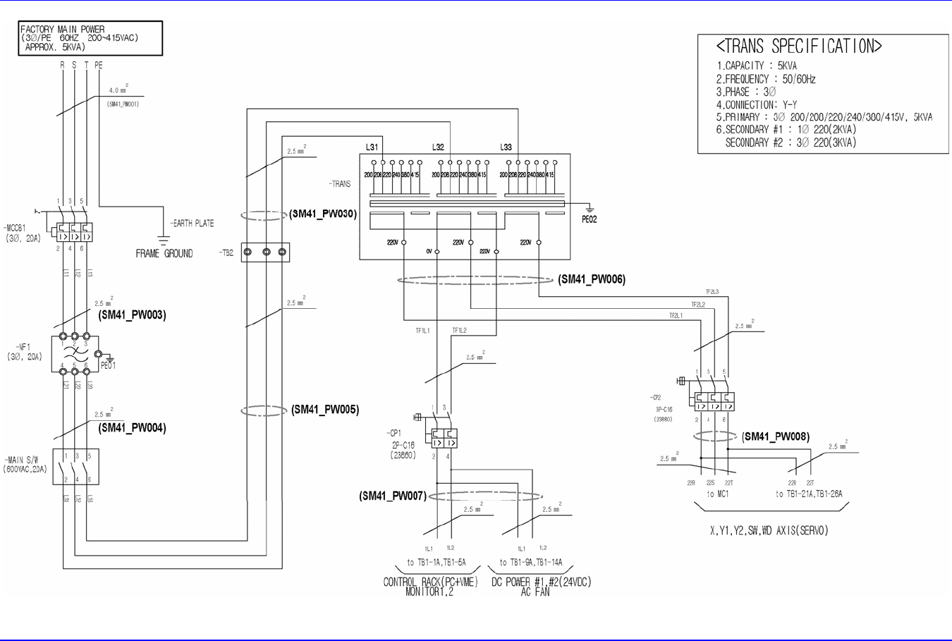
11.2. Electric Circuit Diagram

Samsung Component Placer SM421 Service Manual
11-4

Electric Device
11-5
Samsung Component Placer SM421 Service Manual 11-4


