SM421 Service Manual(Chi Ver1) - 第344页
Samsung Component Placer SM421 Service Manual 11-8

Electric Device
11-7

Samsung Component Placer SM421 Service Manual
11-8

Electric Device
11-9
NO. PART NO. PART NAME Q’TY
TYPE REMARK
1 J90831346A MAIN SWITCH_TB2 CABLE ASSY SM41_PW005
2 J90831344A MCCB_NF1-CABLE-ASSY SM41-PW003
3 J90831345A NF1_MAIN_SWITCH_CABLE_ASSY SM41-PW004
4 J90831347A TRANS_CP1-2_CABLE_ASSY SM41-PW006
5 J90831348A CP1_TB1_CABLE_ASSY SM41-PW007
6 J90831349A CP2_TB1-MC1_CABLE_ASSY SM41-PW008
7 J90831350A MC1_TB1_CABLE_ASSY SM41-PW009
8 J90831351A CONTROL_RACK_POWER_CABLE_ASSY SM41-PW010
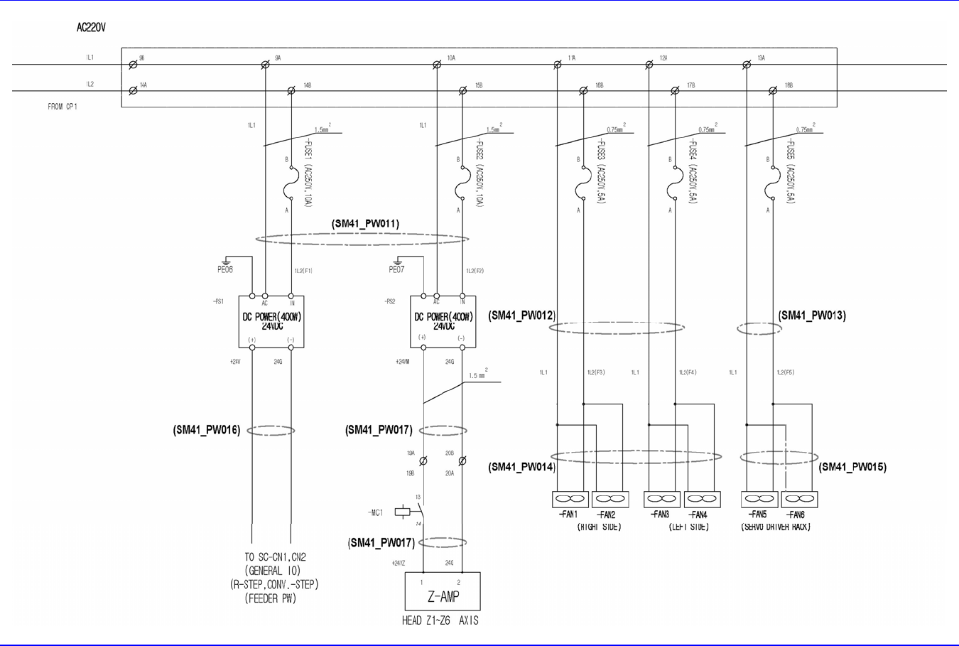
9 J90831352A TB1_PS1-PS2_POWER_CABLE_ASSY SM41-PW011
10 J90831353A COVER_FAN_POWER_CABLE_ASSY SM41-PW012
11 J90831354A SERVO_FAN_POWER_CABLE_ASSY SM41-PW013
12 J90831355A COVER_FAN_CABLE_ASSY SM41-PW014
13 J90831356A SERVO_FAN_CABLE_ASSY SM41-PW015
14 J90831357A PS1_SAFETY_BD_CABLE_ASSY SM41-PW016
15 J90831358A PS2_Z_AMP_DC_POWER_CABLE_ASSY SM41-PW017
16 J90831359A SW-WD_SERVO_POWER_CABLE_ASSY SM41-PW018
17 J90831360A X-Y2_SERVO_POWER_CABLE_ASSY SM41-PW019
18 J90831361A Y1_SERVO_POWER_CABLE_ASSY SM41-PW020
19 J90831362A FRONT_MONITOR_POWER_CABLE_ASSY SM41-PW021
20 J90831363A REAR_MONITOR_POWER_CABLE_ASSY SM41-PW022
21 J90831365A TRANSFORMER_INPUT_EXT_CABLE_ASSY
SM41-PW030