N7202A008B23 - 第393页
Ref No. Remark s R 1 Q'ty 55-C 交 換 台車駆 動部 (切替仕様):NPM-D Feeder Cart D riv e Unit(Changing Specification):NPM -D イラスト No. Part No. 品 名 品番 数量 R 2 パーツリスト Kit N o . キット品 番 Kit Name キット名称 N610112809AA Part Name 備 考 セクションN…

55-C
交
換
台車駆
動部
(切替仕様):NPM-D
Feeder Cart Drive Unit(Changing Specification):NPM-D
パーツレイアウト
Ki
t
N
o
.
キット
品番
Kit Name
キット名称
N610112809AA
セクションNo.
PARTS LAYOUT
Section No.
--
O207
( KN610112809AA-03-3 )

Ref
No.
Remarks
R
1
Q'ty
55-C
交
換
台車駆
動部
(切替仕様):NPM-D
Feeder Cart Drive Unit(Changing Specification):NPM-D
イラスト
No.
Part No.
品 名品番 数量
R
2
パーツリスト
Kit N
o
.
キット品
番
Kit Name
キット名称
N610112809AA
Part Name
備 考
セクションNo.
PARTS LIST
Section No.
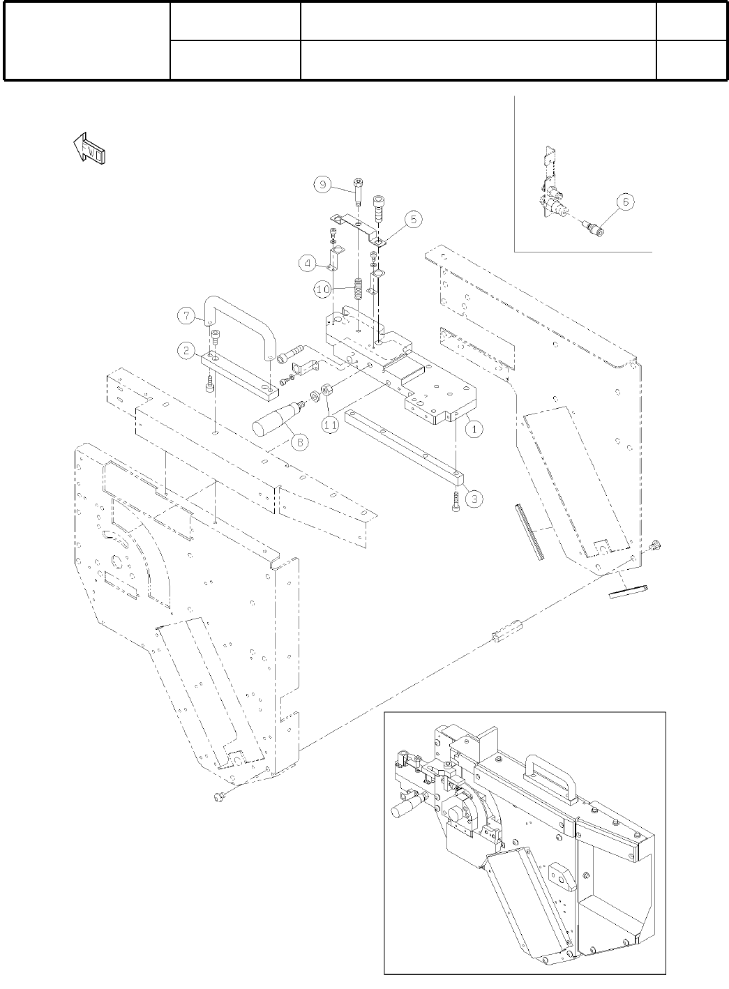
R
3
PLATE
1
1 N210126106AA
PLATE
1
2 N210120647AB
PLATE
1
3 N210126341AA
STOPPER
3
4 N210120641AA
PLATE
1
5 N210100051AA
JOINT
1
6 N510006401AA KK3P-06H
HANDLE
1
7 N510045749AA UAF-20X128-BK
GRIP
1
8 N510038725AA 87GTM24-M8
BOLT
1
9 N510032567AA MMSB8-30
SPRING
1
10 N510041160AA WWR10-35
NUT
1
11 N510017879AA
Hexagon nut Type-3 Best class M8-6H-4T A2J (Trivalent)
O208
--
( KN610112809AA-03-3 )

56
銘板・警告ラベル(交換台車切替ユニット駆動部):NPM-D
Label(Feeder Cart Changing Unit Drive Part):NPM-D
パーツレイアウト
Ki
t
N
o
.
キット
品番
Kit Name
キット名称
N610118377AA
セクションNo.
PARTS LAYOUT
Section No.
--
O209
( KN610118377AA-02 )