N7202A008B23 - 第51页
Ref No. Remark s R 1 Q'ty 9-A X軸:NP M-D X- Ax i s : NP M-D イラスト No. Part No. 品 名 品番 数量 R 2 パーツリスト Kit N o . キット品 番 Kit Name キット名称 N610109604AA Part Name 備 考 セクションNo. PARTS LIST Section No. R 3 PLATE 2 1 N210133019AC…

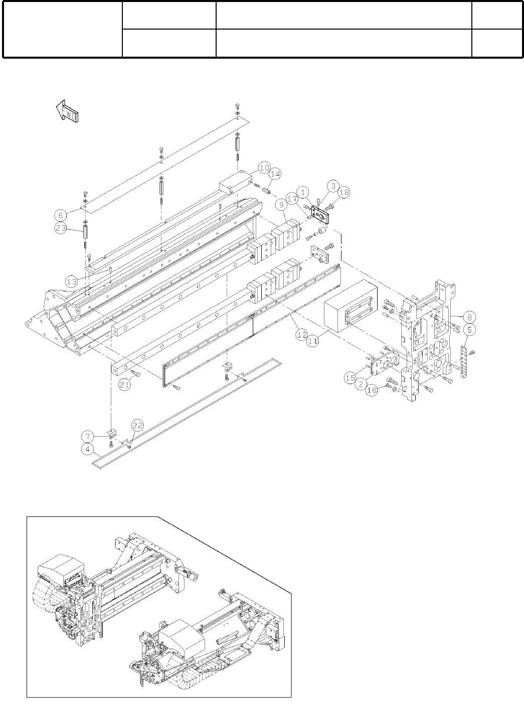
9-A
X軸:NPM-D
X-Axis:NPM-D
パーツレイアウト
Ki
t
N
o
.
キット
品番
Kit Name
キット名称
N610109604AA
セクションNo.
PARTS LAYOUT
Section No.
--
S29
( KN610109604AA-08-1 )

Ref
No.
Remarks
R
1
Q'ty
9-A
X軸:NPM-D
X-Axis:NPM-D
イラスト
No.
Part No.
品 名品番 数量
R
2
パーツリスト
Kit N
o
.
キット品
番
Kit Name
キット名称
N610109604AA
Part Name
備 考
セクションNo.
PARTS LIST
Section No.
R
3
PLATE
2
1 N210133019AC
BLOCK
2
2 N210097292AB
BLOCK
2
3 N210135162AB
SHAFT
1
4 N210133020AC
PLATE
2
5 N210134101AB
BRACKET
2
6 N210134121AA
BRACKET
2
7 N210133022AD
BRACKET
4
8 N210103043AB
COVER
2
9 N210134103AC
BRACKET
2
10 N210084790AB
BRACKET
2
11 N210078344AB
BRACKET
4
12 N210134652AA
BRACKET
2
13 N210103203AB
COVER
2
14 N210103205AC
BRACKET
2
15 N210134656AB
PLATE
2
16 N210130116AA
GUIDE
1
17 N210137787AB
BRACKET
1
18 N210137788AB
X-BEAM(F)
1
19 N610111667AC
X-PLATE(F)
1
20 N610110951AB
PIN
12
21 N510020608AA MMS5-15
BOLT
6
22 N510017555AA
SSS 003 Hexagon socket button head screw M6X12-10.9 A2J (Trivalent)
SCREW
8
23 N510018278AA
Cross recessed Truss head machine screw M4X5-4.8 A2S (Trivalent)
SPACER
4
24 N510026166AA CF-314E
COUPLER
2
25 N510045363AA MA-MS-SC4-06X08(CS33418-4)
GREASE-NIPPLE
6
26 N560AMT6-130 A-MT6X1-Type(M6X1)
PIN
4
27 N510020598AA MMS4-15
SPACER
8
28 N510036999AA ASF-2605E
PIN
4
29 N510020609AA MMS5-20
SPACER
4
30 N510029513AA ASF-410E
BOLT
8
31 N510002760AA SRBS-M3X8
BOLT
4
32 N510000423AA SRBS-M4X8
BOLT
8
33 N510039711AA CCBS4-6
HANDLE
2
34 N510026714AA UNFA-100-BF
CABLE-SUPPORT
4
35 KXFP6J9XA00 KR7G5
BOLT
2
36 N510056821AA
Extra low head bolt M6X20L(SCM435 Trivalent chromeite)
JOINT
4
37 KXF029NAA00 KJS04-M5
BOLT
4
38 N510017533AA
SSS 003 Hexagon socket button head screw M4X5-10.9 A2J (Trivalent)
BOLT
8
39 N510017516AA
SSS 003 Hexagon socket button head screw M4X10-10.9 A2J (Trivalent)
SENSOR
1
40 N510053249AA EE-SX911-C2J-R 0.5M
BOLT
2
41 N510000327AA
SSS 003 Hexagon socket button head screw M3X8-12.9 SOB
BOLT
1
42 N510055110AA
Hexagon head bolt Best class M12X25-6g 4T A2J (Trivalent) no mark
S30
--
( KN610109604AA-08-1 )

9-B
X軸:NPM-D
X-Axis:NPM-D
パーツレイアウト
Ki
t
N
o
.
キット
品番
Kit Name
キット名称
N610109604AA
セクションNo.
PARTS LAYOUT
Section No.
--
S31
( KN610109604AA-08-2 )