N7205A119B04(1)DX Wiring Diagram - 第117页
CN Board : I/O #3(BF) -K321B PDG14041 Plate Identification Bit0 : BF Plate Identification Bit1 : BF Plate Identification Bit2 : BF Plate Identification Bit3 : BF Nozzle Changer Shutter Open Detection : BF -B01B D-M9NV BN…

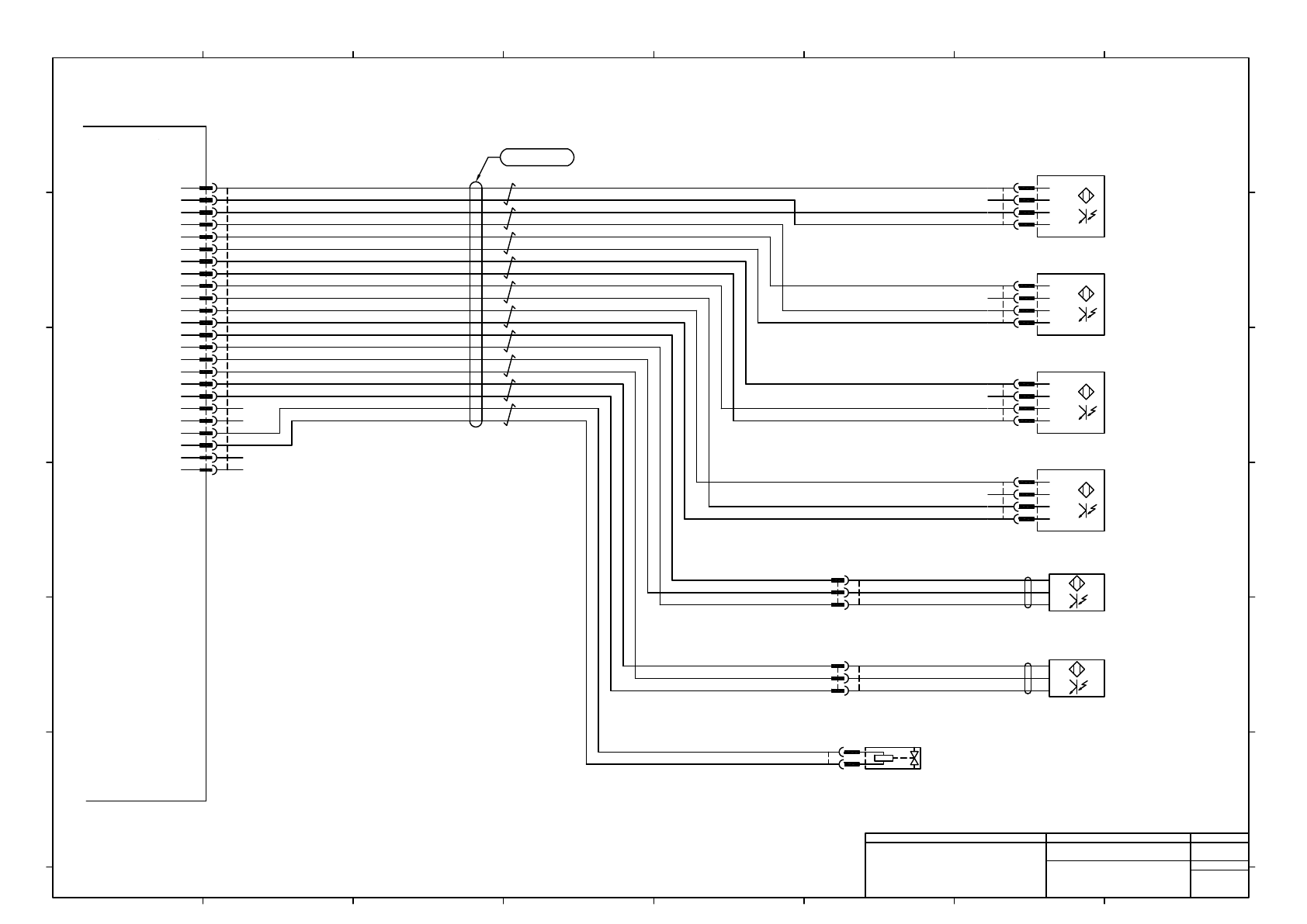
CN Board : I/O #2(AR)
-K322A
PDG14041
Plate Identification Bit0 : AR
Plate Identification Bit1 : AR
Plate Identification Bit2 : AR
Plate Identification Bit3 : AR
Nozzle Changer
Shutter Open Detection : AR
-B11A
D-M9NV
BN
BK
BU
SMC
AMP
B01/11R
177899-1
3
2
1
AMP
B11AP
177907-1
3
2
1
-R4091
VQZ115-5MZ1-M5-PR-X550
SMC
Nozzle Changer
Shutter Open : AR
SMC
R4091R
SY100-29-1
-
+
Nozzle Changer
Shutter Close Detection : AR
-B12A
D-M9NV
BN
BK
BU
SMC
AMP
B02/12AR
177899-1
3
2
1
AMP
B12AP
177907-1
3
2
1
MTKC002509AG
JST
CG_K322A
PUDP-24V-S
1
2
3
4
5
6
7
8
9
10
11
12
13
14
15
16
17
18
19
20
21
22
LG/WH
LG
VT/WH
VT
OG/WH
OG
GY/WH
GY
BU/WH
BU
BN/WH
BN
YE/WH
YE
GN/WH
GN
BK/WH
BK
RD/WH
RD
CNCG
1
2
3
4
5
6
7
8
9
10
11
12
24VOUT
24GND
24VOUT
24GND
24VOUT
24GND
PLATE#2
PLATE#3
PLATE#0
PLATE#1
13
14
15
16
17
18
19
20
21
22
24VOUT
24GND
NG-CL-IN
NG-OP-IN
24VOUT
NG-CL-OUT
24VOUT
NG-OP-OUT
24VOUT
24GND
23
24
23
24
N.C.
N.C.
24VOUT
24GND
2464C(BPF)VVP AWG#24×10P-B
P24
OUT1
OUT2
GND
1
2
3
4
-B16A
PM-Y65
Panasonic
JST
B16AR
PAP-04V-S
4
3
2
1
P24
OUT1
OUT2
GND
1
2
3
4
-B15A
PM-Y65
Panasonic
JST
B15AR
PAP-04V-S
4
3
2
1
P24
OUT1
OUT2
GND
1
2
3
4
-B14A
PM-Y65
Panasonic
JST
B14AR
PAP-04V-S
4
3
2
1
P24
OUT1
OUT2
GND
1
2
3
4
-B13A
PM-Y65
Panasonic
JST
B13AR
PAP-04V-S
4
3
2
1
5
4 6
Panasonic Factory Solutions Co.,Ltd. パナソニック ファクトリーソリューションズ株式会社
Name
Drawing No.
Loc. No.
F4K1020-05A
1
2 3 4 5 6 7 8
A
B
C
D
E
F
1 2 3 4 5 6 7 8
A
B
C
D
E
F
Page. No.
Main Body Wiring (NPM-DX)
(Nozzle Changer : AR)
MTKA001071+059AG
P059

CN Board : I/O #3(BF)
-K321B
PDG14041
Plate Identification Bit0 : BF
Plate Identification Bit1 : BF
Plate Identification Bit2 : BF
Plate Identification Bit3 : BF
Nozzle Changer
Shutter Open Detection : BF
-B01B
D-M9NV
BN
BK
BU
SMC
AMP
B01/11R
177899-1
3
2
1
AMP
B01BP
177907-1
3
2
1
-R4193
VQZ115-5MZ1-M5-PR-X550
SMC
Nozzle Changer
Shutter Open : BF
SMC
R4193R
SY100-29-1
-
+
Nozzle Changer
Shutter Close Detection : BF
-B02B
D-M9NV
BN
BK
BU
SMC
AMP
B02/12R
177899-1
3
2
1
AMP
B02BP
177907-1
3
2
1
MTKC002510AG
JST
CG_K321B
PUDP-24V-S
1
2
3
4
5
6
7
8
9
10
11
12
13
14
15
16
17
18
19
20
21
22
LG/WH
LG
VT/WH
VT
OG/WH
OG
GY/WH
GY
BU/WH
BU
BN/WH
BN
YE/WH
YE
GN/WH
GN
BK/WH
BK
RD/WH
RD
CNCG
1
2
3
4
5
6
7
8
9
10
11
12
24VOUT
24GND
24VOUT
24GND
24VOUT
24GND
PLATE#2
PLATE#3
PLATE#0
PLATE#1
13
14
15
16
17
18
19
20
21
22
24VOUT
24GND
NG-CL-IN
NG-OP-IN
24VOUT
NG-CL-OUT
24VOUT
NG-OP-OUT
24VOUT
24GND
23
24
23
24
N.C.
24VOUT
24GND
2464C(BPF)VVP AWG#24×10P-B
N.C.
P24
OUT1
OUT2
GND
1
2
3
4
-B06B
PM-Y65
Panasonic
JST
B06BR
PAP-04V-S
4
3
2
1
P24
OUT1
OUT2
GND
1
2
3
4
-B05B
PM-Y65
Panasonic
JST
B05BR
PAP-04V-S
4
3
2
1
P24
OUT1
OUT2
GND
1
2
3
4
-B04B
PM-Y65
Panasonic
JST
B04BR
PAP-04V-S
4
3
2
1
P24
OUT1
OUT2
GND
1
2
3
4
-B03B
PM-Y65
Panasonic
JST
B03BR
PAP-04V-S
4
3
2
1
5
4 6
Panasonic Factory Solutions Co.,Ltd. パナソニック ファクトリーソリューションズ株式会社
Name
Drawing No.
Loc. No.
F4K1020-05A
1
2 3 4 5 6 7 8
A
B
C
D
E
F
1 2 3 4 5 6 7 8
A
B
C
D
E
F
Page. No.
Main Body Wiring (NPM-DX)
(Nozzle Changer : BF)
MTKA001071+060AG
P060

CN Board : I/O #4(BR)
-K322B
PDG14041
Plate Identification Bit0 : BR
Plate Identification Bit1 : BR
Plate Identification Bit2 : BR
Plate Identification Bit3 : BR
Nozzle Changer
Shutter Open Detection : BR
-B11B
D-M9NV
BN
BK
BU
SMC
AMP
B01/11R
177899-1
3
2
1
AMP
B11BP
177907-1
3
2
1
-R4191
VQZ115-5MZ1-M5-PR-X550
SMC
Nozzle Changer
Shutter Open : BR
SMC
R4191R
SY100-29-1
-
+
Nozzle Changer
Shutter Close Detection : BR
-B12B
D-M9NV
BN
BK
BU
SMC
AMP
B02/12R
177899-1
3
2
1
AMP
B12BP
177907-1
3
2
1
MTKC002511AG
JST
CG_K322B
PUDP-24V-S
1
2
3
4
5
6
7
8
9
10
11
12
13
14
15
16
17
18
19
20
21
22
LG/WH
LG
VT/WH
VT
OG/WH
OG
GY/WH
GY
BU/WH
BU
BN/WH
BN
YE/WH
YE
GN/WH
GN
BK/WH
BK
RD/WH
RD
CNCG
1
2
3
4
5
6
7
8
9
10
11
12
24VOUT
24GND
24VOUT
24GND
24VOUT
24GND
PLATE#2
PLATE#3
PLATE#0
PLATE#1
13
14
15
16
17
18
19
20
21
22
24VOUT
24GND
NG-CL-IN
NG-OP-IN
24VOUT
NG-CL-OUT
24VOUT
NG-OP-OUT
24VOUT
24GND
23
24
23
24
N.C.
N.C.
24VOUT
24GND
2464C(BPF)VVP AWG#24×10P-B
P24
OUT1
OUT2
GND
1
2
3
4
-B16B
PM-Y65
Panasonic
JST
B16BR
PAP-04V-S
4
3
2
1
P24
OUT1
OUT2
GND
1
2
3
4
-B15B
PM-Y65
Panasonic
JST
B15BR
PAP-04V-S
4
3
2
1
P24
OUT1
OUT2
GND
1
2
3
4
-B14B
PM-Y65
Panasonic
JST
B14BR
PAP-04V-S
4
3
2
1
P24
OUT1
OUT2
GND
1
2
3
4
-B13B
PM-Y65
Panasonic
JST
B13BR
PAP-04V-S
4
3
2
1
5
4 6
Panasonic Factory Solutions Co.,Ltd. パナソニック ファクトリーソリューションズ株式会社
Name
Drawing No.
Loc. No.
F4K1020-05A
1
2 3 4 5 6 7 8
A
B
C
D
E
F
1 2 3 4 5 6 7 8
A
B
C
D
E
F
Page. No.
Main Body Wiring (NPM-DX)
(Nozzle Changer : BR)
MTKA001071+061AG
P061