N7205A119B04(1)DX Wiring Diagram - 第159页
L1 Left Transfer Motor : Bst CNM1 +V24(M) GND(M) +24(C) 1 2 3 GND(C) START/STOP(OUT414) SPD_H/L(OUT415) 4 5 6 -K323B REVERSE(OUT416) EMG1C(OUT617) +V24(C) GND(C) 7 8 9 10 11 12 13 14 CNM2 +V24(M) GND(M) +24(C) 1 2 3 GND(…

+V24(C)
IN120
OUT110
GND(C)
+V24(C)
IN121
OUT110
GND(C)
+V24(C)
IN122
OUT112
GND(C)
+V24(C)
IN123
OUT112
GND(C)
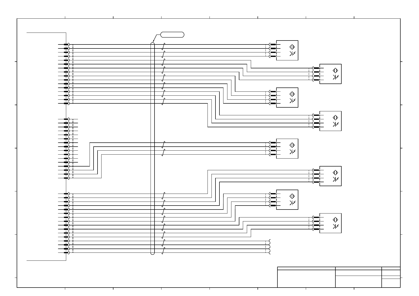
L2 Left Side PCB Detection 1 : Ast
P24
OUT
IN
GND
1
2
3
4
-B1121
L2 Left Side PCB Detection 2 : Ast
1
2
3
4
5
6
7
8
9
10
11
12
13
14
15
16
CNB1
-K324A
JST
B1_K323/4
PAP-16V-S
1
2
3
4
5
6
7
8
9
10
11
12
13
14
15
16
P24
OUT
IN
GND
1
2
3
4
-B1120
MTKC000528AC
PDG14040A
OG/WH
OG
GY/WH
GY
BU/WH
BU
BN/WH
BN
YE/WH
YE
GN/WH
GN
BK/WH
BK
RD/WH
RD
L2 Mount Position PCB Detection 1 : Ast
P24
OUT
IN
GND
1
2
3
4
-B1123
L2 Mount Position PCB Detection 2 : Ast
P24
OUT
IN
GND
1
2
3
4
-B1122
JST
B1*20R
PAP-04V-S
4
3
2
1
JST
B1*21R
PAP-04V-S
4
3
2
1
JST
B1*22R
PAP-04V-S
4
3
2
1
JST
B1*23R
PAP-04V-S
4
3
2
1
CN Board : Transfer #2(AF)
+V24(C)
IN124
OUT111
GND(C)
+V24(C)
IN125
OUT111
GND(C)
+V24(C)
IN126
OUT111
GND(C)
+V24(C)
IN127
OUT112
GND(C)
P24
OUT
IN
GND
1
2
3
4
-B1127
JST
B1*27R
PAP-04V-S
4
3
2
1
1
2
3
4
5
6
7
8
9
10
11
12
13
14
15
16
CNB2
JST
B2_K323/4
PAP-16V-S
1
2
3
4
5
6
7
8
9
10
11
12
13
14
15
16
L2 Mount Position PCB Detection 3 : Ast
+V24(C)
IN130
OUT112
GND(C)
+V24(C)
IN131
OUT112
GND(C)
+V24(C)
IN132
OUT113
GND(C)
+V24(C)
IN133
OUT113
GND(C)
P24
OUT
IN
GND
1
2
3
4
-B1131
P24
OUT
IN
GND
1
2
3
4
-B1132
JST
B1*31R
PAP-04V-S
4
3
2
1
JST
B1*32R
PAP-04V-S
4
3
2
1
No Use
JST
B1*33R
PAP-04V-S
4
3
2
1
1
2
3
4
5
6
7
8
9
10
11
12
13
14
15
16
CNB3
JST
B3_K323/4
PAP-16V-S
1
2
3
4
5
6
7
8
9
10
11
12
13
14
15
16
P24
OUT
IN
GND
1
2
3
4
-B1130
JST
B1*30R
PAP-04V-S
4
3
2
1
L2 Mount Position PCB Detection 4 : Ast
L2 Mount Position PCB Detection 5 : Ast
L2 Right Side PCB Detection 1 : Ast
2464C(BPF)VVP AWG#24×18P-B
LG/WH
LG
VT/WH
VT
LB/WH
LB
PK/WH
PK
GY/RD
GY/BK
BU/RD
BU/BK
BN/RD
BN/BK
YE/RD
YE/BK
GN/RD
GN/BK
WH/BK
WH
1
1
1
Panasonic Factory Solutions Co.,Ltd. パナソニック ファクトリーソリューションズ株式会社
Name
Drawing No.
Loc. No.
F4K1020-05A
1
2 3 4 5 6 7 8
A
B
C
D
E
F
1 2 3 4 5 6 7 8
A
B
C
D
E
F
Page. No.
Conveyor Unit (NPM-DX)
Position Sensor :L2(Ast)
MTKA001084+013AC
P013
2

L1 Left Transfer Motor : Bst
CNM1
+V24(M)
GND(M)
+24(C)
1
2
3
GND(C)
START/STOP(OUT414)
SPD_H/L(OUT415)
4
5
6
-K323B
REVERSE(OUT416)
EMG1C(OUT617)
+V24(C)
GND(C)
7
8
9
10
11
12
13
14
CNM2
+V24(M)
GND(M)
+24(C)
1
2
3
GND(C)
4
5
6
EMG1C(OUT617)
+V24(C)
7
8
9
10
11
12
13
14
MTKC000517AD
JST
M1_K323B
PHDR-18VS
1
2
3
4
5
6
7
8
9
10
11
12
13
14
15
16
17
18
NC
NC
NC
EMG2C(OUT717)
JST
M2_K323
PHDR-18VS
1
2
3
4
5
6
7
8
9
10
11
12
13
14
15
16
17
18
15
16
17
18
EMG2C(OUT717)
15
16
17
18
NC
NC
(Fixed Side)
START/STOP(OUT414)
SPD_H/L(OUT415)
REVERSE(OUT416)
PDG14040A
P24(M)
GND(M)
P24(C)
STR/STP
SPD_H/L
Revers
EMG
OUT1
OUTPUT COM
CW/CCW
BUSY
DATA+
DATA-
GND(C)
NC
NC
NC
1
2
3
4
5
6
7
8
9
10
11
12
13
14
15
16
17
18
-M610B
NC
L1 Left Transfer Motor : Bst
(Moving Side)
P24(M)
GND(M)
P24(C)
STR/STP
SPD_H/L
Revers
EMG
OUT1
OUTPUT COM
CW/CCW
BUSY
DATA+
DATA-
GND(C)
NC
NC
NC
1
2
3
4
5
6
7
8
9
10
11
12
13
14
15
16
17
18
-M611B
NC
MTKC000516**
JST
M610BR
PHDR-18VS
18
17
16
15
13
12
11
10
9
8
7
6
5
4
14
3
2
1
JST
M611R
PHDR-18VS
18
17
16
15
13
12
11
10
9
8
7
6
5
4
14
3
2
1
Main Body Wiring
D+MAIN
D-MAIN
D+SUB
D-SUB
D+MAIN
D-MAIN
D+SUB
D-SUB
CN Board : Transfer #3(BR)
1
BN/WH
BN
YE/WH
YE
GN/WH
GN
BK/WH
BK
RD/WH
RD
2464-1061/ⅡA(PF)LF 6P×24AWG
1
1
2464C(BPF)VVP AWG#24×5P-B
T/2464-3599 BK LF 6P×24AWG
VT
PK
LB
BN
GY
BK
GN
OG
BU
RD
WH
YE
1
FGCVF1
R1.25-4
JST
FGCVM1
R1.25-4
JST
1
1
1
NC
GND(C)
1
NC
GND(C)
M2K323
1
M1K323B
1
1
2
Panasonic Factory Solutions Co.,Ltd. パナソニック ファクトリーソリューションズ株式会社
Name
Drawing No.
Loc. No.
F4K1020-05A
1
2 3 4 5 6 7 8
A
B
C
D
E
F
1 2 3 4 5 6 7 8
A
B
C
D
E
F
Page. No.
Conveyor Unit (NPM-DX)
Conveyor Motor 1:L1(Bst)
MTKA001084+014AD
P014
3

CNM5
+V24(M)
GND(M)
+24(C)
1
2
3
GND(C)
START/STOP(OUT422)
SPD_H/L(OUT423)
4
5
6
-K323B
REVERSE(OUT424)
EMG1C(OUT617)
+V24(C)
GND(C)
7
8
9
10
11
12
13
14
CNM6
+V24(M)
GND(M)
+24(C)
1
2
3
GND(C)
4
5
6
EMG1C(OUT617)
+V24(C)
7
8
9
10
11
12
13
14
MTKC000520AD
JST
M5_K323B
PHDR-18VS
1
2
3
4
5
6
7
8
9
10
11
12
13
14
15
16
17
18
EMG2C(OUT717)
NC
NC
NC
16
17
18
15
JST
M6_K323
PHDR-18VS
1
2
3
4
5
6
7
8
9
10
11
12
13
14
15
16
17
18
EMG2C(OUT717)
NC
NC
16
17
18
15
START/STOP(OUT422)
SPD_H/L(OUT423)
REVERSE(OUT424)
P24(M)
GND(M)
P24(C)
STR/STP
SPD_H/L
Revers
EMG
OUT1
OUTPUT COM
CW/CCW
BUSY
DATA+
DATA-
GND(C)
NC
NC
NC
L1 Mount Position Transfer Motor : Bst
(Fixed Side)
1
2
3
4
5
6
7
8
9
10
11
12
13
14
15
16
17
18
-M614B
NC
P24(M)
GND(M)
P24(C)
STR/STP
SPD_H/L
Revers
EMG
OUT1
OUTPUT COM
CW/CCW
BUSY
DATA+
DATA-
GND(C)
NC
NC
NC
1
2
3
4
5
6
7
8
9
10
11
12
13
14
15
16
17
18
-M615B
NC
L1 Mount Position Transfer Motor : Bst
(Moving Side)
PDG14040A
MTKC000519**
JST
M615R
PHDR-18VS
18
17
16
15
13
12
11
10
9
8
7
6
5
4
14
3
2
1
JST
M614BR
PHDR-18VS
18
17
16
15
13
12
11
10
9
8
7
6
5
4
14
3
2
1
Main Body Wiring
D+MAIN
D-MAIN
D+SUB
D-SUB
D+MAIN
D-MAIN
D+SUB
D-SUB
CN Board : Transfer #3(BR)
1
T/2464-3599 BK LF 6P×24AWG
VT
PK
LB
BN
GY
BK
GN
OG
BU
RD
WH
YE
BN/WH
BN
YE/WH
YE
GN/WH
GN
BK/WH
BK
RD/WH
RD
2464-1061/ⅡA(PF)LF 6P×24AWG
1
2464C(BPF)VVP AWG#24×5P-B
1
1
1
NC
GND(C)
1
1
NC
GND(C)
M6K323
1
M5K323B
1
1
2
Panasonic Factory Solutions Co.,Ltd. パナソニック ファクトリーソリューションズ株式会社
Name
Drawing No.
Loc. No.
F4K1020-05A
1
2 3 4 5 6 7 8
A
B
C
D
E
F
1 2 3 4 5 6 7 8
A
B
C
D
E
F
Page. No.
Conveyor Unit (NPM-DX)
Conveyor Motor 2:L1(Bst)
MTKA001084+015AD
P015
3