N7205A119B04(1)DX Wiring Diagram - 第163页
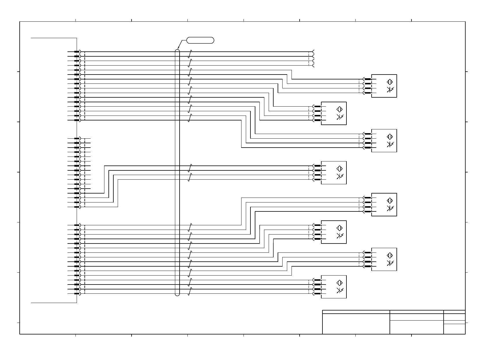
+V24(C) IN420 OUT410 GND(C) +V24(C) IN421 OUT410 GND(C) +V24(C) IN422 OUT412 GND(C) +V24(C) IN423 OUT412 GND(C) P24 OUT IN GND 1 2 3 4 -B1421 L1 Left Side PCB Detection 2 : Bst 1 2 3 4 5 6 7 8 9 10 11 12 13 14 15 16 CNB1…

L1 Width Adjustment Axis
Single Mode Detection : Bst
L1 Width Adjustment Axis
Dual Mode ORG Detection : Bst
L1 Width Adjustment Axis
Single Mode ORG Detection : Bst
(Dual Modle +OVR Detection)
+V24(M)
GND(M)
+24(C)
1
2
3
GND(C)
ORG
+LS
4
5
6
-K323B
-LS
EMG1W(OUT616)
+V24(C)
7
8
9
10
11
12
13
14
+V24(C)
-LS
1
2
3
GND(C)
+V24(C)
4
5
6
ORG
GND(C)
7
8
+V24(C)
+LS
1
2
3
GND(C)
+V24(C)
4
5
6
ORG
GND(C)
7
8
JST
B4_K323/4
PAP-08V-S
8
7
6
5
4
3
2
1
JST
B5_K323
PAP-08V-S
8
7
6
5
4
3
2
1
L1 Support Pin Detection (Receiver) : Bst
-B121TB
-B121RB
BU
BK
BN
BU
BN
L1 Support Pin Detection (Projector) : Bst
AMP
B121/5P
177908-1
4
3
2
1
AMP
B121R
177900-1
4
3
2
1
BK
GN
WH
RD
T/2464-3599 BK LF 4×24AWG
BK/WH
BK
RD/WH
RD
2464C(BPF)VVP AWG#24×2P-B
2464C(BPF)VVP AWG#24×3P-B
GN/WH
GN
BK/WH
BK
RD/WH
RD
JST
B122/6R
PAP-04V-S
4
3
2
1
JST
B123R
PAP-04V-S
4
3
2
1
JST
B124R
PAP-04V-S
4
3
2
1
P24
OUT1
OUT2
GND
1
2
3
4
-B124B
P24
OUT1
OUT2
GND
1
2
3
4
-B123B
P24
OUT1
OUT2
GND
1
2
3
4
-B122B
MTKC000526AC
MTKC000527AC
EMG2W(OUT716)
JST
M9_K323B
PHDR-18VS
1
2
3
4
5
6
7
8
9
10
11
12
13
14
15
16
17
18
NC
NC
15
16
17
18
NC
NC
NC
NC
L1 Width Adjustment Axis Motor : Bst
1
2
3
4
5
6
7
8
9
10
11
12
13
14
15
16
17
18
-M619B
P24(M)
GND(M)
P24(C)
GND(C)
ORG
+LS
-LS
EMG
DATA+
DATA-
CW/CCW
BUSY
NC
NC
NC
NC
NC
OUTPUT COM
CNM9
CNB4
CNB5
PDG14040A
JST
M619BR
PHDR-18VS
18
17
16
15
13
12
11
10
9
8
7
6
5
4
14
3
2
1
MTKC000525**
Main Body Wiring
D+MAIN
D-MAIN
D+SUB
D-SUB
CN Board : Transfer #3(BR)
1
2464-1061/ⅡA(PF)LF 2P×24AWG
1
2464-1061/ⅡA(PF)LF 3P×24AWG
1
1
1
BN/WH
BN
YE/WH
YE
GN/WH
GN
BK/WH
BK
RD/WH
RD
2464-1061/ⅡA(PF)LF 6P×24AWG
1
NC
GND(C)
1
NC
GND(C)
2464C(BPF)VVP AWG#24×5P-B
1
FGCVF2
R1.25-4
JST
FGCVM2
R1.25-4
JST
EGCVF
1
EGCVM
1
M9K323B
1
B4K323/4
1
B5K323
1
1
Panasonic Factory Solutions Co.,Ltd. パナソニック ファクトリーソリューションズ株式会社
Name
Drawing No.
Loc. No.
F4K1020-05A
1
2 3 4 5 6 7 8
A
B
C
D
E
F
1 2 3 4 5 6 7 8
A
B
C
D
E
F
Page. No.
Conveyor Unit (NPM-DX)
Width Adjustment Axis:L1(Bst)
MTKA001084+017AC
P017
2
2

+V24(C)
IN420
OUT410
GND(C)
+V24(C)
IN421
OUT410
GND(C)
+V24(C)
IN422
OUT412
GND(C)
+V24(C)
IN423
OUT412
GND(C)
P24
OUT
IN
GND
1
2
3
4
-B1421
L1 Left Side PCB Detection 2 : Bst
1
2
3
4
5
6
7
8
9
10
11
12
13
14
15
16
CNB1
-K323B
JST
B1_K323/4
PAP-16V-S
1
2
3
4
5
6
7
8
9
10
11
12
13
14
15
16
MTKC000528AC
PDG14040A
OG/WH
OG
GY/WH
GY
BU/WH
BU
BN/WH
BN
YE/WH
YE
GN/WH
GN
BK/WH
BK
RD/WH
RD
L1 Mount Position PCB Detection 1 : Bst
P24
OUT
IN
GND
1
2
3
4
-B1423
L1 Mount Position PCB Detection 2 : Bst
P24
OUT
IN
GND
1
2
3
4
-B1422
JST
B1*20R
PAP-04V-S
4
3
2
1
JST
B1*21R
PAP-04V-S
4
3
2
1
JST
B1*22R
PAP-04V-S
4
3
2
1
JST
B1*23R
PAP-04V-S
4
3
2
1
CN Board : Transfer #3(BR)
+V24(C)
IN424
OUT411
GND(C)
+V24(C)
IN425
OUT411
GND(C)
+V24(C)
IN426
OUT411
GND(C)
+V24(C)
IN427
OUT412
GND(C)
P24
OUT
IN
GND
1
2
3
4
-B1427
JST
B1*27R
PAP-04V-S
4
3
2
1
1
2
3
4
5
6
7
8
9
10
11
12
13
14
15
16
CNB2
JST
B2_K323/4
PAP-16V-S
1
2
3
4
5
6
7
8
9
10
11
12
13
14
15
16
L1 Mount Position PCB Detection 3 : Bst
+V24(C)
IN430
OUT412
GND(C)
+V24(C)
IN431
OUT412
GND(C)
+V24(C)
IN432
OUT413
GND(C)
+V24(C)
IN433
OUT413
GND(C)
P24
OUT
IN
GND
1
2
3
4
-B1431
P24
OUT
IN
GND
1
2
3
4
-B1432
JST
B1*31R
PAP-04V-S
4
3
2
1
JST
B1*32R
PAP-04V-S
4
3
2
1
No Use
JST
B1*33R
PAP-04V-S
4
3
2
1
1
2
3
4
5
6
7
8
9
10
11
12
13
14
15
16
CNB3
JST
B3_K323/4
PAP-16V-S
1
2
3
4
5
6
7
8
9
10
11
12
13
14
15
16
P24
OUT
IN
GND
1
2
3
4
-B1430
JST
B1*30R
PAP-04V-S
4
3
2
1
L1 Mount Position PCB Detection 4 : Bst
L1 Mount Position PCB Detection 5 : Bst
L1 Right Side PCB Detection 1 : Bst
2464C(BPF)VVP AWG#24×18P-B
LG/WH
LG
VT/WH
VT
LB/WH
LB
PK/WH
PK
GY/RD
GY/BK
BU/RD
BU/BK
BN/RD
BN/BK
YE/RD
YE/BK
GN/RD
GN/BK
WH/BK
WH
P24
OUT
IN
GND
1
2
3
4
-B1433
L1 Right Side PCB Detection 2 : Bst
1
1
1
Panasonic Factory Solutions Co.,Ltd. パナソニック ファクトリーソリューションズ株式会社
Name
Drawing No.
Loc. No.
F4K1020-05A
1
2 3 4 5 6 7 8
A
B
C
D
E
F
1 2 3 4 5 6 7 8
A
B
C
D
E
F
Page. No.
Conveyor Unit (NPM-DX)
Position Sensor :L1(Bst)
MTKA001084+018AC
P018
2

CNM7
+V24(M)
GND(M)
+24(C)
1
2
3
GND(C)
START/STOP(OUT514)
SPD_H/L(OUT515)
4
5
6
-K324B
REVERSE(OUT516)
EMG2C(OUT717)
+V24(C)
7
8
9
10
11
12
13
14
CNM8
+V24(M)
GND(M)
+24(C)
1
2
3
GND(C)
4
5
6
EMG2C(OUT717)
+V24(C)
GND(C)
7
8
9
10
11
12
13
14
MTKC000530AD
MTKC000531AD
EMG1C(OUT617)
JST
M7_K324
PHDR-18VS
1
2
3
4
5
6
7
8
9
10
11
12
13
14
15
16
17
18
NC
NC
15
16
17
18
EMG1C(OUT617)
JST
M8_K324
PHDR-18VS
1
2
3
4
5
6
7
8
9
10
11
12
13
14
15
16
17
18
NC
NC
NC
15
16
17
18
PDG14040A
START/STOP(OUT514)
SPD_H/L(OUT515)
REVERSE(OUT516)
L2 Left Transfer Motor : Bst
1
2
3
4
5
6
7
8
9
10
11
12
13
14
15
16
17
18
-M620B
P24(M)
GND(M)
P24(C)
GND(C)
Start/Stop
SPD_H/L
Reverse
EMG
DATA+
DATA-
CW/CCW
BUSY
OUT1
OUTPUT COM
NC
NC
NC
NC
(Fixed Side)
L2 Left Transfer Motor : Bst
1
2
3
4
5
6
7
8
9
10
11
12
13
14
15
16
17
18
-M621B
P24(M)
GND(M)
P24(C)
GND(C)
Start/Stop
SPD_H/L
Reverse
EMG
DATA+
DATA-
CW/CCW
BUSY
OUT1
OUTPUT COM
NC
NC
NC
NC
(Moving Side)
JST
M621R
PHDR-18VS
18
17
16
15
13
12
11
10
9
8
7
6
5
4
14
3
2
1
JST
M620R
PHDR-18VS
18
17
16
15
13
12
11
10
9
8
7
6
5
4
14
3
2
1
D+SUB
D-SUB
D+MAIN
D-MAIN
D+SUB
D-SUB
D+MAIN
D-MAIN
CN Board : Transfer #4(BF)
1
1
2464C(BPF)VVP AWG#24×6P-B
BU/WH
BU
BN/WH
BN
YE/WH
YE
GN/WH
GN
BK/WH
BK
RD/WH
RD
2464-1061/ⅡA(PF)LF 6P×24AWG
1
NC
GND(C)
1
1
NC
GND(C)
CNM1
M1K324
1
1
1
T/2464-3599 BK LF 6P×24AWG
VT
PK
LB
BN
GY
BK
GN
OG
BU
RD
WH
YE
1
1
1
CNM2
M2K324
1
1
1
2
2
Panasonic Factory Solutions Co.,Ltd. パナソニック ファクトリーソリューションズ株式会社
Name
Drawing No.
Loc. No.
F4K1020-05A
1
2 3 4 5 6 7 8
A
B
C
D
E
F
1 2 3 4 5 6 7 8
A
B
C
D
E
F
Page. No.
Conveyor Unit (NPM-DX)
Conveyor Motor 1:L2(Bst)
MTKA001084+019AD
P019
3
3